LEMON Manuals: Even more car manuals for everyone: 1960-2025
Home >> Ford >> 1990 >> Taurus L4-153 2.5L HSC >> Repair and Diagnosis >> Diagrams >> Connector Views >> Radiator Cooling Fan Control Module
April 5, 2026: LEMON Manuals is launched! Read the announcement.

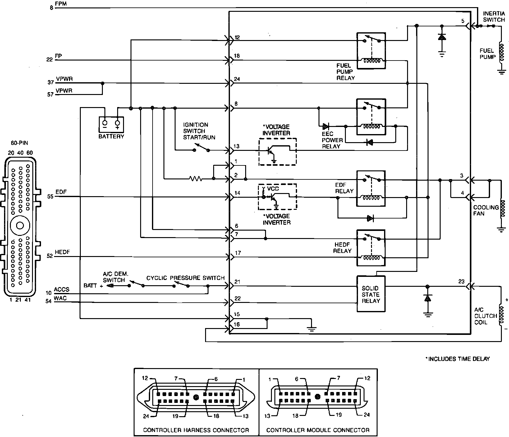
Radiator Cooling Fan Control Module