LEMON Manuals: Even more car manuals for everyone: 1960-2025
Home >> Ford >> 1990 >> Taurus V6-232 3.8L >> Repair and Diagnosis >> Relays and Modules >> Relays and Modules - Powertrain Management >> Relays and Modules - Computers and Control Systems >> Integrated Control Relay Module >> Service and Repair
April 5, 2026: LEMON Manuals is launched! Read the announcement.

Integrated Control Relay Module: Service and Repair

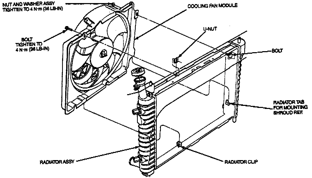
Fan, Motor and Integrated Relay Control Assembly

Removal and Installation

1. Remove radiator sight shield.

2. Disconnect electrical connector. Remove integrated relay control assembly located on radiator support.

3. Disconnect electric fan connector.

4. Unbolt fan/shroud assembly from radiator.

5. Slide cooling fan module clear of radiator hose connector and lift up past radiator.

6. To install, reverse Steps 1 through 5

Constant Control Relay Module:




Integrated Relay Control Assembly

Fig. 42 Cooling Fan Motor Replacement:




Fan and Motor-3.0L SHO




Fan and Motor-3.8L