LEMON Manuals: Even more car manuals for everyone: 1960-2025
Home >> Ford >> 1991 >> Taurus L4-153 2.5L HSC >> Repair and Diagnosis >> Diagrams >> Connector Views >> Integrated Control Relay Module
April 5, 2026: LEMON Manuals is launched! Read the announcement.

Integrated Control Relay Module




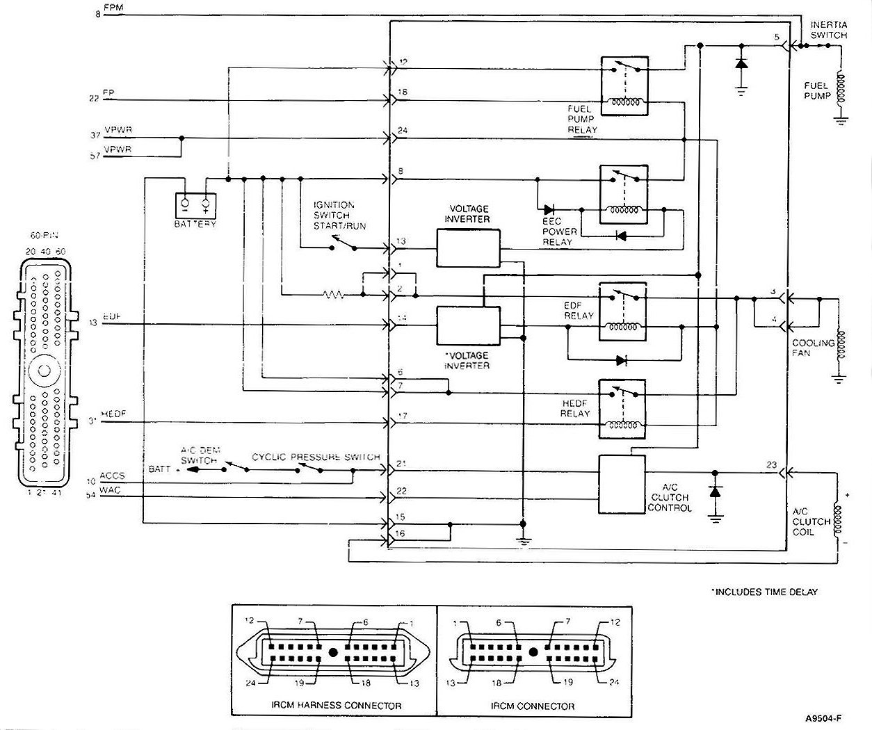
Integral Relay Control Module (IRCM)

IRCM (2.5L):






IRCM (2.5L) Pin Usage:






The Integral Relay Control Module (IRCM) interfaces with the EEC-IV processor to provide control of the cooling fan, A/C clutch, and the fuel pump.