LEMON Manuals: Even more car manuals for everyone: 1960-2025
Home >> Ford >> 1992 >> Probe V6-182 3.0L >> Repair and Diagnosis >> Powertrain Management >> Computers and Control Systems >> Testing and Inspection >> Pinpoint Tests >> X - Integrated Relay Control Module >> X - Testing Schematic
April 5, 2026: LEMON Manuals is launched! Read the announcement.

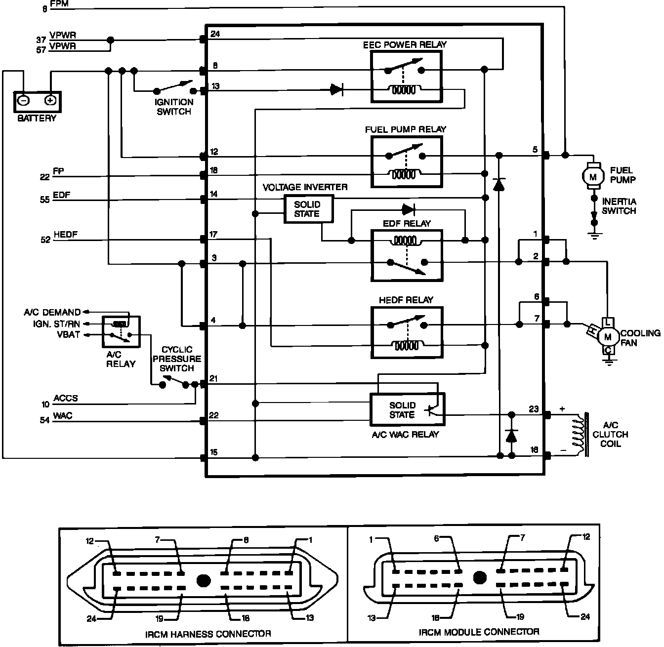
X - Testing Schematic

Integrated Relay Control Module: