LEMON Manuals: Even more car manuals for everyone: 1960-2025
Home >> Ford >> 1994 >> Probe SE, Automatic >> Repair and Diagnosis (Single Page) >> Engine Performance >> System >> Engine Controls - Tests W/Codes - EEC-IV (2.0L) >> Circuit Tests >> Circuit Test X - Constant Control Relay Module (CCRM) >> Engine Does Not Start
April 5, 2026: LEMON Manuals is launched! Read the announcement.

Engine Does Not Start

If engine starts, go to step 81). If engine does not start, go to step 85).

81) Verify Fuel Pump Is Off  Turn ignition on. Wait 5 seconds. Listen for fuel pump operation. If pump is on, go to step 83) for models with gasoline fuel systems.

82) Check For LFP Relay Always Closed  Turn ignition off. Disconnect LFP relay. Turn ignition on. Wait 5 seconds. Listen for fuel pump operation. If pump goes off when relay is disconnected, replace LFP relay and repeat QUICK TEST. If pump does not go off when relay is disconnected, go to step 83).

83) Check For Fuel Pump Relay Always Closed  Turn ignition off. Disconnect CCRM. Turn ignition on. Wait 5 seconds. Listen for fuel pump operation. If pump goes off when relay is disconnected, replace CCRM and repeat QUICK TEST. If pump does not go off when CCRM is disconnected, repair short to power in POWER-TO-PUMP/FPM circuit.

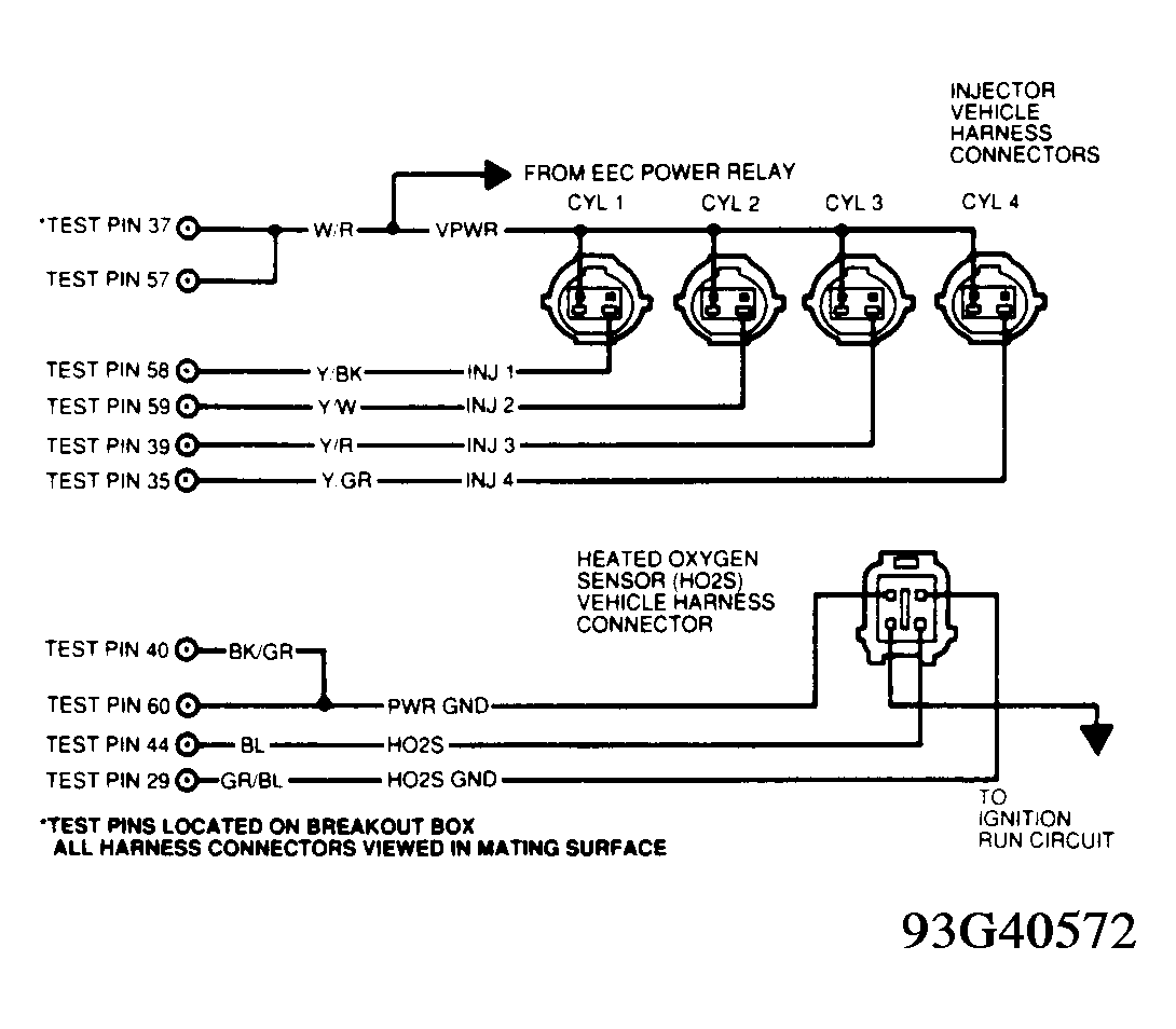
84) Check Continuity Of FPM Circuit  Turn ignition off. Disconnect PCM 60-pin connector. Inspect connector for damage and repair as necessary. Install breakout box, leaving PCM disconnected. Disconnect CCRM. Measure resistance between test pin No. 8 at breakout box and pin No. 5 of CCRM wiring harness connector. If resistance is less than 5 ohms, go to step 86) (dual HO2S models) or replace PCM and repeat QUICK TEST (except dual HO2S models). If resistance is 5 ohms or more, repair open circuit and repeat QUICK TEST.

85) Check Inertia Fuel Shutoff (IFS) Switch  Turn ignition off. Disconnect IFS switch. Measure resistance at IFS switch terminals "C" and NC. If resistance is 5 ohms or less, fault is in fuel pump electrical system. If resistance is more than 5 ohms, replace or reset IFS switch and repeat QUICK TEST.

86) Check Left/Front HO2S Sensor For Short To Power  Turn ignition off. Disconnect left/front HO2S sensor. Measure resistance between HO2S SIGNAL terminal and KEY POWER terminal at HO2S sensor connector. See Fig 1. If resistance is 10,000 ohms or more, go to step 87). If resistance is less than 10,000 ohms, replace HO2S sensor and repeat QUICK TEST.

Fig 1: HO2S Sensor Connector Terminal ID (X16)
G93I40616

87) Check HO2S Circuit For Short To Power  Leave ignition off and left/front HO2S sensor disconnected. Disconnect PCM 60-pin connector. Inspect for damage and repair as necessary. Turn ignition on. Measure voltage between HO2S SIGNAL terminal at sensor wiring harness connector and chassis ground. See Fig 2. If voltage is one volt or less, replace PCM and repeat QUICK TEST. If voltage is more than one volt, repair short circuit and repeat QUICK TEST.

Fig 2: HO2S Sensor Wiring Harness Connector Terminal (X17)
G93B40619

88) Code 524  If KOEO Code 543 is present, go to step 90). Code 524 indicates LFP secondary circuit failure. Following are possible causes for this fault.

Turn ignition off. Disconnect LFP relay. Measure voltage between B(+) terminal of relay wiring harness connector and negative battery terminal. If less 10.5 volts is present, repair open in B(+) circuit. If 10.5 volts or more is present, go to next step.

89) Check POWER-TO-PUMP Circuit Continuity  Leave ignition off and LFP relay disconnected. Disconnect CCRM. Measure resistance between terminal No. 5 of CCRM wiring harness connector and POWER-TO-PUMP terminal of LFP relay wiring harness connector. If resistance is less than 10 ohms, replace LFP relay. If resistance is 10 ohms or more, measure resistance across fuel pump dropping resistor terminals. If resistance is not approximately one ohm, replace fuel pump dropping resistor. If resistance is approximately one ohm, repair open in POWER-TO-PUMP circuit.

Fig 3: Checking POWER-TO-PUMP Circuit Continuity (X18)
G93A40949

90) Code 524/543  Code 524/543 indicates one of the following conditions.



If engine does not start, go to step 91). On all dual HO2S applications, go step 86); on single HO2S applications, replace PCM and repeat QUICK TEST.

91) Check B(+) To Fuel Pump Relay(s)  Turn ignition off. Disconnect CCRM relay. Perform appropriate procedure.

Measure voltage between CCRM wiring harness connector terminal No. 11 and negative battery terminal. If voltage is 10.5 volts or less, repair open in B(+) circuit to CCRM and repeat QUICK TEST. If voltage is more than 10.5 volts, go to next step.

92) Check POWER-TO-PUMP Circuit Continuity  Leave ignition off and CCRM relay disconnected. Measure resistance between CCRM wiring harness connector terminal No. 5 and negative battery terminal. If resistance is more than 10 ohms, repair open in POWER-TO-PUMP circuit. If resistance is 10 ohms or less, replace CCRM and repeat QUICK TEST.

93) Check B(+) To HFP Relay  Turn ignition off. Disconnect CCRM relay. Measure voltage between CCRM wiring harness connector terminal No. 12 and negative battery terminal. If voltage is 10.5 volts or less, repair open in B(+) circuit to CCRM and repeat QUICK TEST. If voltage is more than 10.5 volts, go to next step.

94) Check POWER-TO-PUMP Circuit Continuity  Leave ignition off and CCRM disconnected. Disconnect Inertia Fuel Shutoff (IFS) switch. Measure resistance between CCRM wiring harness connector terminal No. 5 and POWER-TO-PUMP circuit at IFS switch wiring harness connector. If resistance is more than 5 ohms, repair open in POWER-TO-PUMP circuit and repeat QUICK TEST. If resistance is 5 ohms or less, go to next step.

95) Check PCM Ability To Monitor FPM  Leave ignition off and IFS switch disconnected. Reconnect CCRM. Perform KOEO SELF-TEST. If Code 542 is present, replace CCRM and repeat QUICK TEST. If Code 542 is not present, replace PCM and repeat QUICK TEST.

NOTE: A break in step numbering sequence occurs at this point. Procedure skips from step 95) to step 105). No test procedures have been omitted.

105) Continuous Memory Code 542; Check EEC-IV Wiring Harness  Continuous Memory Code 542 indicates one of following intermittent conditions has occurred.

Start engine. Check for engine stall and stumble and listen for fuel pump shutting off while performing following:

Turn ignition off. Inspect fuel pump wiring harness connector and fuel pump ground for corrosion or damage. If fault is found, isolate and repair as necessary and repeat QUICK TEST. If fault is not found, go to next step.

106) Check FPM Circuit  Turn ignition off. Disconnect PCM 60-pin connector. Inspect for damaged and repair as necessary. Install breakout box, leaving PCM disconnected. Turn ignition on. Connect test light between test pin No. 8 and test pin No. 37. Test light should be on. Observe test light while shaking and bending FPM circuit between PCM and splice in POWER-TO-PUMP circuit. Test light will blink or go off if fault is indicated. If fault is indicated, isolate and repair as necessary and repeat QUICK TEST. If no fault is found, go to next step.

107) Check For Short To Power  Leave PCM disconnected. Turn ignition on. Connect test light between test pin No. 8 and test pin No. 40. Test light should be off. Observe test light while shaking and bending FPM and POWER-TO-PUMP circuit. Tap lightly on CCRM to simulate road shock. Test light will turn on if fault is indicated. If fault is indicated, isolate and repair as necessary. Repeat QUICK TEST. On models with dual HO2S, if no fault is found, go to step 116). On models with single HO2S if no fault is found, check individual sensor values. See PIN VOLTAGE CHARTS article in the ENGINE PERFORMANCE section. If all sensor values are okay, go to step 120).

NOTE: A break in step numbering sequence occurs at this point. Procedure skips from step 107) to step 110). No test procedures have been omitted.

110) Continuous Memory Code 524 Or 543: Check For Code 557 Or 556  If Continuous Memory Code 556 or Code 557 is also present, go to step 115). If codes are not present, go to step 111).

111) Check EEC-IV Wiring Harness  Continuous Memory Code 524 or 543, without Continuous Memory Code 557 or 556, indicates one of following intermittent conditions has occurred.

Start engine. Check for indication of engine stall, stumble or fuel pump shutting off while performing following:

Turn ignition off. Inspect CCRM/LFP relay connectors for corrosion or damage. If fault is indicated, isolate and repair as necessary. Repeat QUICK TEST. If fault is not indicated, fault cannot be duplicated or identified at this time.

NOTE: A break in step numbering sequence occurs at this point. Procedure skips from step 111) to step 115). No test procedures have been omitted.

115) Continuous Memory Code 556 Or 557: Check EEC-IV Wiring Harness  Continuous Memory Code 556 or 557 indicates that a fuel pump primary circuit fault has occurred. Following are possible causes for fault.

Start engine. Check for indication of engine stall or stumble and fuel pump shutting off while performing one of following:

If fault is indicated, isolate and repair as necessary. Repeat QUICK TEST. If fault is not indicated on single HO2S models, fault cannot be duplicated or identified at this time. If fault is not indicated on dual HO2S models, go to next step.

NOTE: An intermittent left/front HO2S signal short to power could produce Continuous Memory Code 524, 542 or 543.

116) Check Left/Front HO2S Circuit For Short To Power  Turn ignition off. Disconnect 60-pin PCM connector. Inspect terminals, and repair if damaged. Install EEC-IV Breakout Box (T83L-50-EEC-IV), leaving PCM disconnected.

NOTE: Because of PCM design, left/front HO2S short to power could cause Continuous Memory Code 524, 542 or 543.

Connect test light between left/front HO2S test pin and test pin No. 40. See Figure and Figure for HO2S test pin identification. Turn ignition on. Wiggle and tap HO2S sensor and circuitry. If fault is indicated, test light will turn on brightly. If fault is indicated, isolate and repair as necessary. If fault is not indicated, go to step 120).

NOTE: A break in step numbering sequence occurs at this point. Procedure skips from step 116) to step 120). No test procedures have been omitted.

120) Road Test Vehicle  Purpose of this test is to identify faults by monitoring certain controlled parameters while trying to recreate a drive-ability or MIL symptom. To prepare for road test:

With ignition on and negative lead of DVOM connected to negative battery terminal, ensure following signals are correct: