LEMON Manuals: Even more car manuals for everyone: 1960-2025
Home >> Ford >> 1995 >> Taurus V6-232 3.8L >> Repair and Diagnosis >> Specifications >> Mechanical Specifications >> Engine >> System Specifications >> Intake Manifold
April 5, 2026: LEMON Manuals is launched! Read the announcement.

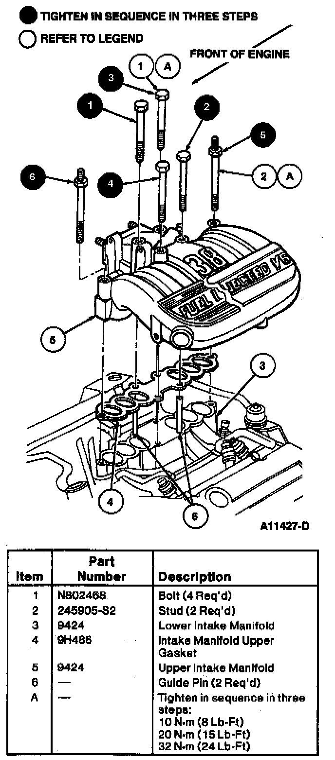
Intake Manifold

Upper Intake Torque & Sequence:





Lower Intake Manifold: