LEMON Manuals: Even more car manuals for everyone: 1960-2025
Home >> Ford >> 1997 >> Escort Base, Automatic >> Repair and Diagnosis >> Body & Frame >> Windows >> Power Window System >> Component Testing >> Single Switch
April 5, 2026: LEMON Manuals is launched! Read the announcement.

Single Switch

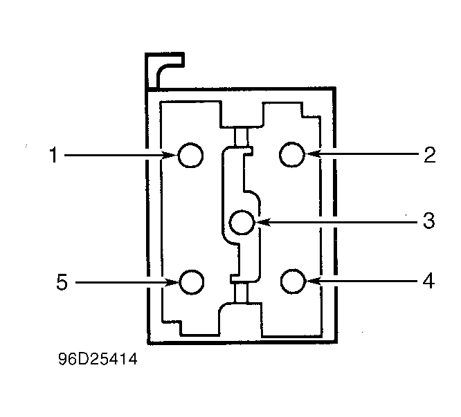
Remove single switch from vehicle. Measure resistance between specified terminals while operating switch. See SINGLE SWITCH TESTING TABLE. See Fig 1. Replace switch if resistance between specified terminals is greater than 5 ohms. DO NOT check resistance between terminals not specified.

SINGLE SWITCH TESTING

Switch Position Continuity Between Terminals No.
Neutral 1 & 5; 2 & 4
Up 2 & 3
Down 3 & 5
Fig 1: Identifying Single Switch Terminals
G96D25414Courtesy of FORD MOTOR CO.