LEMON Manuals: Even more car manuals for everyone: 1960-2025
Home >> Ford >> 1999 >> Taurus SHO >> Repair and Diagnosis >> Brakes >> Traction Control >> Anti-Lock Brake System >> Terminal Identification
April 5, 2026: LEMON Manuals is launched! Read the announcement.

Terminal Identification

Fig 1: Identifying ECU 28-Pin Connector C1057 Terminals
G95D12990Courtesy of FORD MOTOR CO.
Fig 2: Identifying Instrument Panel Fuse Block 36-Pin Connector C235 Terminals
G96D25406Courtesy of FORD MOTOR CO.
Fig 3: Identifying Instrument Panel Fuse Block 22-Pin Connector C225 Terminals
G96E25407Courtesy of FORD MOTOR CO.
Fig 4: Identifying Instrument Cluster 16-Pin Connector C251 Terminals
G96F25408Courtesy of FORD MOTOR CO.
Fig 5: Identifying Instrument Cluster 16-Pin Connector C250 Terminals
G96G25409Courtesy of FORD MOTOR CO.
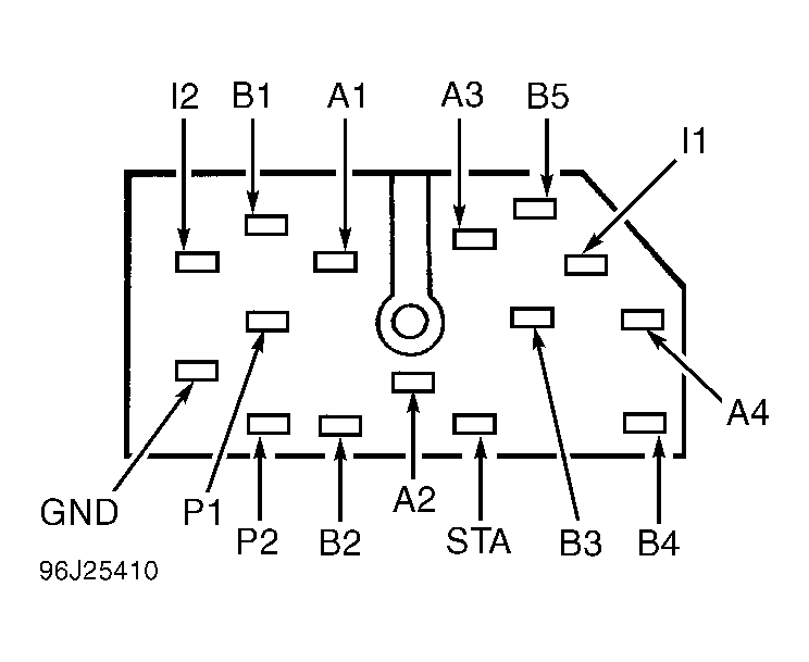
Fig 6: Identifying Ignition Switch 15-Pin Connector C299 Terminals
G96J25410Courtesy of FORD MOTOR CO.