LEMON Manuals: Even more car manuals for everyone: 1960-2025
Home >> Ford >> 2000 >> Excursion 2WD V10-6.8L VIN S >> Repair and Diagnosis >> Diagrams >> Exploded Views >> Automatic Transmission/Transaxle
April 5, 2026: LEMON Manuals is launched! Read the announcement.

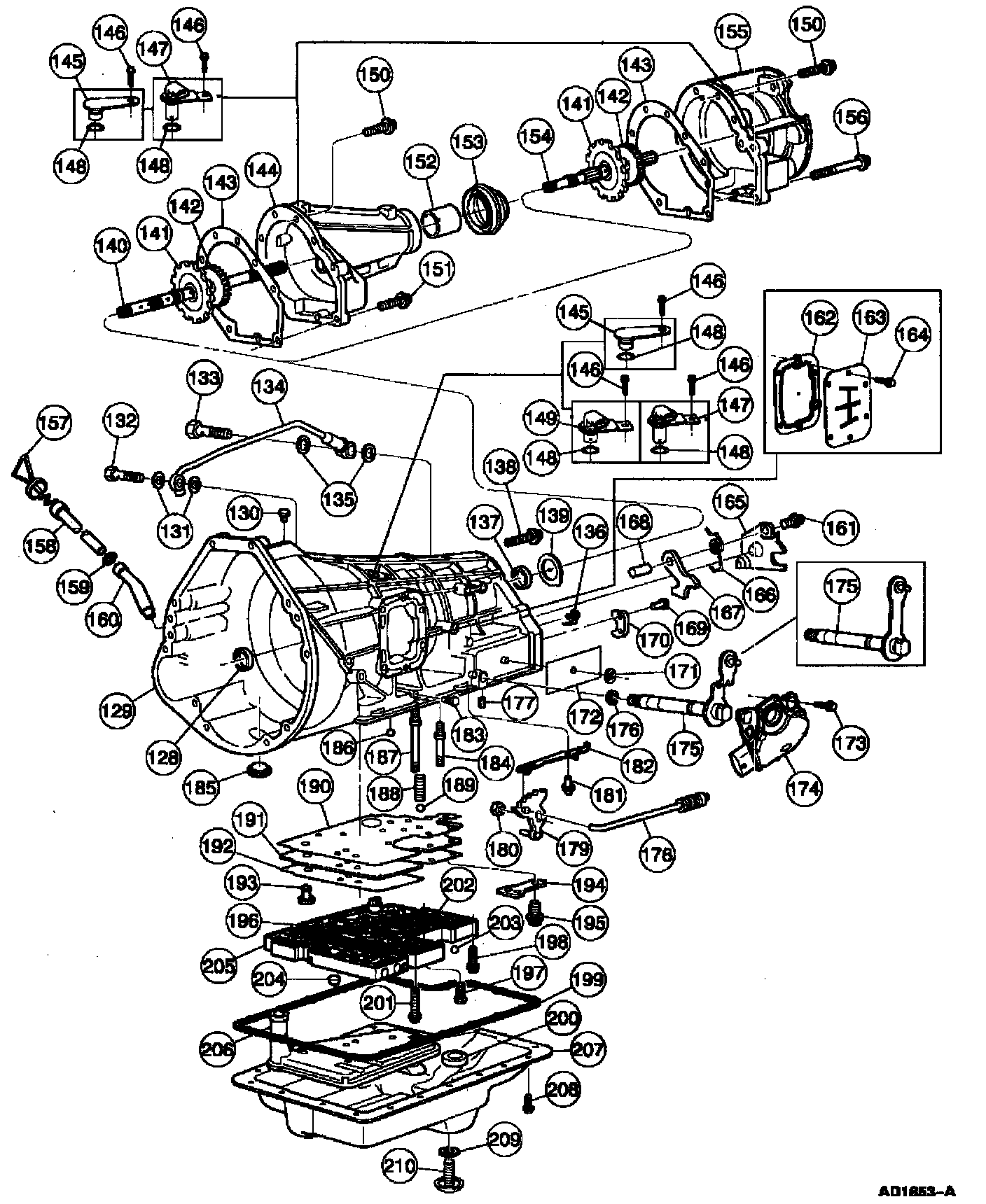
Automatic Transmission/Transaxle





1 of 8





2 of 8





3 of 8





4 of 8





5 of 8





6 of 8





7 of 8





8 of 8