LEMON Manuals: Even more car manuals for everyone: 1960-2025
Home >> Ford >> 2000 >> Taurus V6-3.0L VIN U >> Repair and Diagnosis >> Powertrain Management >> Computers and Control Systems >> Main Relay (Computer/Fuel System) >> Testing and Inspection
April 5, 2026: LEMON Manuals is launched! Read the announcement.

Main Relay (Computer/Fuel System): Testing and Inspection

Component Testing Instructions

Component testing procedures are provided to determine whether a component is good or bad.

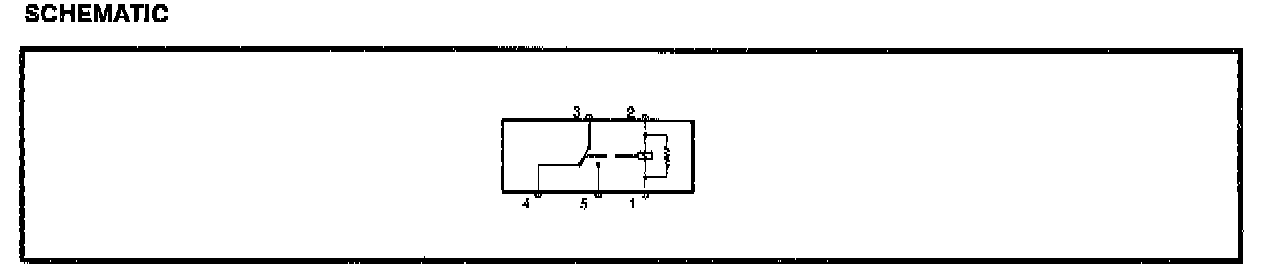
Testing information for each component includes a schematic with component terminal locations and step-by-step test procedures. Component terminals are identified by letters or numbers that may be marked on the component or callout if there is no mark on the component.







The component connector MUST BE REMOVED before testing. To test a single circuit within the component, select that circuit under the column TO TEST. If you wish to test the complete component, perform all tests.

Connect the tester to the terminals shown in the second column and operate the component in the third column.
















COMPONENT TESTING PROCEDURE (voltage applied)

Disconnect the ohmmeter; connect pins 2 and 3 to 12 V DC power and pin 1 to ground. Measure voltage between pin 5 and pin 1. If the voltage is 12 V, continue with the test. If not, replace the relay. Disconnect power from pin 2 and measure voltage between pin 4 and pin 1. If the voltage is 12 V, the relay is okay. It not, replace the relay.