LEMON Manuals: Even more car manuals for everyone: 1960-2025
Home >> Ford >> 2000 >> Taurus V6-3.0L VIN U >> Repair and Diagnosis >> Powertrain Management >> Computers and Control Systems >> Testing and Inspection >> Pinpoint Tests >> Tests KB: Fuel Pump Driver Module (FPDM)
April 5, 2026: LEMON Manuals is launched! Read the announcement.

Tests KB: Fuel Pump Driver Module (FPDM)




NOTE
This Pinpoint Test is intended to diagnose the following:
- Harness circuits: VPWR, GND and B+ to FPDM power supply relay; GND to FPDM; FPM; FP; FP PWR; FP RTN: FPDM PWR
- Inertia Fuel Shutoff (IFS) switch
- Fuel Pump Driver Module (FPDM)
- FPDM power supply relay
- Powertrain Control Module (PCM)

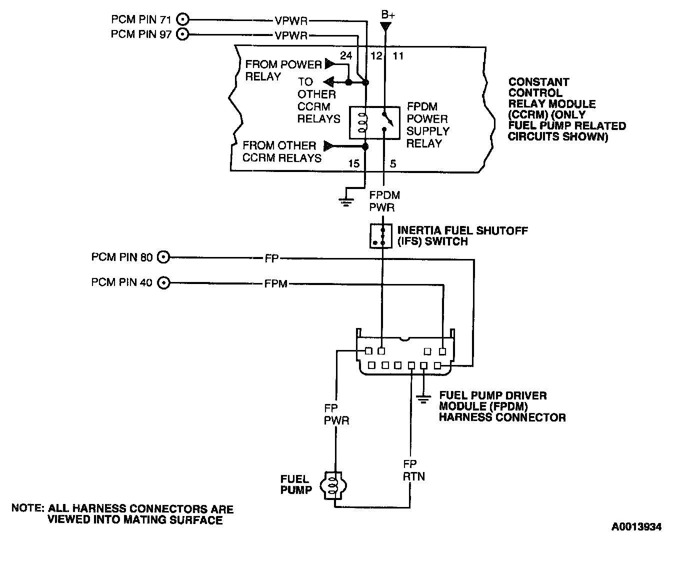
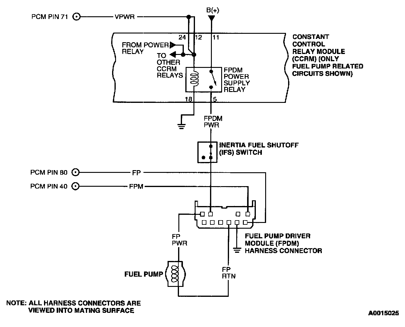
Pinpoint Test Schematics and connectors

Escort (CCRM And FPDM):









Mustang (CCRM FPDM):





Continental (FPDM):





LS6/LS8 (Fuel Pump Relay and REM Connectors):






Pinpoint Tests