LEMON Manuals: Even more car manuals for everyone: 1960-2025
Home >> Ford >> 2001 >> Mustang Base, 2D Convertible, Standard >> Repair and Diagnosis >> External Pages >> Different car >> Section 1130 (Component Testing) >> Component Testing >> Front passenger window/door lock switch >> Schematic
April 5, 2026: LEMON Manuals is launched! Read the announcement.

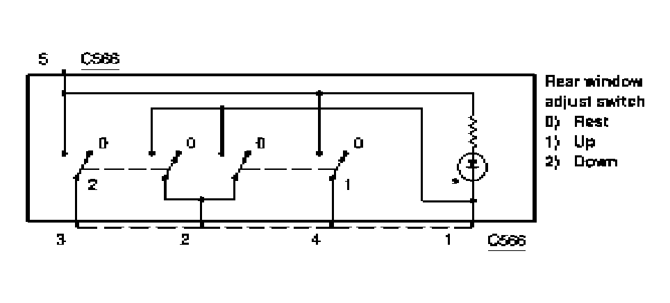
Front passenger window/door lock switch: Schematic

WARNING: This page is about a different car, the 2005 Ford Mustang. However, it is still accessible from the selected car via links, so may be relevant.
Fig 1: Front Passenger Window/Door Lock Switch - Schematic
G03987857Courtesy of FORD MOTOR CO.