LEMON Manuals: Even more car manuals for everyone: 1960-2025
Home >> Ford >> 2003 >> Excursion 2WD V10-6.8L VIN S >> Repair and Diagnosis >> Diagrams >> Exploded Views >> Automatic Transmission/Transaxle >> 4R100 >> Disassembled Views
April 5, 2026: LEMON Manuals is launched! Read the announcement.

Disassembled Views

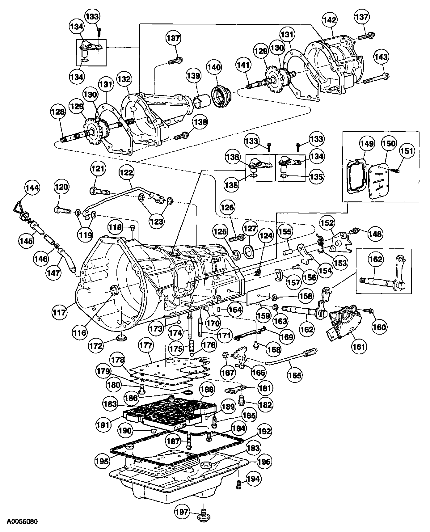
Transmission, Disassembled View

Part 1 Of 9:




Part 2 Of 9:




Part 3 Of 9:




Part 4 Of 9:




Part 5 Of 9:




Part 6 Of 9:




Part 7 Of 9:




Part 8 Of 9:




Part 9 Of 9: