LEMON Manuals: Even more car manuals for everyone: 1960-2025
Home >> Ford >> 2003 >> Excursion 2WD V10-6.8L VIN S >> Repair and Diagnosis >> Powertrain Management >> Computers and Control Systems >> Testing and Inspection >> Pinpoint Tests >> Tests KB: Fuel Pump Driver Module (FPDM)
April 5, 2026: LEMON Manuals is launched! Read the announcement.

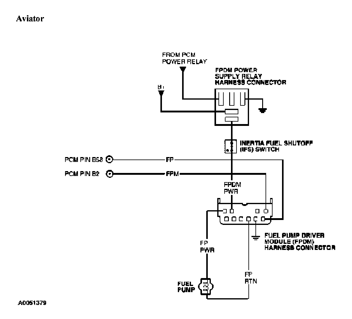
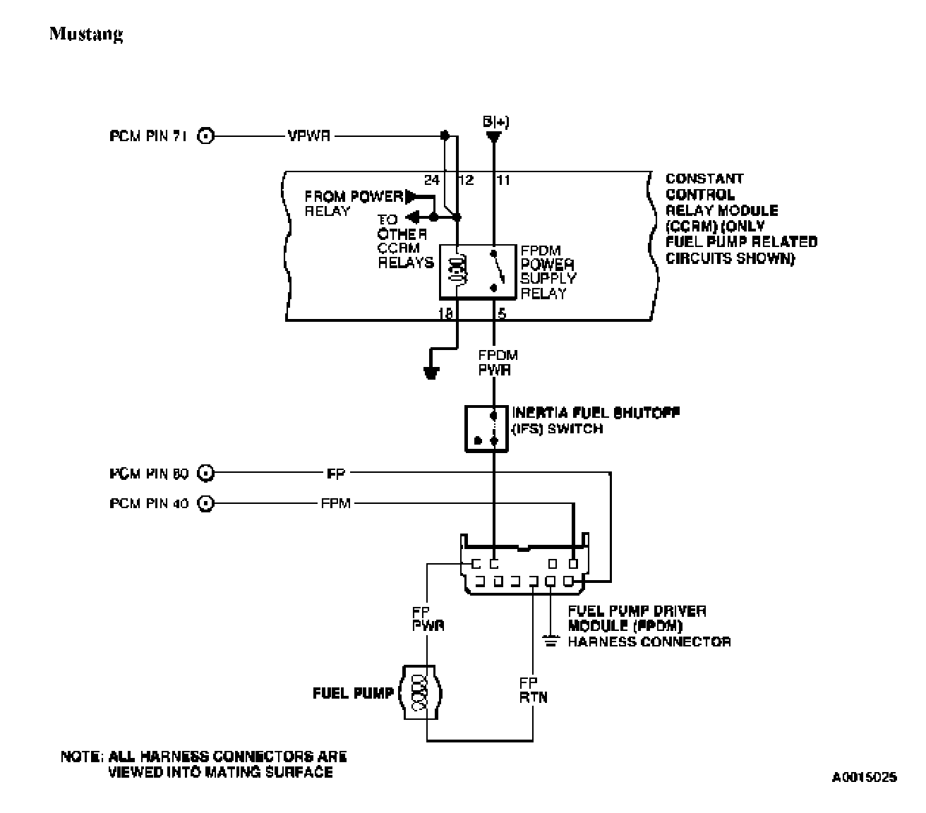
Tests KB: Fuel Pump Driver Module (FPDM)



KB INTRODUCTION 1 OF 6:





KB INTRODUCTION 2 OF 6:





KB INTRODUCTION 3 OF 6:





KB INTRODUCTION 4 OF 6:





KB INTRODUCTION 5 OF 6:





KB INTRODUCTION 6 OF 6:





KB1 - KB2:





KB3:





KB4 - KB5:





KB6 - KB8:





KB9 - KB11:





KB13 - KB16:





KB17 - KB18:





KB25:





KB30 - KB31:





KB32 - KB34:





KB36 - KB38:





KB40 - KB42:





KB45 - KB47:





KB48 - KB50:





KB51 - KB52:





KB54 - KB56:





KB57 - KB58:





KB59 - KB61:





KB62 - KB64:





KB65 - KB67:





KB68 - KB69:





KB70 - KB71:





KB72 - KB73:





KB75 - KB76:





KB80 - KB85:





KB86: