LEMON Manuals: Even more car manuals for everyone: 1960-2025
Home >> Ford >> 2003 >> Excursion 7.3 F, 4WD >> Repair and Diagnosis >> External Pages >> Different car >> Section 385 (Electronic Feature) >> Diagnosis And Testing >> Navigation System >> Symptom Chart >> Connector Circuit Reference >> Audio Unit C2253c
April 5, 2026: LEMON Manuals is launched! Read the announcement.

Audio Unit C2253c

WARNING: This page is about a different car, the 2004 Lincoln LS. However, it is still accessible from the selected car via links, so may be relevant.
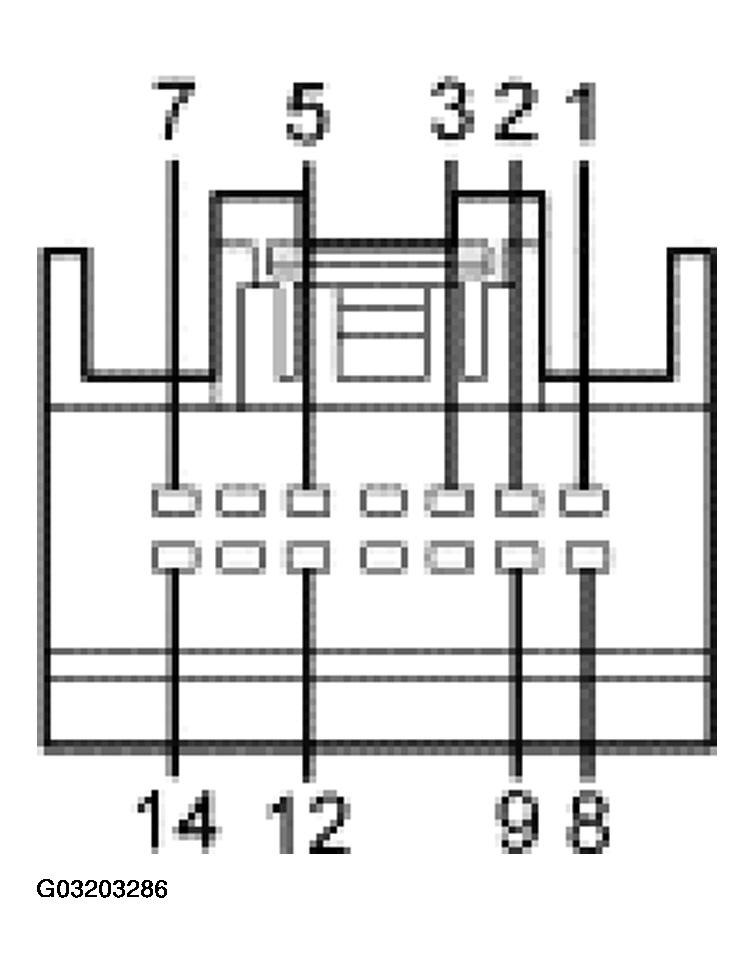
Fig 1: Identifying Audio Unit C2253C Connector Terminals
G03203286Courtesy of FORD MOTOR CO.
C2253C CONNECTOR REFERENCE CHART

Pin Number(s) Circuit Designation/Description Normal Condition/Measurement
1 10-GK24 (GY/RD) video circuit RED Less than 5 ohms between the navigation system module and the audio unit with the navigation system module disconnected. Greater than 10,000 ohms between the audio unit and ground with the navigation system module disconnected.
2 10-GK25 (GY/OG) video circuit GREEN Less than 5 ohms between the navigation system module and the audio unit with the navigation system module disconnected. Greater than 10,000 ohms between the audio unit and ground with the navigation system module disconnected.
3 9-GK35 (BN) video return Less than 5 ohms between the navigation system module and the audio unit with the navigation system module disconnected. Greater than 10,000 ohms between the audio unit and ground with the navigation system module disconnected.
5 1-GK18 (WH/BU) navigation system voice (+) Less than 5 ohms between the navigation system module and the audio unit with the navigation system module disconnected. Greater than 10,000 ohms between the audio unit and ground with the navigation system module disconnected.
7 4-GK8 (GY/BK) controller area network (CAN) (+) communication Less than 5 ohms between the navigation system module and the audio unit with the navigation system module disconnected. Greater than 10,000 ohms between the audio unit and ground with the navigation system module disconnected.
8 10-GK26 (GY/VT) video circuit BLUE Less than 5 ohms between the navigation system module and the audio unit with the navigation system module disconnected. Greater than 10,000 ohms between the audio unit and ground with the navigation system module disconnected.
9 8-GK35 (WH) video synchronization circuit Less than 5 ohms between the navigation system module and the audio unit with the navigation system module disconnected. Greater than 10,000 ohms between the audio unit and ground with the navigation system module disconnected.
12 2-GK18(GY/VT) navigation system voice (-) Less than 5 ohms between the navigation system module and the audio unit with the navigation system module disconnected. Greater than 10,000 ohms between the audio unit and ground with the navigation system module disconnected.
14 5-GK8 (BU/YE) controller area network (CAN) (-) communication Less than 5 ohms between the navigation system module and the audio unit with the navigation system module disconnected. Greater than 10,000 ohms between the audio unit and ground with the navigation system module disconnected.