LEMON Manuals: Even more car manuals for everyone: 1960-2025
Home >> Ford >> 2004 >> Excursion 6.0 P, 4WD >> Repair and Diagnosis >> External Pages >> Different car >> Section 1123 (Component Testing) >> Component Testing >> Master window adjust switch (14540) >> Schematic
April 5, 2026: LEMON Manuals is launched! Read the announcement.

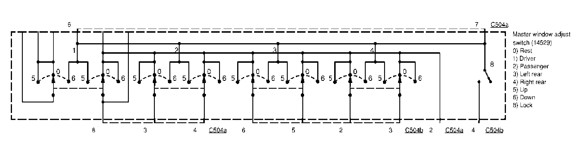
Master window adjust switch (14540): Schematic

WARNING: This page is about a different car, the 2006 Ford F550 Super Duty, 2006 Ford F450 Super Duty, and 2006 Ford Cab & Chassis. However, it is still accessible from the selected car via links, so may be relevant.
Fig 1: Master Window Adjust Switch (14540) - Schematic
G04598980Courtesy of FORD MOTOR CO.