LEMON Manuals: Even more car manuals for everyone: 1960-2025
Home >> Ford >> 2006 >> Taurus SE, 3.0 U >> Repair and Diagnosis >> Steering >> Steering Column >> Disassembly And Assembly >> Steering Column - Console Shift >> Notes
April 5, 2026: LEMON Manuals is launched! Read the announcement.

Steering Column - Console Shift: Notes

SPECIAL TOOL(S) DESCRIPTION CHART

G04708911Courtesy of FORD MOTOR CO.
Steering Column Locking Lever Tool
(Shop Fabricated)
MATERIAL SPECIFICATION

Item Specification
Premium Long-Life Grease
XG-1-C
ESA-M1C75-B
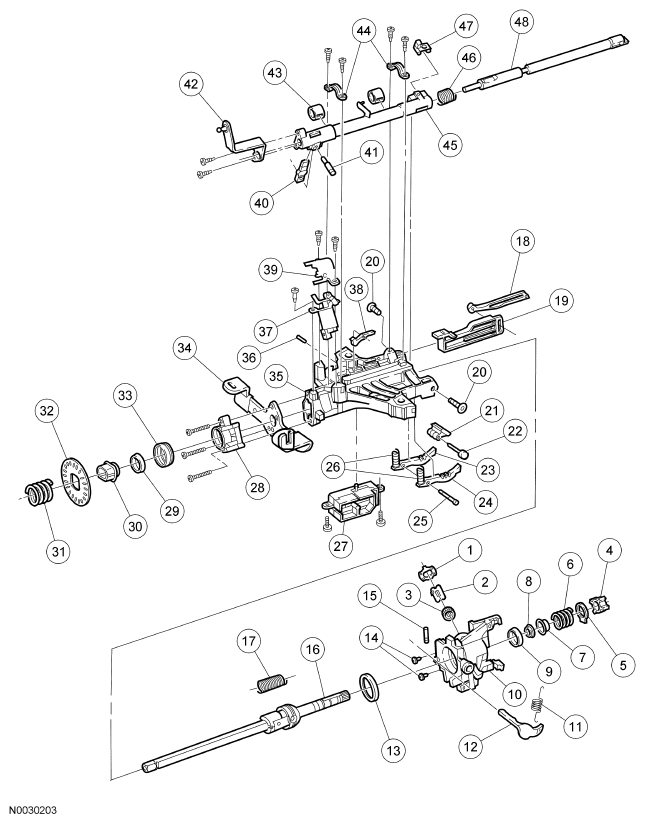
Fig 1: Exploded View Of Steering Column - Console Shift
G04708912Courtesy of FORD MOTOR CO.
Fig 2: Identifying Steering Column - Console Shift Legends Description
G04708913Courtesy of FORD MOTOR CO.