LEMON Manuals: Even more car manuals for everyone: 1960-2025
Home >> Ford >> 2007 >> Edge SE, FWD >> Repair and Diagnosis >> Accessories & Equipment >> Accessories Control Systems >> Component Testing >> Component Testing >> Power window switch, RH side front - MKX >> Schematic
April 5, 2026: LEMON Manuals is launched! Read the announcement.

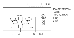
Power window switch, RH side front - MKX: Schematic

Fig 1: Power Window Switch, RH Side Front - MKX - Schematic
G05178970Courtesy of FORD MOTOR CO.