LEMON Manuals: Even more car manuals for everyone: 1960-2025
Home >> Ford >> 2007 >> Focus ST >> Repair and Diagnosis >> Accessories & Equipment >> Accessories Control Systems >> Component Testing >> Component testing >> Multifunction switch (13K359) >> Schematic
April 5, 2026: LEMON Manuals is launched! Read the announcement.

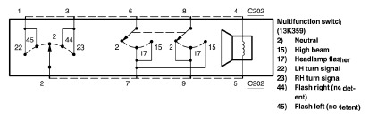
Multifunction switch (13K359): Schematic

Fig 1: Multifunction Switch (13K359) - Schematic
G05180392Courtesy of FORD MOTOR CO.