LEMON Manuals: Even more car manuals for everyone: 1960-2025
Home >> Ford >> 2009 >> Edge SE, AWD >> Repair and Diagnosis >> External Pages >> Different car >> Section 1405 (Component Testing) >> Component Testing >> Overhead console - Roof opening panel control switch >> Schematic
April 5, 2026: LEMON Manuals is launched! Read the announcement.

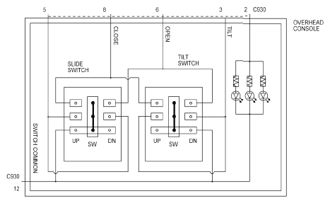
Overhead console - Roof opening panel control switch: Schematic

WARNING: This page is about a different car, the 2009 Mercury Sable, 2009 Ford Taurus X, and 2009 Ford Taurus. However, it is still accessible from the selected car via links, so may be relevant.
Fig 1: Overhead Console - Roof Opening Panel Control Switch Schematic
G05789885Courtesy of FORD MOTOR CO.