LEMON Manuals: Even more car manuals for everyone: 1960-2025
Home >> Ford >> 2009 >> Edge SE, AWD >> Repair and Diagnosis >> External Pages >> Different car >> Section 1936 (Component Testing) >> Component Testing >> Relay - Ultra Micro ISO >> Schematic
April 5, 2026: LEMON Manuals is launched! Read the announcement.

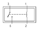
Relay - Ultra Micro ISO: Schematic

WARNING: This page is about a different car, the 2010 Lincoln MKX and 2010 Ford Edge. However, it is still accessible from the selected car via links, so may be relevant.
Fig 1: Relay - Ultra Micro ISO Schematic
G06287056Courtesy of FORD MOTOR CO.