LEMON Manuals: Even more car manuals for everyone: 1960-2025
Home >> Ford >> 2009 >> Expedition 2WD V8-5.4L >> Repair and Diagnosis >> Starting and Charging >> Starting System >> Ignition Switch >> Service and Repair
April 5, 2026: LEMON Manuals is launched! Read the announcement.

Ignition Switch: Service and Repair




Ignition Switch

Power Tilt Column










Manual Tilt Column









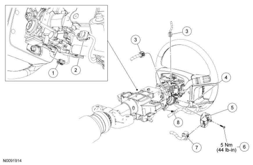
All vehicles

1. Depower the Supplemental Restraint System (SRS). For additional information, refer to Air Bag Systems.

2. Remove the steering column shroud.

Vehicles with manual tilt

3. Position the steering column in the full down position.

4. Remove the steering wheel.

All vehicles

5. Detach the wiring harness retainer from the steering column.

6. Disconnect the following electrical connectors.
- Multifunction switch (2)

- Clockspring

- Passive Anti-Theft System (PATS) connector

- Key release interlock actuator (if equipped)

7. Disconnect the ignition switch electrical connector.

Vehicles with manual tilt

8. Remove the 3 bolts and the multifunction switch carrier.

All vehicles

9. Remove the screw and the ignition switch.
- To install, tighten to 5 Nm (44 lb-in).

10. NOTICE: Make sure the electrical wiring harness is routed correctly and secured to the steering column or damage to the wires and/or connectors may occur.

To install, reverse the removal procedure.

11. Repower the SRS. For additional information, refer to Air Bag Systems.