LEMON Manuals: Even more car manuals for everyone: 1960-2025
Home >> Ford >> 2010 >> Flex AWD V6-3.5L >> Repair and Diagnosis >> Diagrams >> Exploded Views >> Automatic Transmission/Transaxle >> System Diagram >> Disassembled Views
April 5, 2026: LEMON Manuals is launched! Read the announcement.

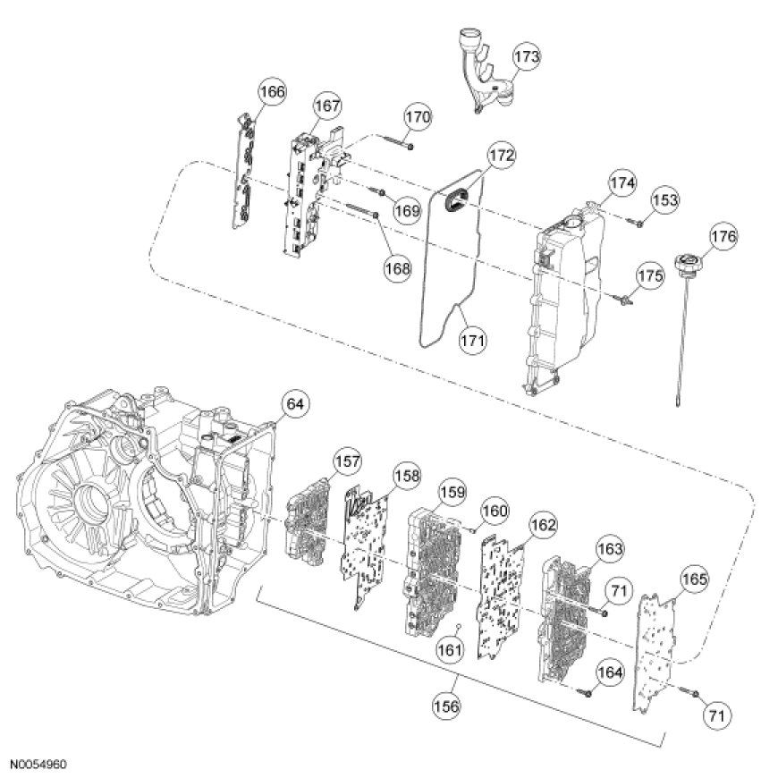
Disassembled Views




Transaxle

Disassembled Views