LEMON Manuals: Even more car manuals for everyone: 1960-2025
Home >> Ford >> 2010 >> Transit Connect Van Passenger >> Repair and Diagnosis >> Accessories & Equipment >> Accessories Control Systems >> Component Testing >> Component Testing >> Main light switch >> Schematic
April 5, 2026: LEMON Manuals is launched! Read the announcement.

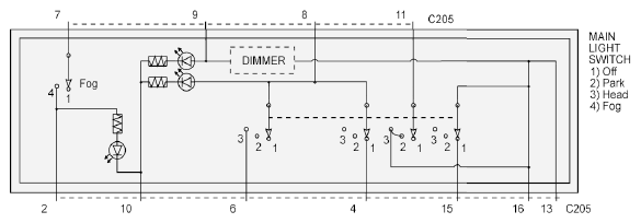
Main light switch: Schematic

Fig 1: Main Light Switch - Schematic
G06380928Courtesy of FORD MOTOR CO.