LEMON Manuals: Even more car manuals for everyone: 1960-2025
Home >> Ford >> 2011 >> Explorer Base, AWD, 6F55 >> Repair and Diagnosis >> Accessories & Equipment >> Accessories Control Systems >> Component Testing >> Introduction >> Roof opening panel control switch >> Schematic
April 5, 2026: LEMON Manuals is launched! Read the announcement.

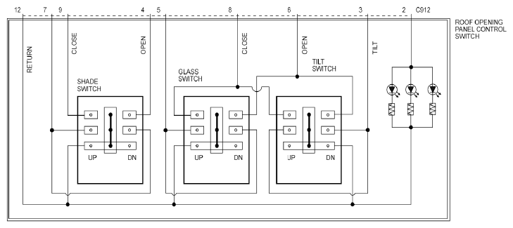
Roof opening panel control switch: Schematic

Fig 1: Roof Opening Panel Control Switch - Schematic
G07327823Courtesy of FORD MOTOR CO.