LEMON Manuals: Even more car manuals for everyone: 1960-2025
Home >> Ford >> 2011 >> F 150 2WD V6-3.7L >> Repair and Diagnosis >> Powertrain Management >> Computers and Control Systems >> Information Bus >> Testing and Inspection >> Pinpoint Tests >> Pinpoint Test I: The Body Control Module (BCM) Does Not Respond To The Scan Tool
April 5, 2026: LEMON Manuals is launched! Read the announcement.

Pinpoint Test I: The Body Control Module (BCM) Does Not Respond To The Scan Tool




Communications Network

Pinpoint Tests

Pinpoint Test I: The Body Control Module (BCM) Does Not Respond To The Scan Tool

Refer to Wiring Diagram Set 13, Power Distribution/BCM for schematic and connector information. Diagrams By Number

Refer to Wiring Diagram Set 14, Module Communications Network for schematic and connector information. Diagrams By Number

Normal Operation

The Body Control Module (BCM) communicates with the scan tool through the Medium Speed Controller Area Network (MS-CAN).

This pinpoint test is intended to diagnose the following:

- Fuse
- Wiring, terminals or connectors
- BCM

PINPOINT TEST I: THE BCM DOES NOT RESPOND TO THE SCAN TOOL

NOTICE: Use the correct probe adapter(s) when making measurements. Failure to use the correct probe adapter(s) may damage the connector.

NOTE: Failure to disconnect the battery when instructed results in false resistance readings. Refer to Battery, Mounting and Cables Battery Disconnect.

-------------------------------------------------
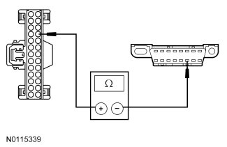
I1 CHECK THE HS-CAN TERMINATION RESISTANCE

- Ignition OFF.
- Disconnect: Negative Battery Cable.
- Disconnect the scan tool cable from the Data Link Connector (DLC).
- Measure the resistance between the DLC C251-6, circuit VDB04 (WH/BU), harness side and the DLC C251-14, circuit VDB05 (WH), harness side.




- Is the resistance between 54 and 66 ohms?

Yes
CONNECT the negative battery cable. GO to I2.

No
GO to I4.

-------------------------------------------------
I2 CHECK THE BCM FUSE FOR VOLTAGE

NOTE: Measurements are taken with the fuses installed.

- Ignition OFF.
- Measure the voltage between the back of the BCM fuse 18 (10A) terminals (both sides) and ground.




- Are the voltages greater than 10 volts?

Yes
GO to I3.

No
VERIFY the BCM fuse 18 (10A) is OK. If OK, GO to I6.

-------------------------------------------------
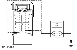
I3 CHECK THE BCM GROUND CIRCUIT FOR AN OPEN

- Disconnect: Negative Battery Cable.
- Disconnect: BCM C2280D.
- Measure the resistance between the BCM, harness side and ground as follows:








- Are the resistances less than 5 ohms?

Yes
GO to I5.

No
REPAIR the circuit. CONNECT the negative battery cable. CLEAR the DTCs. REPEAT the network test with the scan tool.

-------------------------------------------------
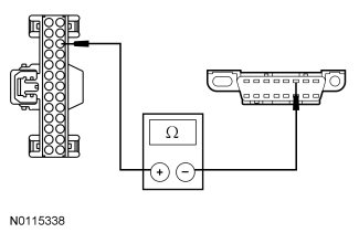
I4 CHECK THE HS-CAN CIRCUITS BETWEEN THE BCM AND THE DLC FOR AN OPEN

- Disconnect: BCM C2280F.
- Measure the resistance between the BCM C2280F-16, circuit VDB04 (WH/BU), harness side and the Data Link Connector (DLC) C251-6, circuit VDB04 (WH/BU), harness side.




- Measure the resistance between the BCM C2280F-17, circuit VDB05 (WH), harness side and the DLC C251-14, circuit VDB05 (WH), harness side.




- Are the resistances less than 5 ohms?

Yes
GO to I6.

No
REPAIR the circuit in question. CONNECT the negative battery cable. CLEAR the DTCs. REPEAT the network test with the scan tool.

-------------------------------------------------
I5 CHECK THE MS-CAN CIRCUITS BETWEEN THE BCM AND THE DLC FOR AN OPEN

- Disconnect: BCM C2280B.
- Measure the resistance between the BCM C2280B-38, circuit VDB06 (GY/OG), harness side and the Data Link Connector (DLC) C251-3, circuit VDB06 (GY/OG), harness side.




- Measure the resistance between the BCM C2280B-39, circuit VDB07 (VT/OG), harness side and the DLC C251-11, circuit VDB07 (VT/OG), harness side.




- Are the resistances less than 5 ohms?

Yes
CONNECT the negative battery cable. GO to I6.

No
REPAIR the circuit in question. CONNECT the negative battery cable. CLEAR the DTCs. REPEAT the network test with the scan tool.

-------------------------------------------------
I6 CHECK FOR CORRECT BCM OPERATION

- Disconnect all the BCM connectors.
- Check for:
- corrosion
- damaged pins
- pushed-out pins
- Connect all the BCM connectors and make sure they seat correctly.
- Operate the system and verify the concern is still present.
- Is the concern still present?

Yes
INSTALL a new BCM. REFER to Multifunction Electronic Modules Service and Repair. CLEAR the DTCs. REPEAT the network test with the scan tool.

No
The system is operating correctly at this time. The concern may have been caused by a loose or corroded connector.

-------------------------------------------------