LEMON Manuals: Even more car manuals for everyone: 1960-2025
Home >> Ford >> 2011 >> F 150 2WD V6-3.7L >> Repair and Diagnosis >> Powertrain Management >> Computers and Control Systems >> Information Bus >> Testing and Inspection >> Pinpoint Tests >> Pinpoint Test V: The Steering Column Control Module (SCCM) Does Not Respond To The Scan Tool
April 5, 2026: LEMON Manuals is launched! Read the announcement.

Pinpoint Test V: The Steering Column Control Module (SCCM) Does Not Respond To The Scan Tool




Communications Network

Pinpoint Tests

Pinpoint Test V: The Steering Column Control Module (SCCM) Does Not Respond To The Scan Tool

Refer to Wiring Diagram Set 14, Module Communications Network for schematic and connector information. Diagrams By Number

Refer to Wiring Diagram Set 44, Horn/Cigar Lighter for schematic and connector information. Diagrams By Number

Normal Operation

The Steering Column Control Module (SCCM) communicates with the scan tool through the High Speed Controller Area Network (HS-CAN).

This pinpoint test is intended to diagnose the following:

- Fuse
- Wiring, terminals or connectors
- SCCM

PINPOINT TEST V: THE SCCM DOES NOT RESPOND TO THE SCAN TOOL

NOTE: Failure to disconnect the battery when instructed results in false resistance readings. Refer to Battery, Mounting and Cables Battery Disconnect.

-------------------------------------------------
V1 CHECK THE SCCM VOLTAGE SUPPLY CIRCUIT FOR AN OPEN

- Disconnect: SCCM C2414A and C2414B.
- Ignition ON.
- Measure the voltage between the SCCM C2414A-10, circuit SBP23 (WH/RD), harness side and ground.




- Is the voltage greater than 10 volts?

Yes
GO to V2.

No
VERIFY the Body Control Module (BCM) fuse 23 (15A) is OK. If OK, REPAIR the circuit in question. If not OK, REFER to the Wiring Diagrams to identify the possible causes of the circuit short. CLEAR the DTCs. REPEAT the network test with the scan tool. Diagrams By Number

-------------------------------------------------
V2 CHECK THE SCCM GROUND CIRCUIT FOR AN OPEN

- Ignition OFF.
- Disconnect: Negative Battery Cable.
- Measure the resistance between the SCCM C2414A-13, circuit GD133 (BK), harness side and ground.




- Is the resistance less than 5 ohms?

Yes
GO to V3.

No
REPAIR the circuit in question. CONNECT the negative battery cable. CLEAR the DTCs. REPEAT the network test with the scan tool.

-------------------------------------------------
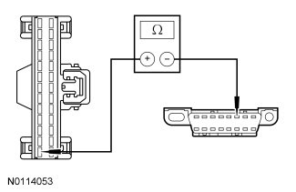
V3 CHECK THE HS-CAN CIRCUITS BETWEEN THE SCCM AND THE DLC FOR AN OPEN

- Measure the resistance between the SCCM C2414A-14, circuit VDB04 (WH/BU), harness side and the Data Link Connector (DLC) C251-6, circuit VDB04 (WH/BU), harness side.




- Measure the resistance between the SCCM C2414A-15, circuit VDB05 (WH), harness side and the DLC C251-14, circuit VDB05 (WH), harness side.




- Are the resistances less than 5 ohms?

Yes
GO to V4.

No
REPAIR the circuit in question. CONNECT the negative battery cable. CLEAR the DTCs. REPEAT the network test with the scan tool.

-------------------------------------------------
V4 CHECK FOR CORRECT SCCM OPERATION

- Disconnect all the SCCM connectors.
- Check for:
- corrosion
- damaged pins
- pushed-out pins
- Connect all the SCCM connectors and make sure they seat correctly.
- Operate the system and verify the concern is still present.
- Is the concern still present?

Yes
INSTALL a new SCCM. REFER to Steering Column Switches Service and Repair. CLEAR the DTCs. REPEAT the network test with the scan tool.

No
The system is operating correctly at this time. The concern may have been caused by a loose or corroded connector.

-------------------------------------------------