LEMON Manuals: Even more car manuals for everyone: 1960-2025
Home >> Ford >> 2011 >> Transit Connect Van Cargo >> Repair and Diagnosis >> Accessories & Equipment >> Accessories Control Systems >> Component Testing >> Introduction >> Main light switch >> Schematic
April 5, 2026: LEMON Manuals is launched! Read the announcement.

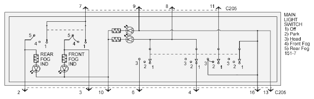
Main light switch: Schematic

Fig 1: Main Light Switch - Schematic
G07337210Courtesy of FORD MOTOR CO.