LEMON Manuals: Even more car manuals for everyone: 1960-2025
Home >> Ford >> 2012 >> F 150 2WD V8-5.0L >> Repair and Diagnosis >> Powertrain Management >> Computers and Control Systems >> Information Bus >> Testing and Inspection >> Pinpoint Tests >> Pinpoint Test L: The Audio Digital Signal Processing (DSP) Module Does Not Respond To The Scan Tool
April 5, 2026: LEMON Manuals is launched! Read the announcement.

Pinpoint Test L: The Audio Digital Signal Processing (DSP) Module Does Not Respond To The Scan Tool




Communications Network

Pinpoint Test L: The Audio Digital Signal Processing (DSP) Module Does Not Respond To The Scan Tool

Normal Operation

The audio Digital Signal Processing (DSP) module communicates with the scan tool through the Medium Speed Controller Area Network (MS-CAN).

This pinpoint test is intended to diagnose the following:

- Fuse

- Wiring, terminals or connectors

- Audio DSP (Digital Signal Processing) module

PINPOINT TEST L : THE AUDIO DSP (Digital Signal Processing) MODULE DOES NOT RESPOND TO THE SCAN TOOL

NOTICE: Use the correct probe adapter(s) when making measurements. Failure to use the correct probe adapter(s) may damage the connector.
NOTE: Failure to disconnect the battery when instructed results in false resistance readings.

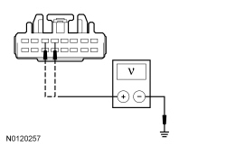
L1 CHECK THE AUDIO DSP (Digital Signal Processing) MODULE VOLTAGE SUPPLY CIRCUITS FOR AN OPEN

- Ignition OFF.

- Disconnect: Audio DSP (Digital Signal Processing) Module C3154C.

- Ignition ON.

- Measure the voltage between the audio DSP (Digital Signal Processing) module, harness side and ground as follows:

Connector-Pin Circuit C3154C-5 SBP19 (BU/RD) C3154C-6 SBP19 (BU/RD)








Are the voltages greater than 10 volts?

Yes
GO to L2.
No
VERIFY the Body Control Module (BCM) fuse 19 (20A) is OK. If OK, REPAIR the circuit in question. If not OK, REFER to the Wiring Diagrams to identify the possible causes of the circuit short [1][2]Diagrams By Number. CLEAR the DTCs. REPEAT the network test with the scan tool.

L2 CHECK THE AUDIO DSP (Digital Signal Processing) MODULE GROUND CIRCUITS FOR AN OPEN

- Ignition OFF.

- Disconnect: Negative Battery Cable.

- Measure the resistance between the audio DSP (Digital Signal Processing) module, harness side and ground as follows:

Connector-Pin Circuit C3154C-15 GD148 (BK/YE) C3154C-16 GD148 (BK/YE)








Are the resistances less than 5 ohms?

Yes
GO to L3.
No
REPAIR the circuit in question. CONNECT the negative battery cable. CLEAR the DTCs. REPEAT the network test with the scan tool.

L3 CHECK THE MS-CAN (Medium Speed Controller Area Network) CIRCUITS BETWEEN THE AUDIO DSP (Digital Signal Processing) MODULE AND THE DLC (Data Link Connector) FOR AN OPEN

- Disconnect: Audio DSP (Digital Signal Processing) Module C3154A.

- Measure the resistance between the audio DSP (Digital Signal Processing) module C3154A-1, circuit VDB06 (GY/OG), harness side and the Data Link Connector (DLC) C251-3, circuit VDB06 (GY/OG), harness side.






- Measure the resistance between the audio DSP (Digital Signal Processing) module C3154A-11, circuit VDB07 (VT/OG), harness side and the DLC (Data Link Connector) C251-11, circuit VDB07 (VT/OG), harness side.






Are the resistances less than 5 ohms?

Yes
CONNECT the negative battery cable. GO to L4.
No
REPAIR the circuit in question. CONNECT the negative battery cable. CLEAR the DTCs. REPEAT the network test with the scan tool.

L4 CHECK FOR CORRECT AUDIO DSP (Digital Signal Processing) MODULE OPERATION

- Disconnect all the audio DSP (Digital Signal Processing) module connectors.

- Check for:
- corrosion

- damaged pins

- pushed-out pins


- Connect all the audio DSP (Digital Signal Processing) module connectors and make sure they seat correctly.

- Operate the system and verify the concern is still present.

Is the concern still present?

Yes
INSTALL a new audio DSP (Digital Signal Processing) module. CLEAR the DTCs. REPEAT the network test with the scan tool.
No
The system is operating correctly at this time. The concern may have been caused by a loose or corroded connector.