LEMON Manuals: Even more car manuals for everyone: 1960-2025
Home >> Ford >> 2012 >> F 150 2WD V8-5.0L >> Repair and Diagnosis >> Powertrain Management >> Computers and Control Systems >> Information Bus >> Testing and Inspection >> Pinpoint Tests >> Pinpoint Test V: The Steering Column Control Module (SCCM) Does Not Respond To The Scan Tool
April 5, 2026: LEMON Manuals is launched! Read the announcement.

Pinpoint Test V: The Steering Column Control Module (SCCM) Does Not Respond To The Scan Tool




Communications Network

Pinpoint Test V: The Steering Column Control Module (SCCM) Does Not Respond To The Scan Tool

Normal Operation

The Steering Column Control Module (SCCM) communicates with the scan tool through the High Speed Controller Area Network (HS-CAN).

This pinpoint test is intended to diagnose the following:

- Fuse

- Wiring, terminals or connectors

- SCCM (Steering Column Control Module)

PINPOINT TEST V : THE SCCM (Steering Column Control Module) DOES NOT RESPOND TO THE SCAN TOOL

NOTE: Failure to disconnect the battery when instructed results in false resistance readings.

V1 CHECK THE SCCM (Steering Column Control Module) VOLTAGE SUPPLY CIRCUIT FOR AN OPEN

- Disconnect: SCCM (Steering Column Control Module) C2414A and C2414B.

- Ignition ON.

- Measure the voltage between the SCCM (Steering Column Control Module) C2414A-10, circuit SBP23 (WH/RD), harness side and ground.






Is the voltage greater than 10 volts?

Yes
GO to V2.
No
VERIFY the Body Control Module (BCM) fuse 23 (15A) is OK. If OK, REPAIR the circuit in question. If not OK, REFER to the Wiring Diagrams to identify the possible causes of the circuit short [1][2]Diagrams By Number. CLEAR the DTCs. REPEAT the network test with the scan tool.

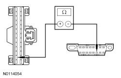
V2 CHECK THE SCCM (Steering Column Control Module) GROUND CIRCUIT FOR AN OPEN

- Ignition OFF.

- Disconnect: Negative Battery Cable.

- Measure the resistance between the SCCM (Steering Column Control Module) C2414A-13, circuit GD133 (BK), harness side and ground.






Is the resistance less than 5 ohms?

Yes
GO to V3.
No
REPAIR the circuit in question. CONNECT the negative battery cable. CLEAR the DTCs. REPEAT the network test with the scan tool.

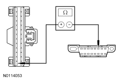
V3 CHECK THE HS-CAN (High Speed Controller Area Network) CIRCUITS BETWEEN THE SCCM (Steering Column Control Module) AND THE DLC (Data Link Connector) FOR AN OPEN

- Measure the resistance between the SCCM (Steering Column Control Module) C2414A-14, circuit VDB04 (WH/BU), harness side and the Data Link Connector (DLC) C251-6, circuit VDB04 (WH/BU), harness side.






- Measure the resistance between the SCCM (Steering Column Control Module) C2414A-15, circuit VDB05 (WH), harness side and the DLC (Data Link Connector) C251-14, circuit VDB05 (WH), harness side.






Are the resistances less than 5 ohms?

Yes
GO to V4.
No
REPAIR the circuit in question. CONNECT the negative battery cable. CLEAR the DTCs. REPEAT the network test with the scan tool.

V4 CHECK FOR CORRECT SCCM (Steering Column Control Module) OPERATION

- Disconnect all the SCCM (Steering Column Control Module) connectors.

- Check for:
- corrosion

- damaged pins

- pushed-out pins


- Connect all the SCCM (Steering Column Control Module) connectors and make sure they seat correctly.

- Operate the system and verify the concern is still present.

Is the concern still present?

Yes
INSTALL a new SCCM (Steering Column Control Module). CLEAR the DTCs. REPEAT the network test with the scan tool.
No
The system is operating correctly at this time. The concern may have been caused by a loose or corroded connector.