LEMON Manuals: Even more car manuals for everyone: 1960-2025
Home >> GMC >> 1991 >> Syclone V6-262 4.3L Turbo >> Repair and Diagnosis >> Diagrams >> Exploded Views >> Automatic Transmission/Transaxle >> 4L60 (700-R4) Automatic Transmission >> Unit Repair
April 5, 2026: LEMON Manuals is launched! Read the announcement.

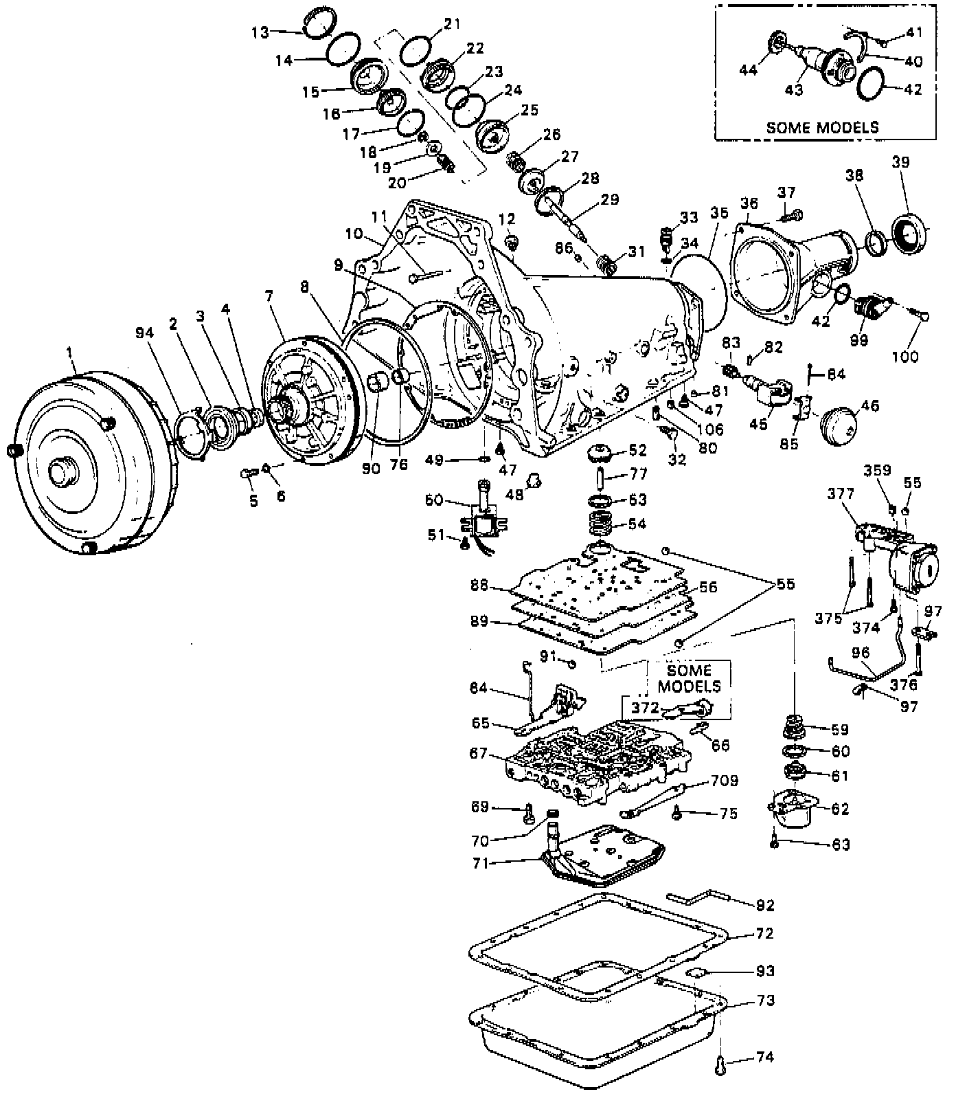
Unit Repair

External Components ( Part 1 Of 2 ):



External Components ( Part 2 Of 2 ):