LEMON Manuals: Even more car manuals for everyone: 1960-2025
Home >> GMC >> 1992 >> Syclone V6-262 4.3L Turbo >> Repair and Diagnosis >> Diagrams >> Components >> Miscellaneous Components >> Brake Proportioning Valve
April 5, 2026: LEMON Manuals is launched! Read the announcement.

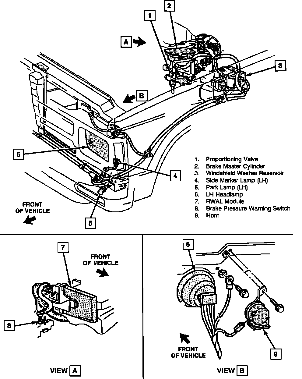
Brake Proportioning Valve

Anti-Lock Brake Components.:




LH Side Of Engine Compartment