LEMON Manuals: Even more car manuals for everyone: 1960-2025
Home >> GMC >> 2002 >> Jimmy 2D Utility, Part Time, Automatic >> Repair and Diagnosis >> Body & Frame >> Seats >> Power Seat System >> Repair Instructions >> Memory Seat Control Module Replacement >> Removal Procedure
April 5, 2026: LEMON Manuals is launched! Read the announcement.

Removal Procedure

  1. Remove the front seat from the vehicle. Refer to SEAT REPLACEMENT - BUCKET .
  2. Disconnect the memory seat module harness connectors.
    Fig 1: Locating Memory Seat Control Module Electrical Harness Connectors
    G01843099Courtesy of GENERAL MOTORS CORP.
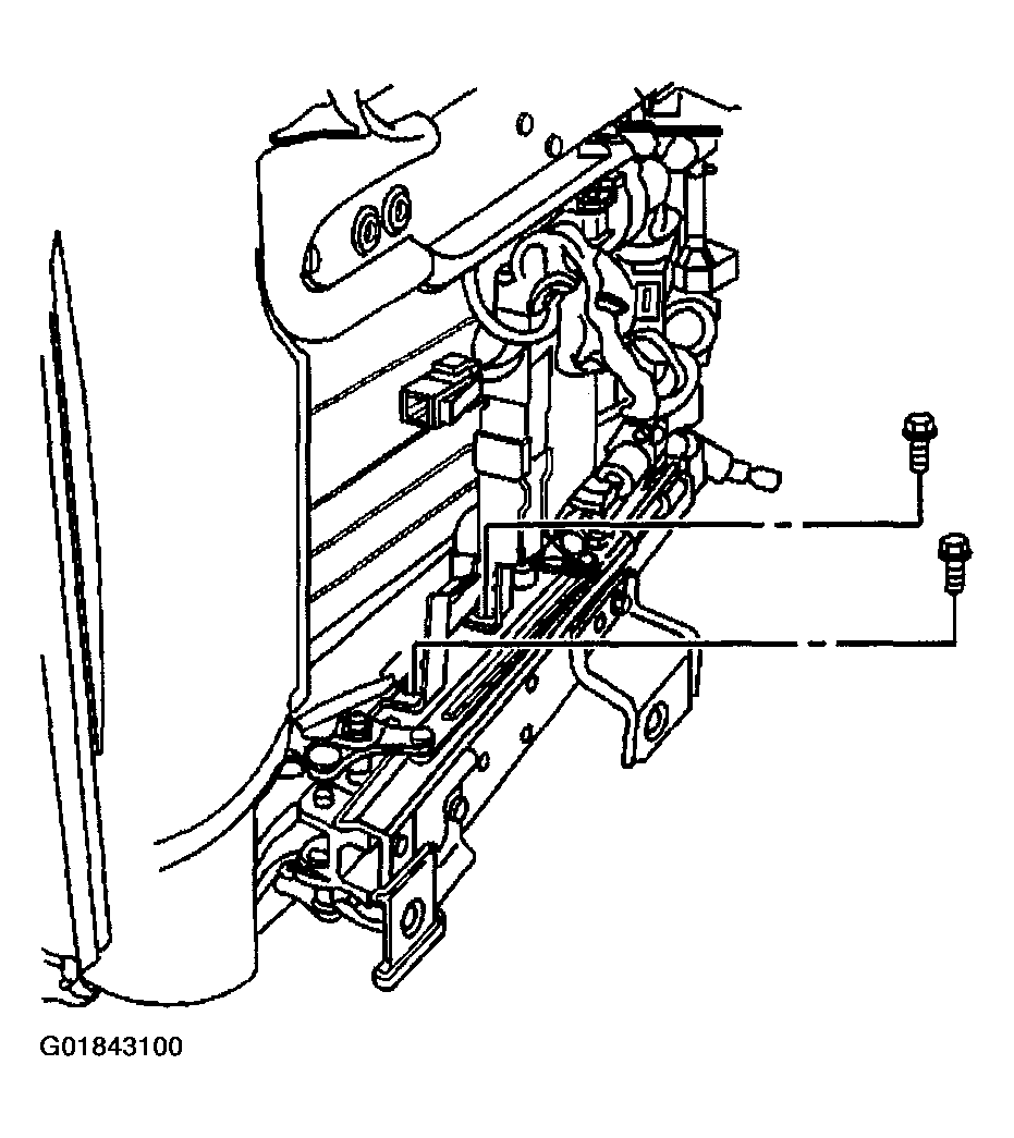
  3. Remove the 2 screws securing the memory module bracket to the seat adjuster frame.
    Fig 2: Locating Memory Module Bracket-To-Seat Adjuster Frame Screws
    G01843100Courtesy of GENERAL MOTORS CORP.
  4. Remove the memory module bracket with the module.
  5. Remove the module from the bracket.