LEMON Manuals: Even more car manuals for everyone: 1960-2025
Home >> GMC >> 2002 >> Jimmy 4D Utility, 4WD, Part Time >> Repair and Diagnosis >> External Pages >> Different car >> Section 1340 (Keyless Entry System) >> Schematic and Routing Diagrams >> Keyless Entry Schematics
April 5, 2026: LEMON Manuals is launched! Read the announcement.

Keyless Entry Schematics

WARNING: This page is about a different car, the 2004 Pontiac Vibe. However, it is still accessible from the selected car via links, so may be relevant.
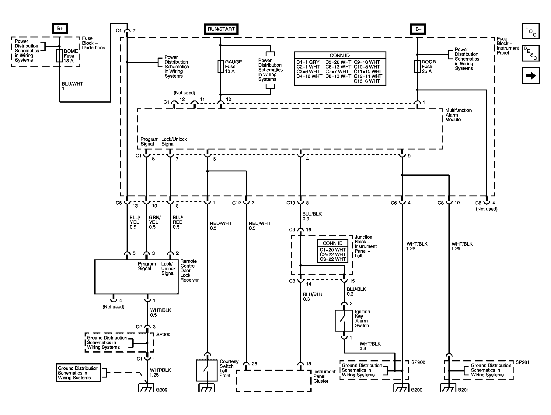
Fig 1: Remote Control Door Lock Receiver And Multifunction Alarm Module Schematic
GM785637Courtesy of GENERAL MOTORS CORP.
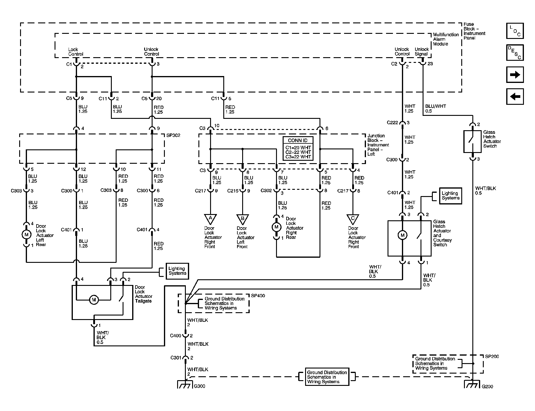
Fig 2: Multifunction Alarm Module, Rear Door Lock, Glass Hatch And Tailgate Actuators Schematic
GM864639Courtesy of GENERAL MOTORS CORP.
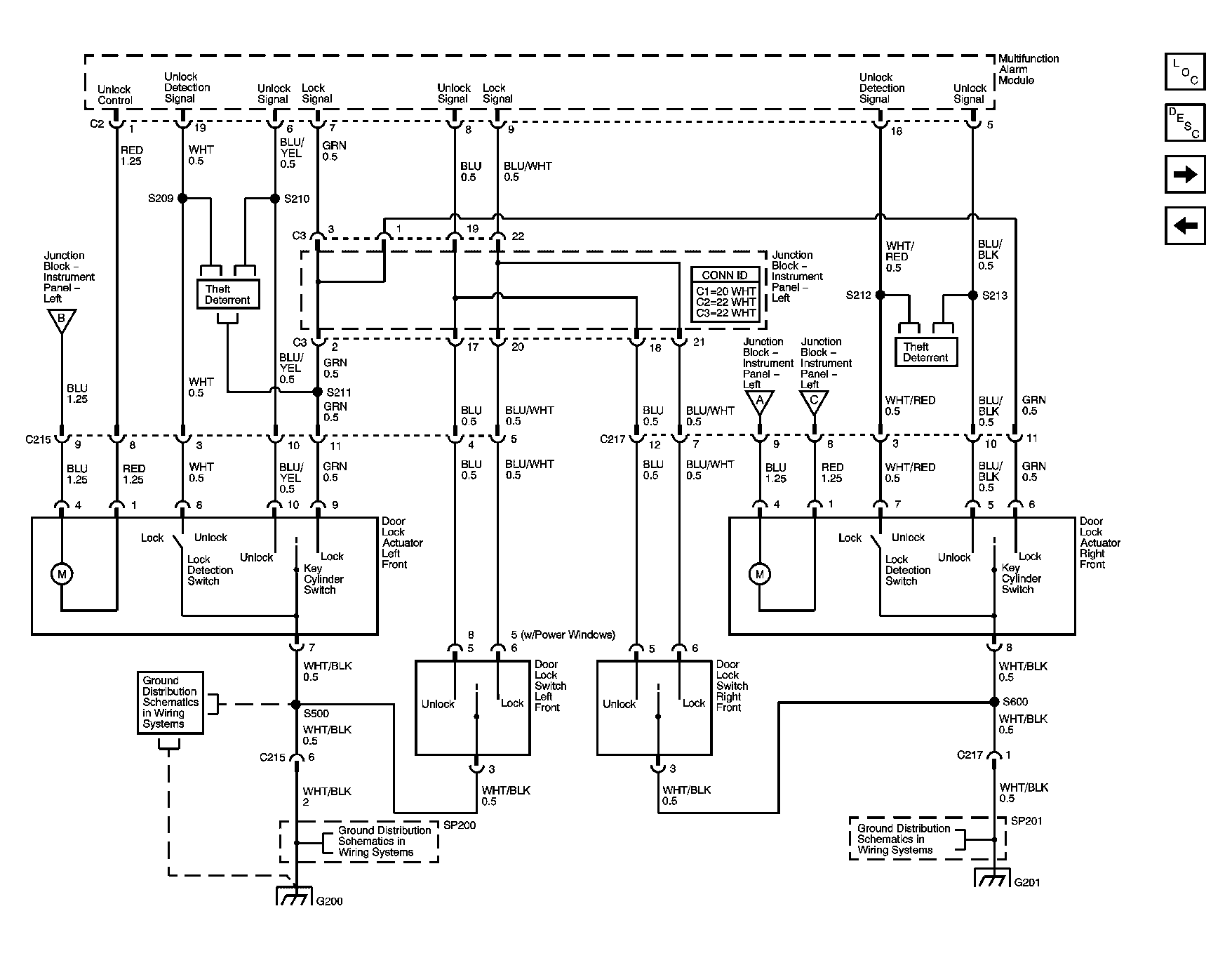
Fig 3: Door Lock Switches And Front Door Lock Actuators Schematic
GM785639Courtesy of GENERAL MOTORS CORP.
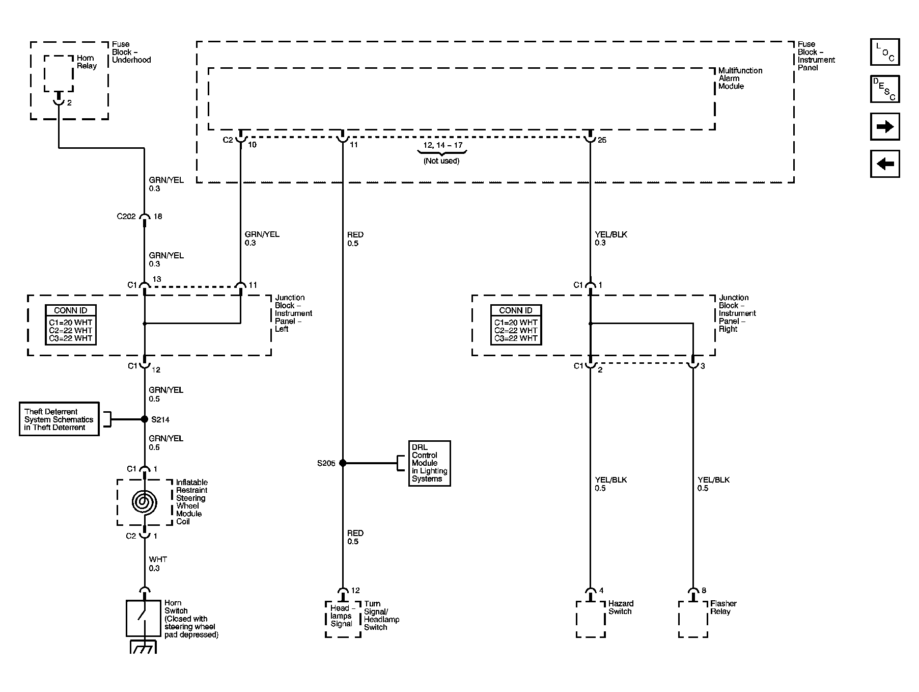
Fig 4: Multifunction Alarm Module, Horn, Hazard, Turn Signal/Headlamp Switches Schematic
GM785641Courtesy of GENERAL MOTORS CORP.
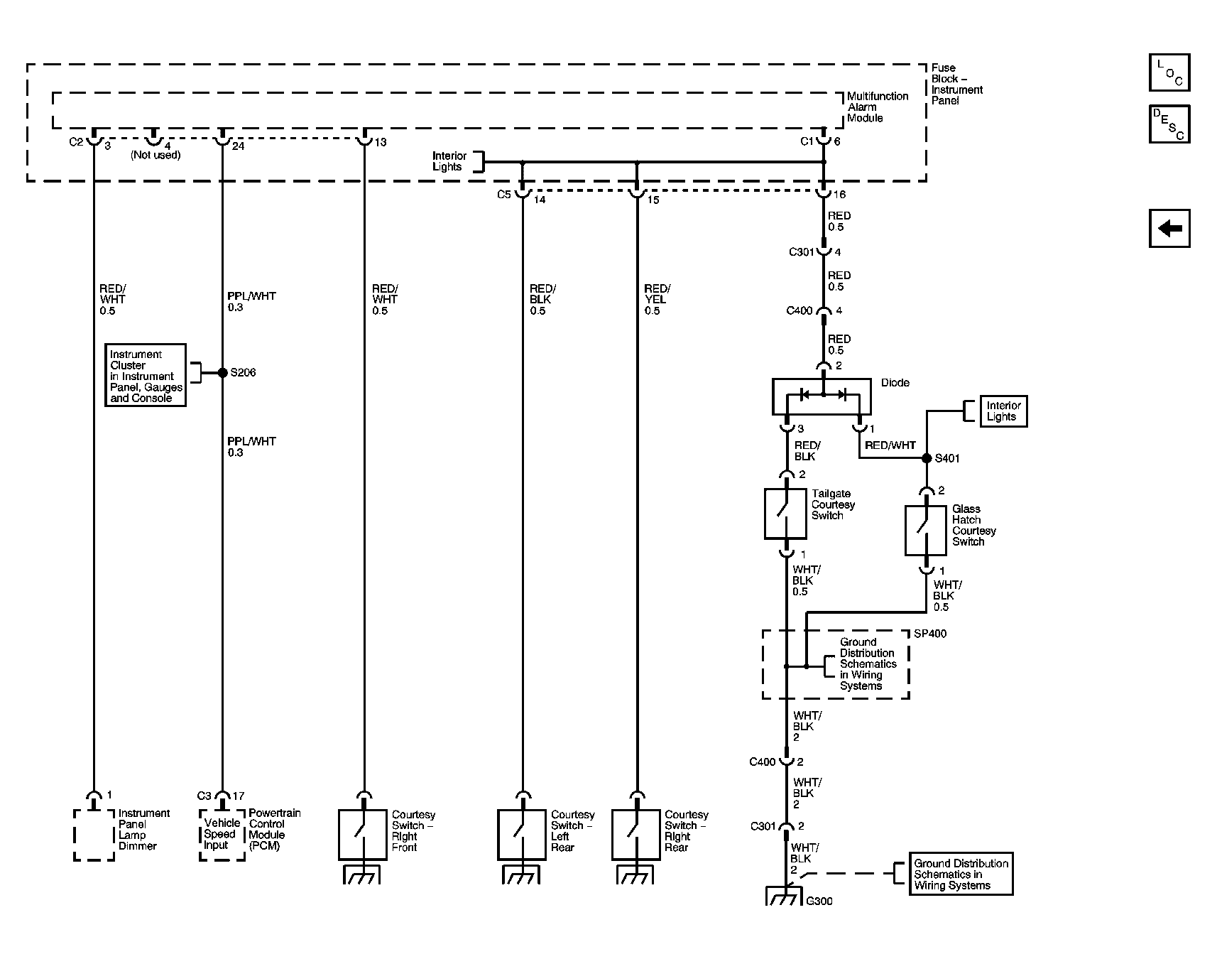
Fig 5: Multifunction Alarm Module, Courtesy Switches Schematic
GM785640Courtesy of GENERAL MOTORS CORP.