LEMON Manuals: Even more car manuals for everyone: 1960-2025
Home >> GMC >> 2005 >> Jimmy Part Time, Automatic >> Repair and Diagnosis (Single Page) >> Body & Frame >> Seats >> Seat System >> Repair Instructions >> Memory Seat Control Module Replacement >> Installation Procedure
April 5, 2026: LEMON Manuals is launched! Read the announcement.

Installation Procedure

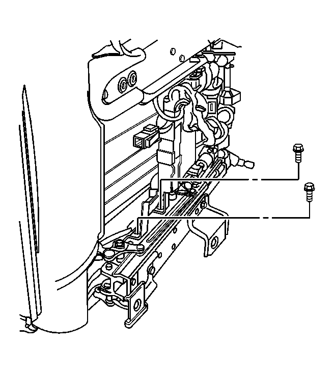
    Fig 1: View Of Memory Seat Control Module
    GM618548Courtesy of GENERAL MOTORS CORP.
  1. Slide the memory seat module into the bracket until the module is seated.
  2. NOTE: Refer to Fastener Notice in Cautions and Notices.
  3. Install the memory seat module and bracket to the seat adjuster frame assembly with 2 screws.

    Tighten:  Tighten the screws to 3 N.m (26 lb in).

  4. Fig 2: View Of Memory Seat Module Harness Connectors
    GM618544Courtesy of GENERAL MOTORS CORP.
  5. Install the memory seat module harness connectors.
  6. Install the front seat to the vehicle. Refer to Seat Replacement - Bucket .
  7. Calibrate the seat. Refer to Memory Seat Calibration Procedure .