LEMON Manuals: Even more car manuals for everyone: 1960-2025
Home >> GMC >> 2007 >> Acadia SLE, AWD >> Repair and Diagnosis >> External Pages >> Different car >> Section 632 (Anti-Lock Brake System, Traction Control System & Stability Control System) >> Schematic and Routing Diagrams >> Antilock Brake System Schematics
April 5, 2026: LEMON Manuals is launched! Read the announcement.

Antilock Brake System Schematics

WARNING: This page is about a different car, the 2008 Saturn Outlook, 2008 GMC Acadia, and 2008 Buick Enclave. However, it is still accessible from the selected car via links, so may be relevant.
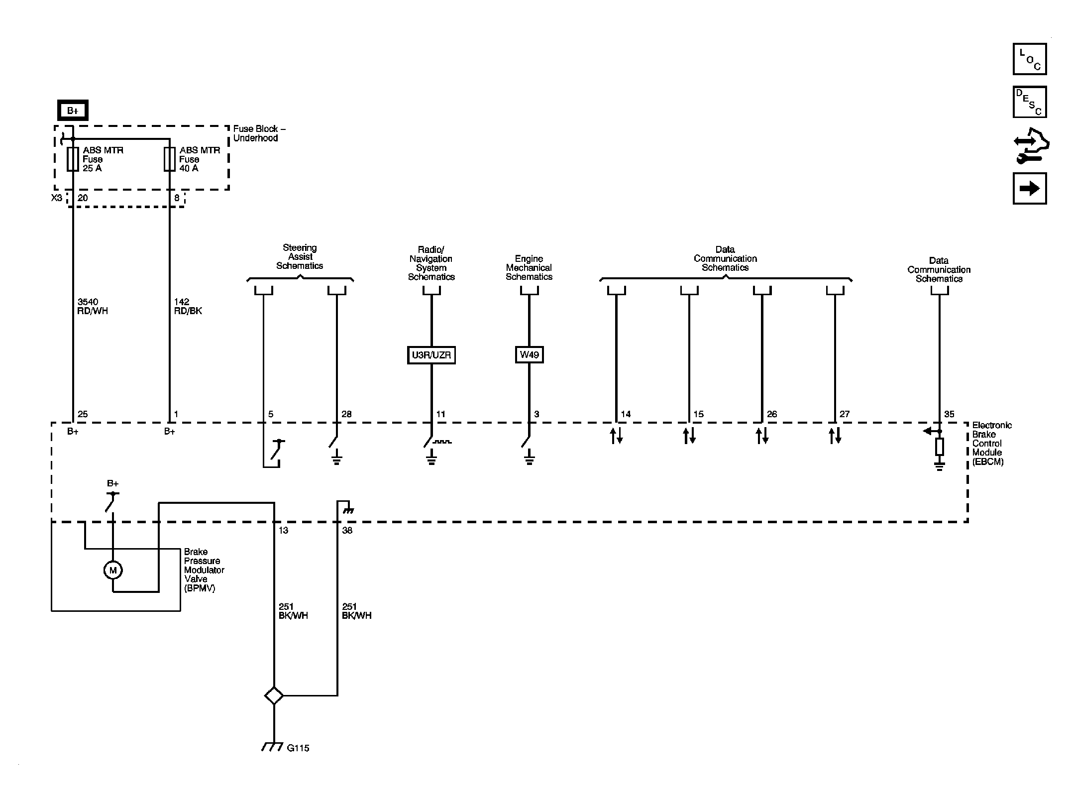
Fig 1: Module Power and Ground, Subsystem References
GM1883130Courtesy of GENERAL MOTORS CORP.
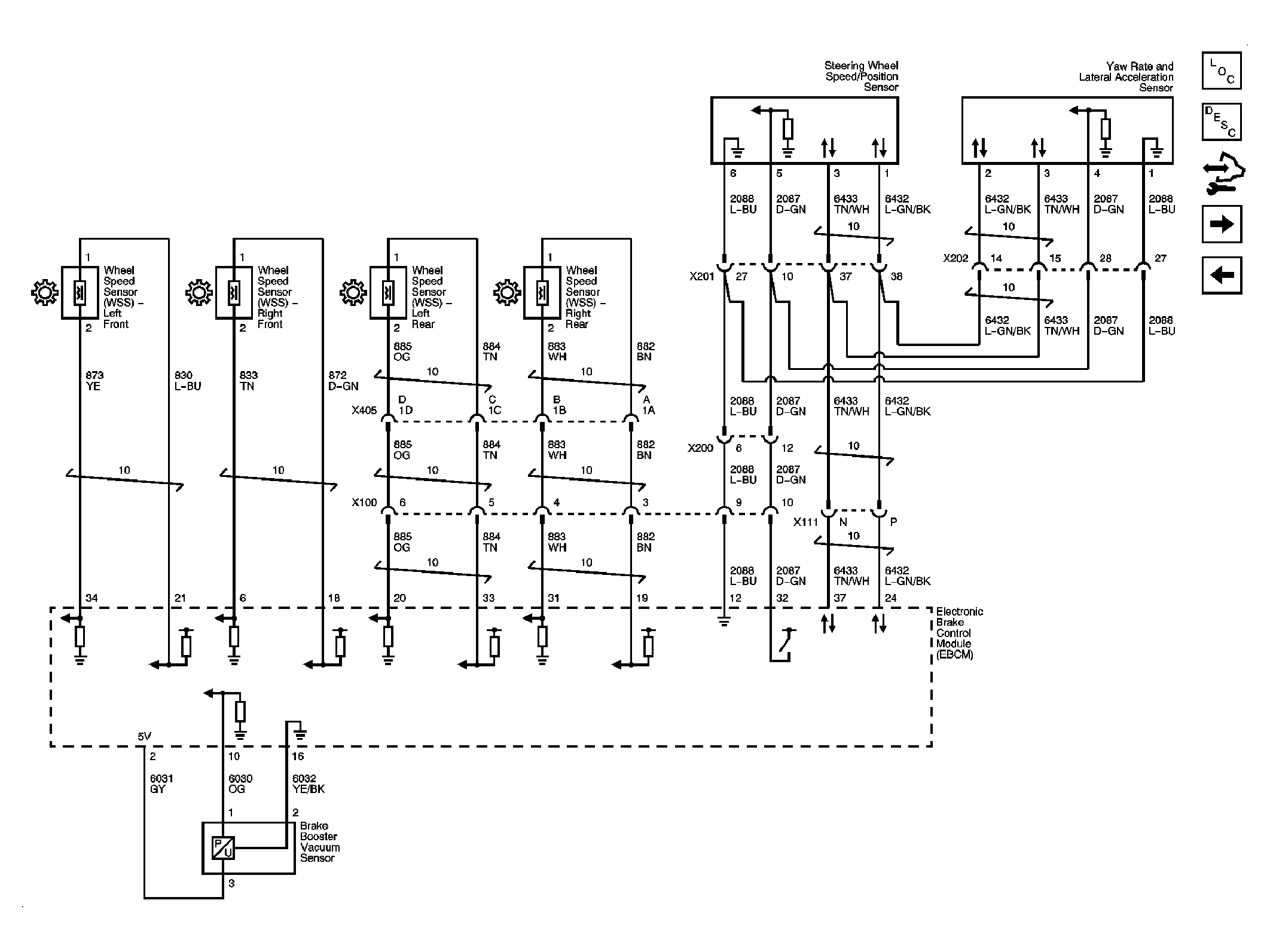
Fig 2: Sensors
GM1883144Courtesy of GENERAL MOTORS CORP.
Fig 3: TCS Control and Indicators
GM1883145Courtesy of GENERAL MOTORS CORP.