LEMON Manuals: Even more car manuals for everyone: 1960-2025
Home >> GMC >> 2009 >> Sierra Denali AWD V8-6.2L >> Repair and Diagnosis >> Powertrain Management >> Computers and Control Systems >> Relays and Modules - Computers and Control Systems >> Body Control Module >> Service and Repair >> Body Control Module Replacement
April 5, 2026: LEMON Manuals is launched! Read the announcement.

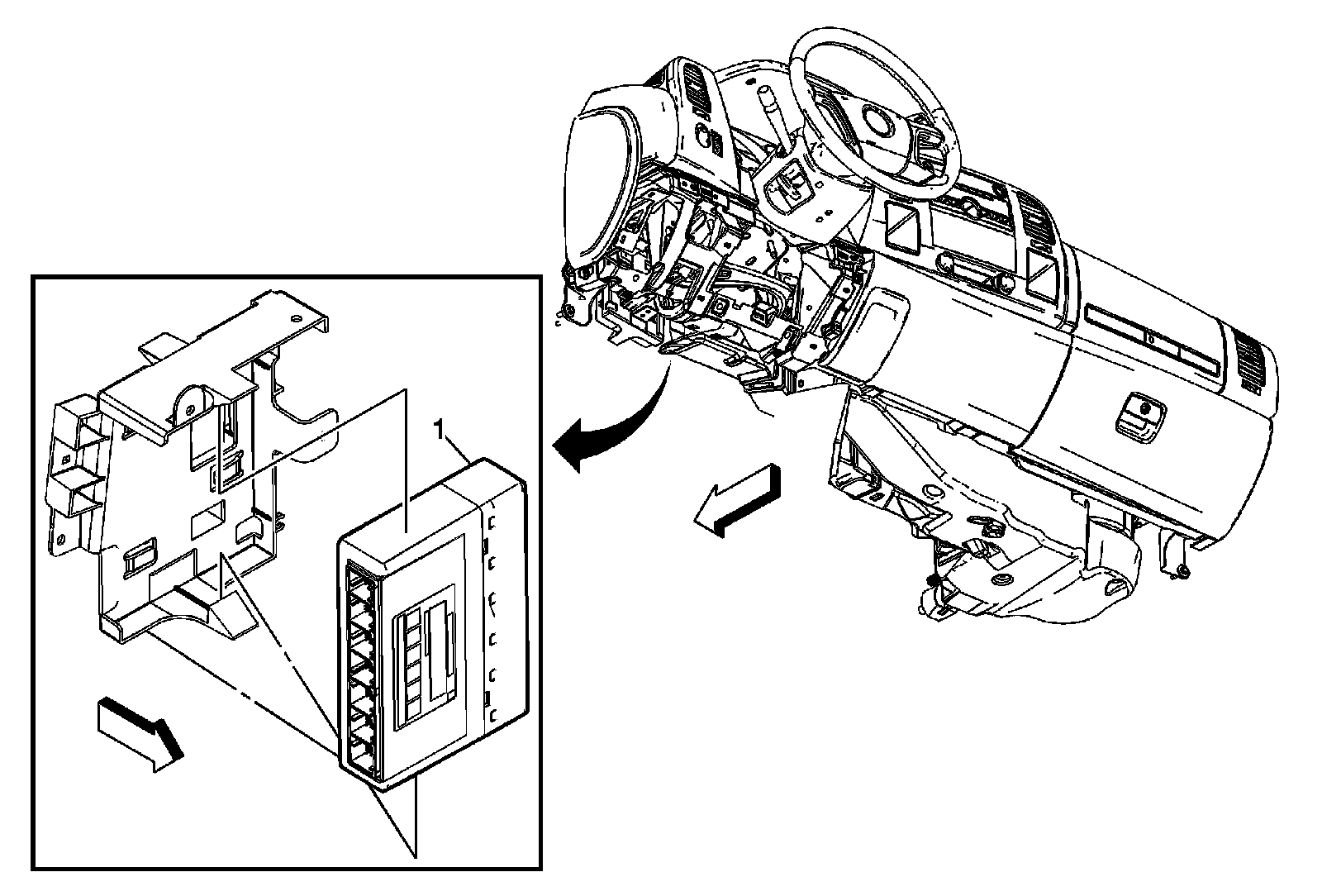
Body Control Module Replacement



Body Control Module Replacement