LEMON Manuals: Even more car manuals for everyone: 1960-2025
Home >> GMC >> 2009 >> Yukon 2WD V8-5.3L >> Repair and Diagnosis >> Heating and Air Conditioning >> Control Module HVAC >> Service and Repair >> Auxiliary HVAC Module Replacement (Extended Wheelbase)
April 5, 2026: LEMON Manuals is launched! Read the announcement.

Auxiliary HVAC Module Replacement (Extended Wheelbase)




Auxiliary HVAC Module Replacement (Extended Wheelbase)

Special Tools

J 39400-A Halogen Leak Detector

Removal Procedure

1. Recover the refrigerant from the A/C system. Refer to Refrigerant Recovery and Recharging (HP2) (Refrigerant Recovery and Recharging)Refrigerant Recovery and Recharging (Non-HP2) (Refrigerant Recovery and Recharging).
2. Drain the engine coolant. Refer to Cooling System Draining and Filling (Static Fill) (Service and Repair).
3. Raise the vehicle. Refer to Lifting and Jacking the Vehicle (Service and Repair).




4. Disconnect the heater lines (2, 3) from the auxiliary HVAC module at the underside of the vehicle.
5. Disconnect the air conditioning lines (4, 5) from the auxiliary HVAC module at the underside of the vehicle.
6. Remove the nuts (6) from the studs (1) that secure the auxiliary HVAC module to the underside of the vehicle.
7. Lower the vehicle.
8. Remove the right rear quarter trim panel. Refer to Rear Quarter Trim Panel Replacement - Right Side (Standard Wheelbase) (Service and Repair)Rear Quarter Trim Panel Replacement - Right Side (Extended Wheelbase) (Service and Repair).
9. Disconnect the electrical connectors from the auxiliary HVAC module.




10. Remove the forward auxiliary air duct from HVAC module.
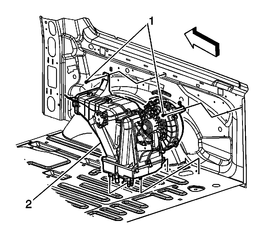
11. Remove the fasteners (1) retaining the auxiliary HVAC module to the vehicle.
12. Remove the auxiliary HVAC module (2) from the vehicle.

Installation Procedure




1. Install the auxiliary HVAC module assembly (2) to the vehicle.
2. Install the 2 bolts (1) inside the vehicle in order to retain the auxiliary HVAC module to the vehicle.
3. Install the forward auxiliary air duct.
4. Connect the electrical connectors to the auxiliary HVAC module.
5. Install the right rear quarter trim panel. Refer to Rear Quarter Trim Panel Replacement - Right Side (Standard Wheelbase) (Service and Repair)Rear Quarter Trim Panel Replacement - Right Side (Extended Wheelbase) (Service and Repair).
6. Raise the vehicle.





Caution: Refer to Fastener Caution (Fastener Caution).

7. Install the nuts (6) that secure the auxiliary HVAC module to the vehicle and tighten to 9 Nm(80 lb in).
8. Install the air conditioning lines (4, 5) and the nut to the auxiliary HVAC module and tighten to Tighten the nut to 16 Nm(12 lb ft).
9. Install the heater lines (2, 3) to the auxiliary HVAC module at the underside of vehicle.
10. Lower the vehicle.
11. Fill the engine coolant. Refer to Cooling System Draining and Filling (Static Fill) (Service and Repair).
12. Recharge the refrigerant to the system. Refer to Refrigerant Recovery and Recharging (HP2) (Refrigerant Recovery and Recharging)Refrigerant Recovery and Recharging (Non-HP2) (Refrigerant Recovery and Recharging).
13. Leak test the fittings of the component using the J 39400-A .