LEMON Manuals: Even more car manuals for everyone: 1960-2025
Home >> GMC >> 2011 >> Terrain SLE, 2.4 C, AWD >> Repair and Diagnosis >> Accessories & Equipment >> Drivers Assistance Systems - ADAS >> Object Detection System - Park Assist System >> Wiring Schematics >> Object Detection System Wiring Schematics
April 5, 2026: LEMON Manuals is launched! Read the announcement.

Object Detection System Wiring Schematics

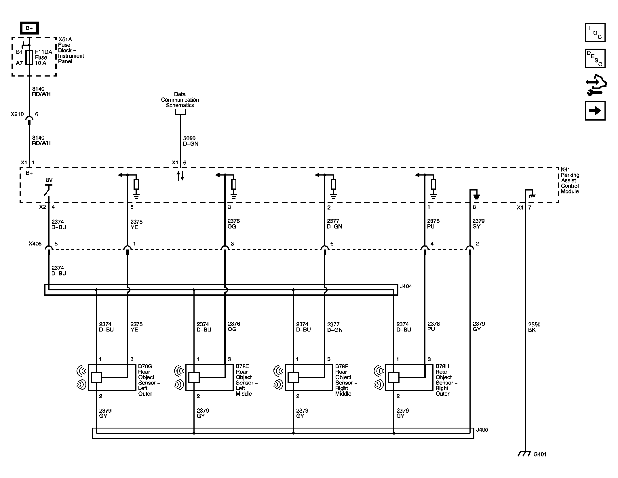
Fig 1: Rear Parking Assist Wiring Schematic (UD7)
GM2409994Courtesy of GENERAL MOTORS CORP.
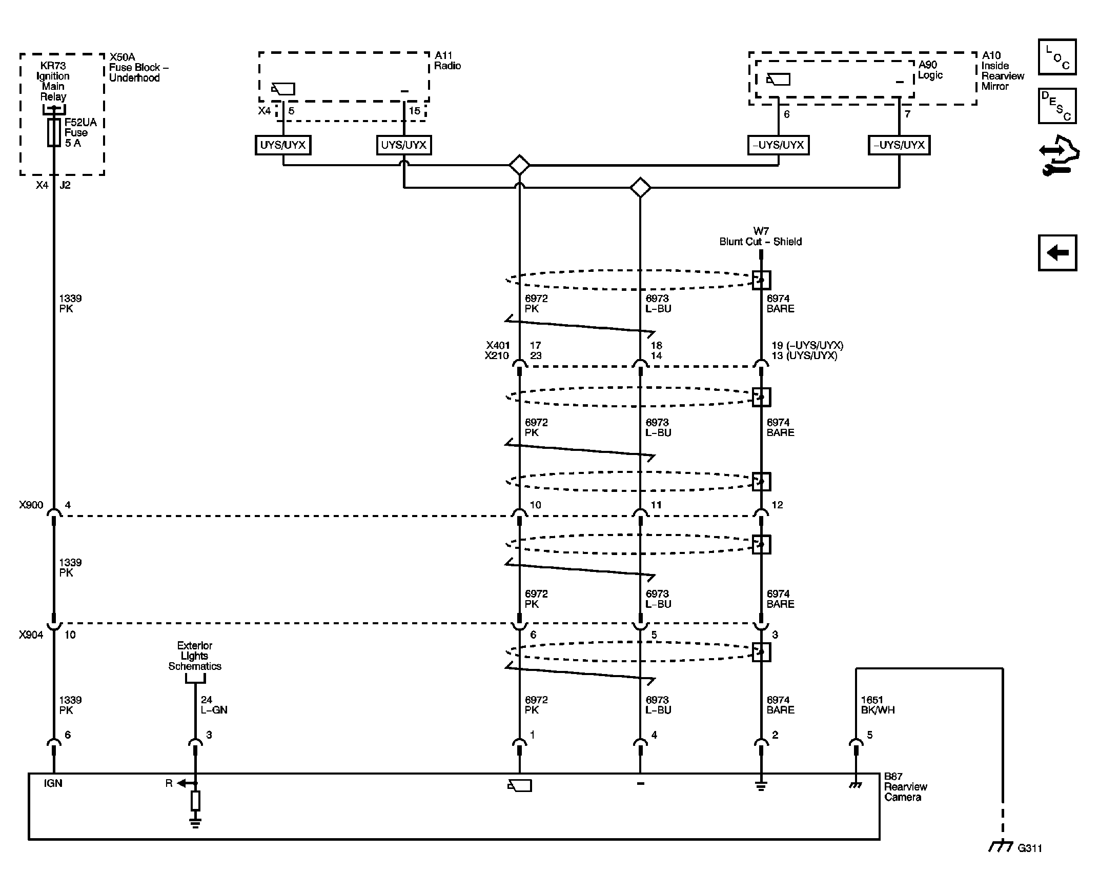
Fig 2: Rearview Camera Wiring Schematic (UVC)
GM2409995Courtesy of GENERAL MOTORS CORP.