LEMON Manuals: Even more car manuals for everyone: 1960-2025
Home >> GMC >> 2012 >> Yukon Base, RWD >> Repair and Diagnosis >> External Pages >> Different car >> Section 1095 (Cellular System, Entertainment System, And Navigation System) >> Schematic and Routing Diagrams >> Radio/Navigation System Schematics
April 5, 2026: LEMON Manuals is launched! Read the announcement.

Radio/Navigation System Schematics

WARNING: This page is about a different car, the 2008 Cadillac CTS. However, it is still accessible from the selected car via links, so may be relevant.
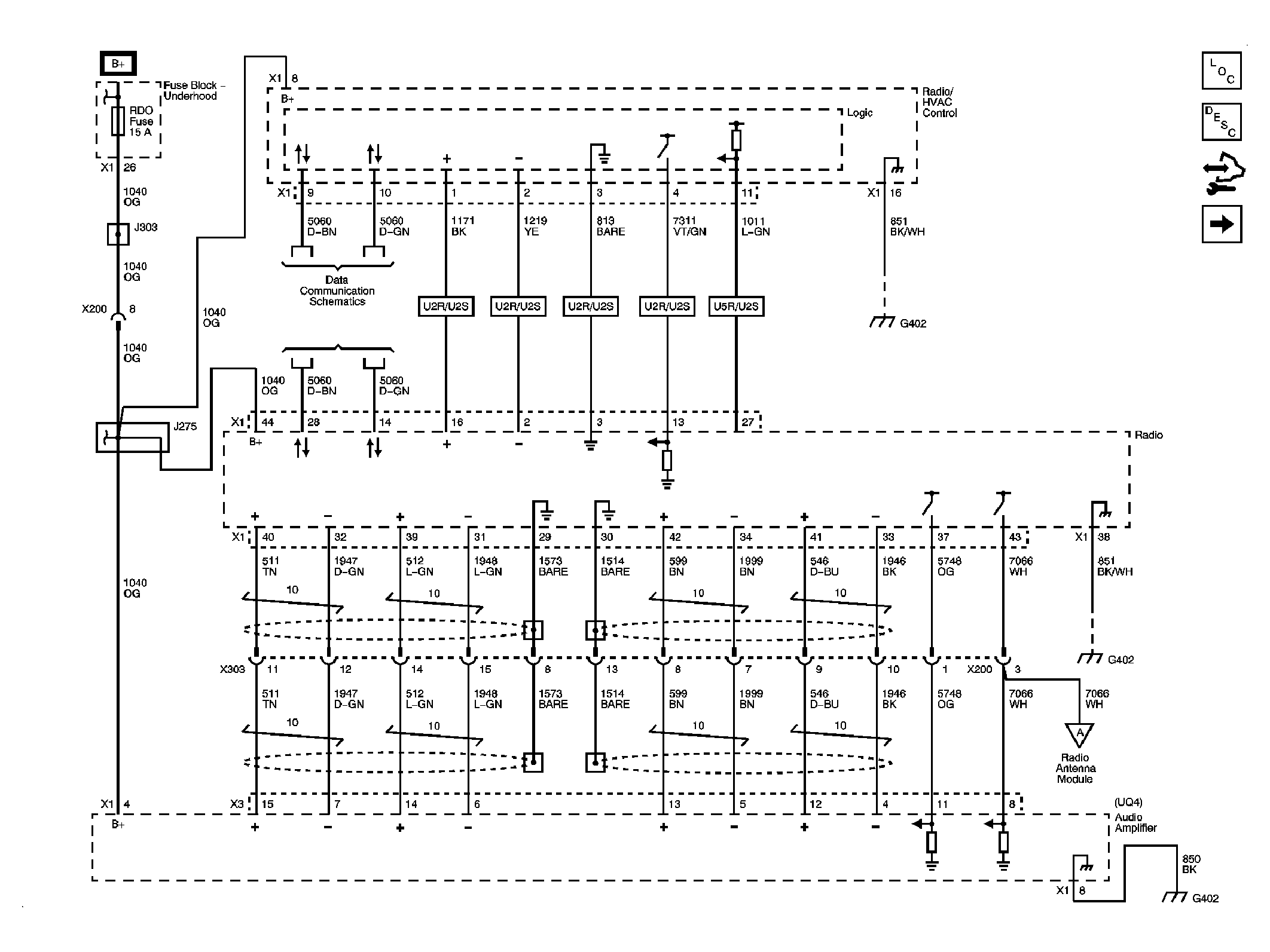
Fig 1: Radio, Amp, Radio/HVAC Control (U2R/U2S) Power, Ground and Communication (UQA) Schematic
GM1931334Courtesy of GENERAL MOTORS CORP.
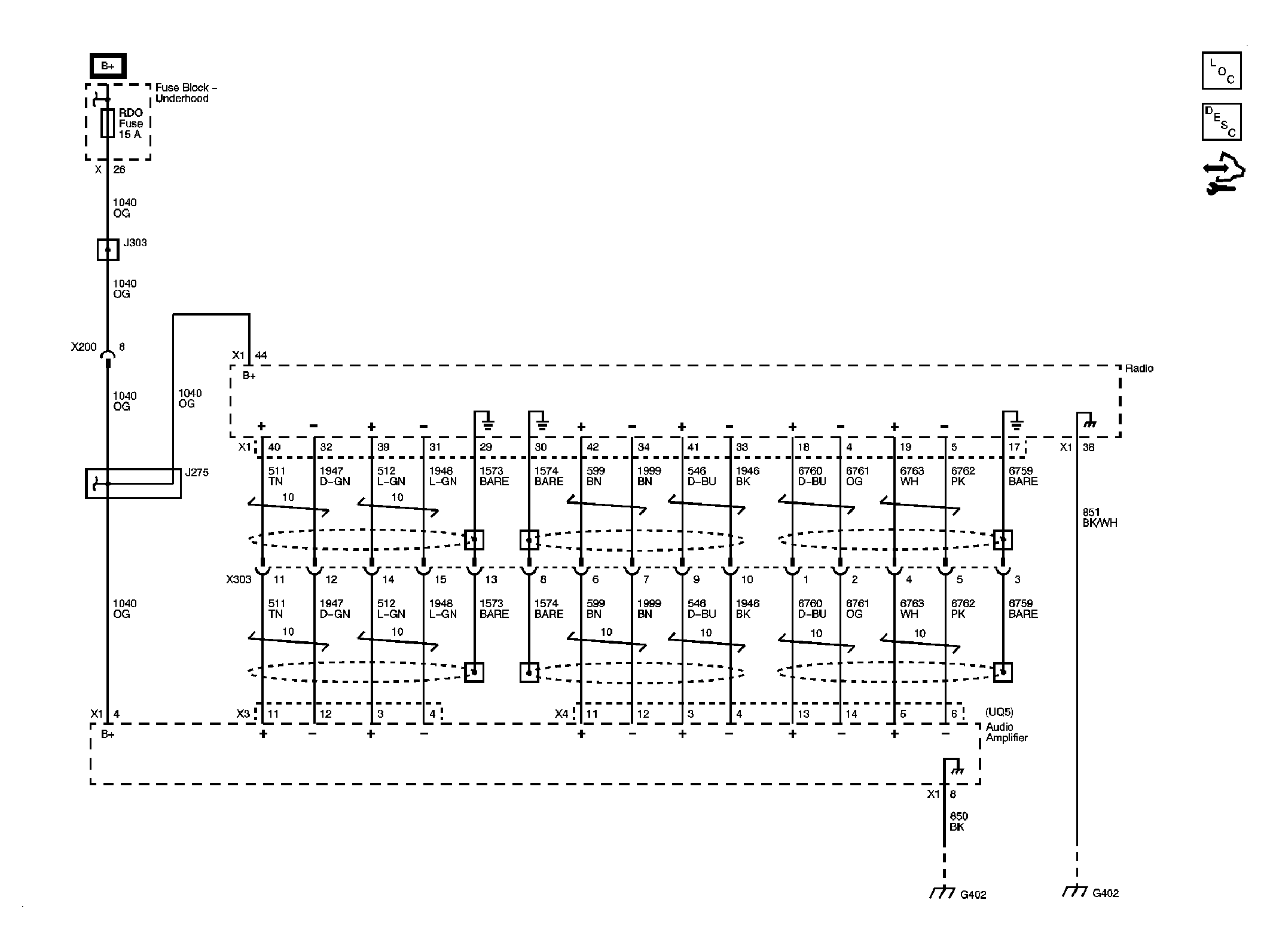
Fig 2: Radio, Amp Power, Ground and Communication (UQS) Schematic
GM1931373Courtesy of GENERAL MOTORS CORP.
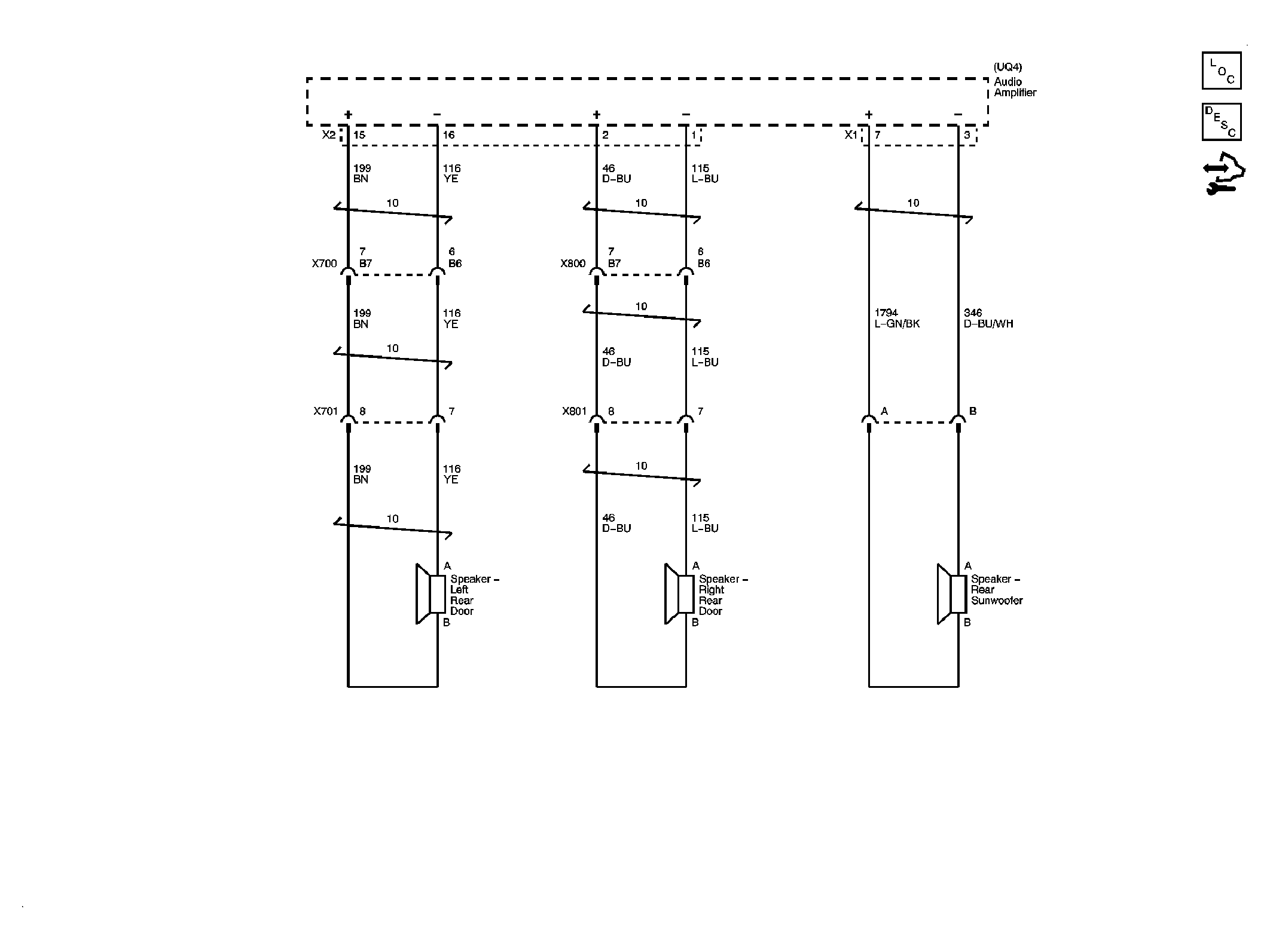
Fig 3: Speakers (UQA) Schematic (1 of 2)
GM1931381Courtesy of GENERAL MOTORS CORP.
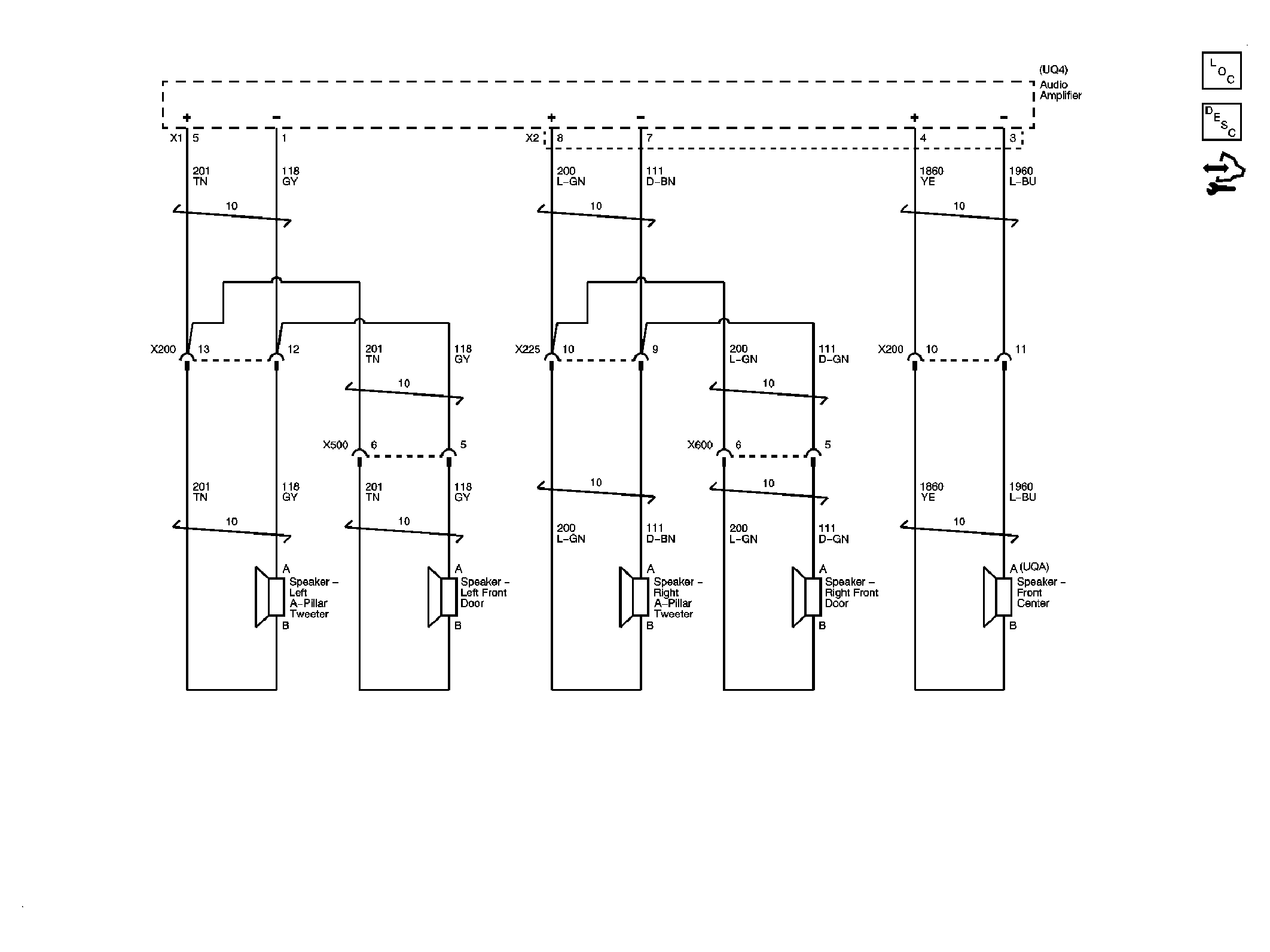
Fig 4: Speakers (UQA) Schematic (2 of 2)
GM1931387Courtesy of GENERAL MOTORS CORP.
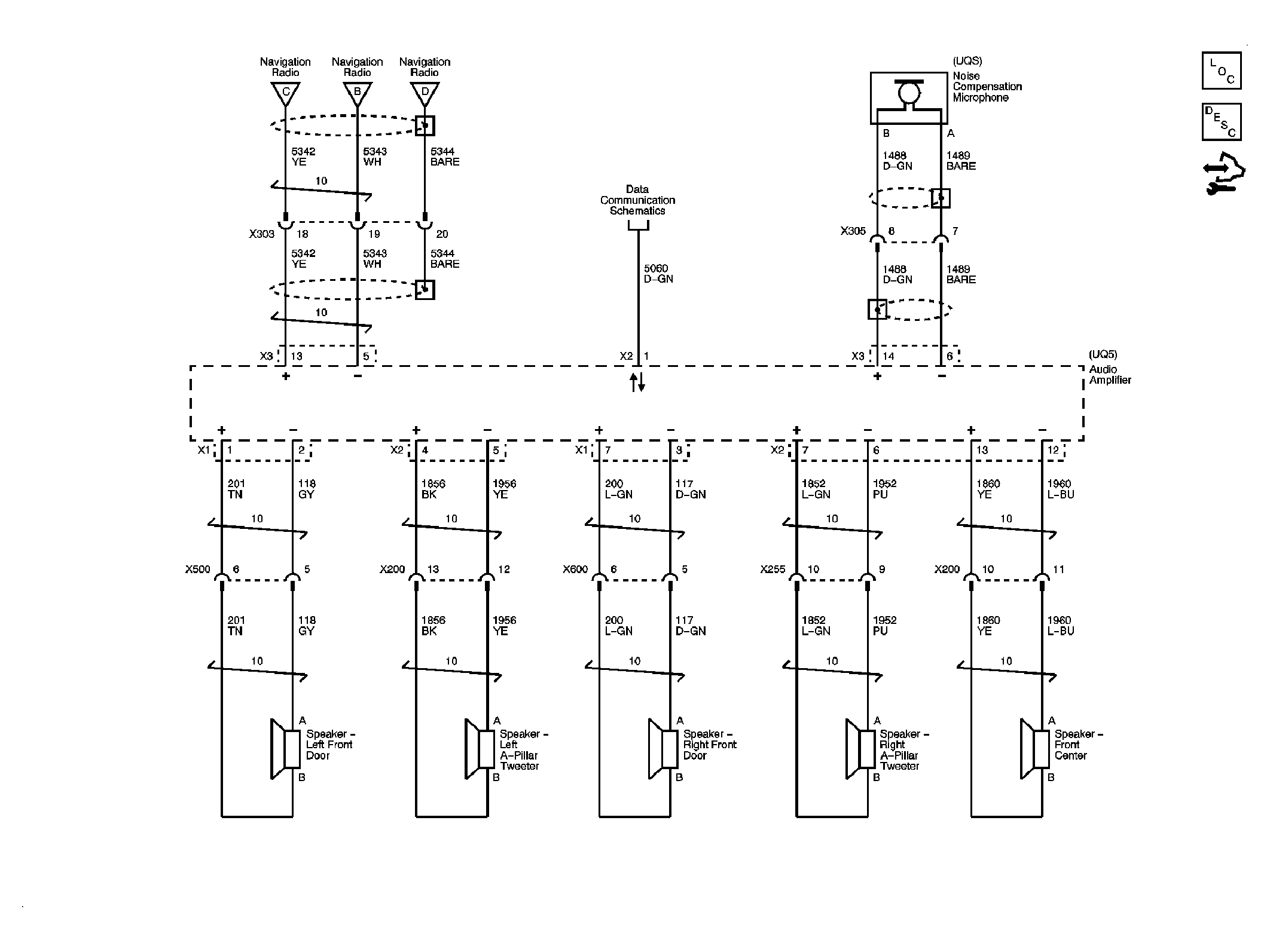
Fig 5: Noise Compensation Microphone, Navigation Audio Inputs, and Speakers (UQS) Schematic (1 of 2)
GM1931446Courtesy of GENERAL MOTORS CORP.
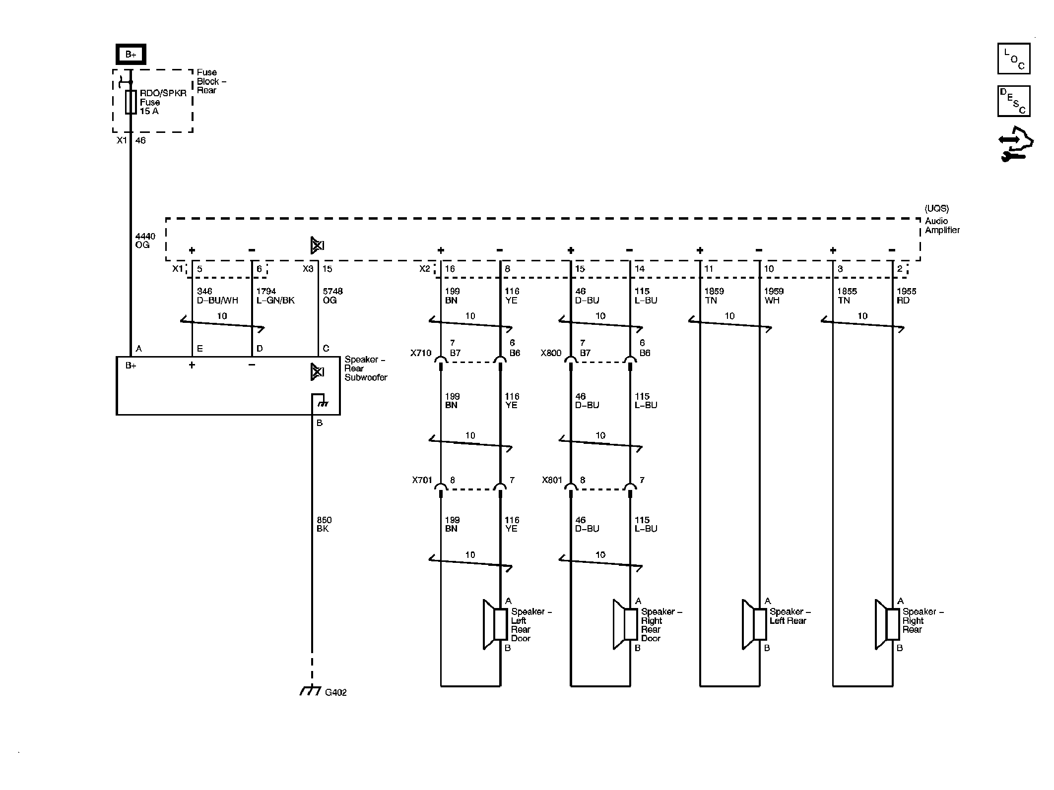
Fig 6: Speakers (UQS) Schematic (2 of 2)
GM1931471Courtesy of GENERAL MOTORS CORP.
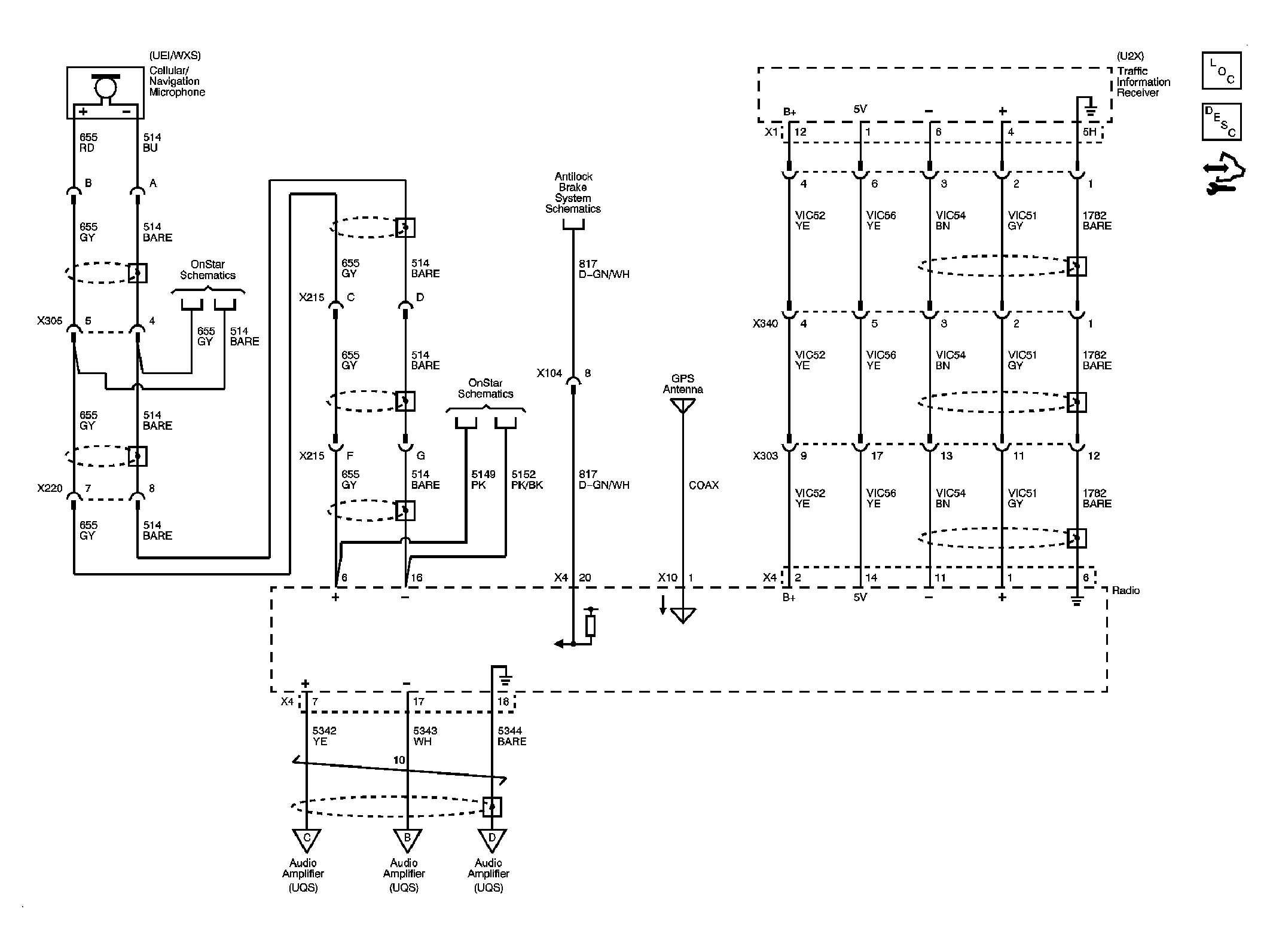
Fig 7: Cellular/Navigation Microphone, Traffic Receiver (U2X) Schematic
GM1931477Courtesy of GENERAL MOTORS CORP.
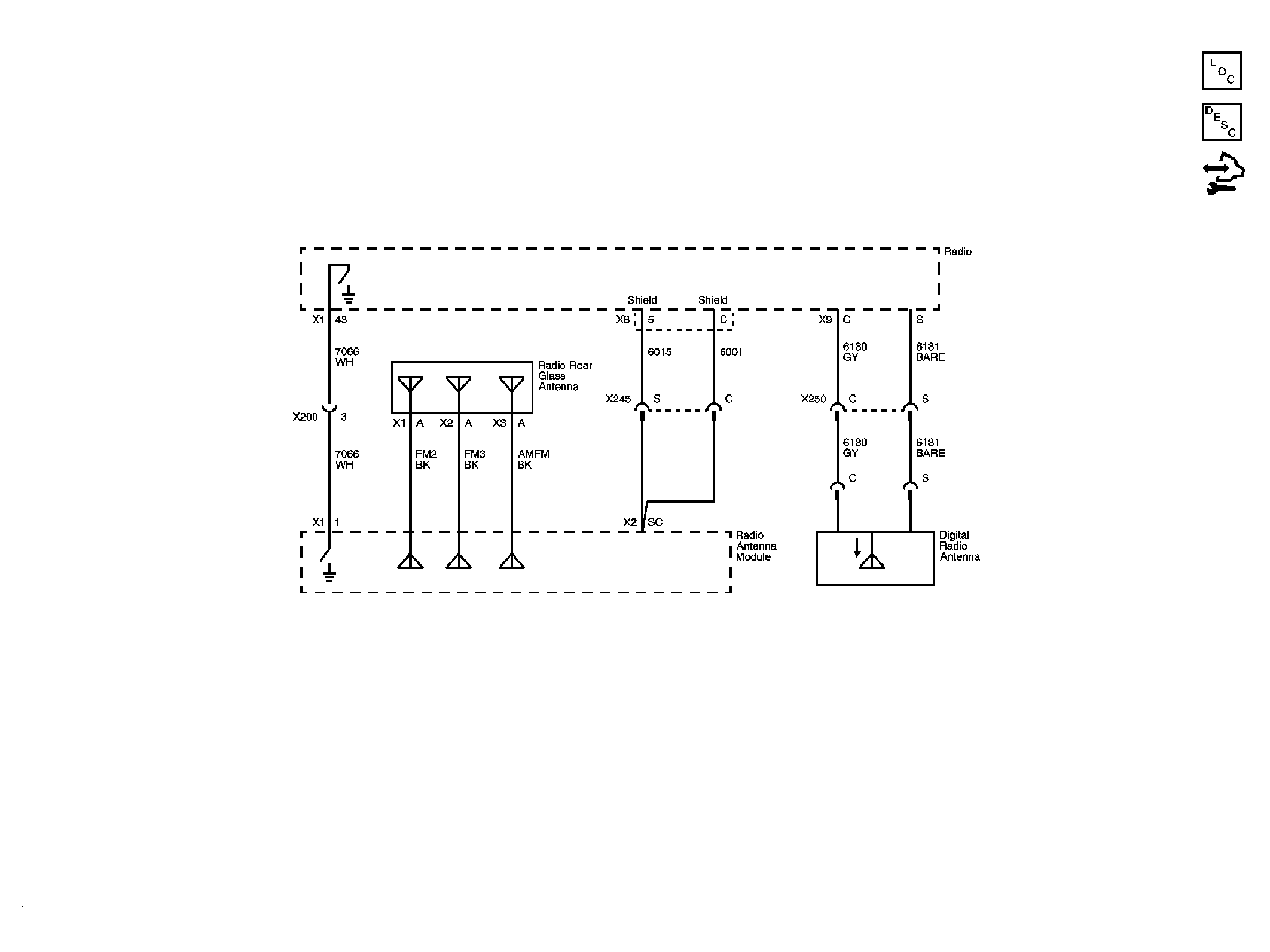
Fig 8: Antenna Signals Schematic
GM1931516Courtesy of GENERAL MOTORS CORP.
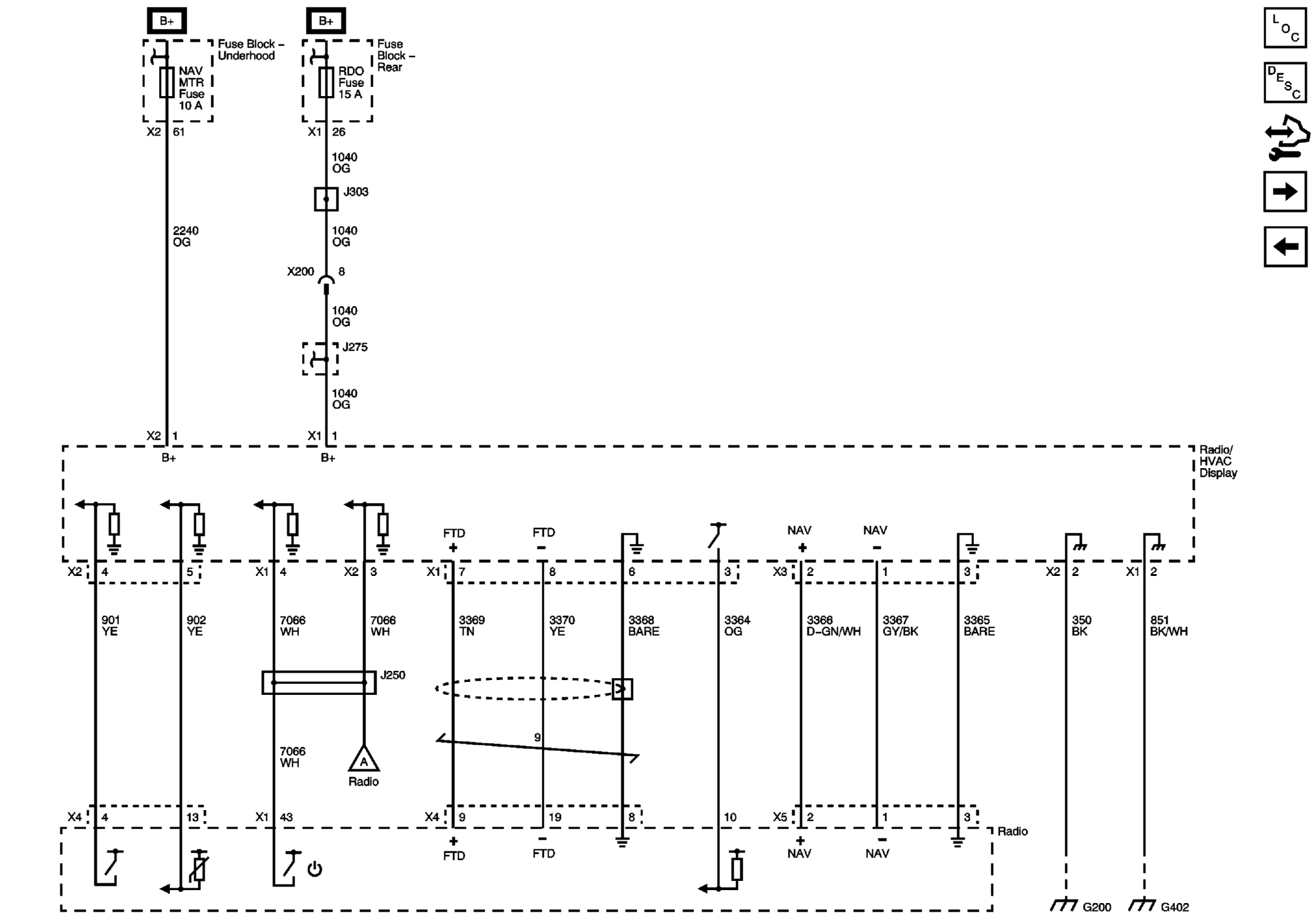
Fig 9: Radio/HVAC Display Schematic
GM1931527Courtesy of GENERAL MOTORS CORP.