LEMON Manuals: Even more car manuals for everyone: 1960-2025
Home >> GMC >> 2012 >> Yukon Base, RWD >> Repair and Diagnosis >> External Pages >> Different car >> Section 1181 (Cellular System, Entertainment System, And Navigation System) >> Schematic and Routing Diagrams >> Radio/Navigation System Schematics
April 5, 2026: LEMON Manuals is launched! Read the announcement.

Radio/Navigation System Schematics

WARNING: This page does not describe the selected car, but rather 8 other vehicles, including the 2008 GMC Yukon XL, 2008 GMC Yukon, 2008 Chevrolet Tahoe, 2008 Chevrolet Suburban, and 2008 Chevrolet Avalanche. However, it is still accessible from the selected car via links, so may be relevant.
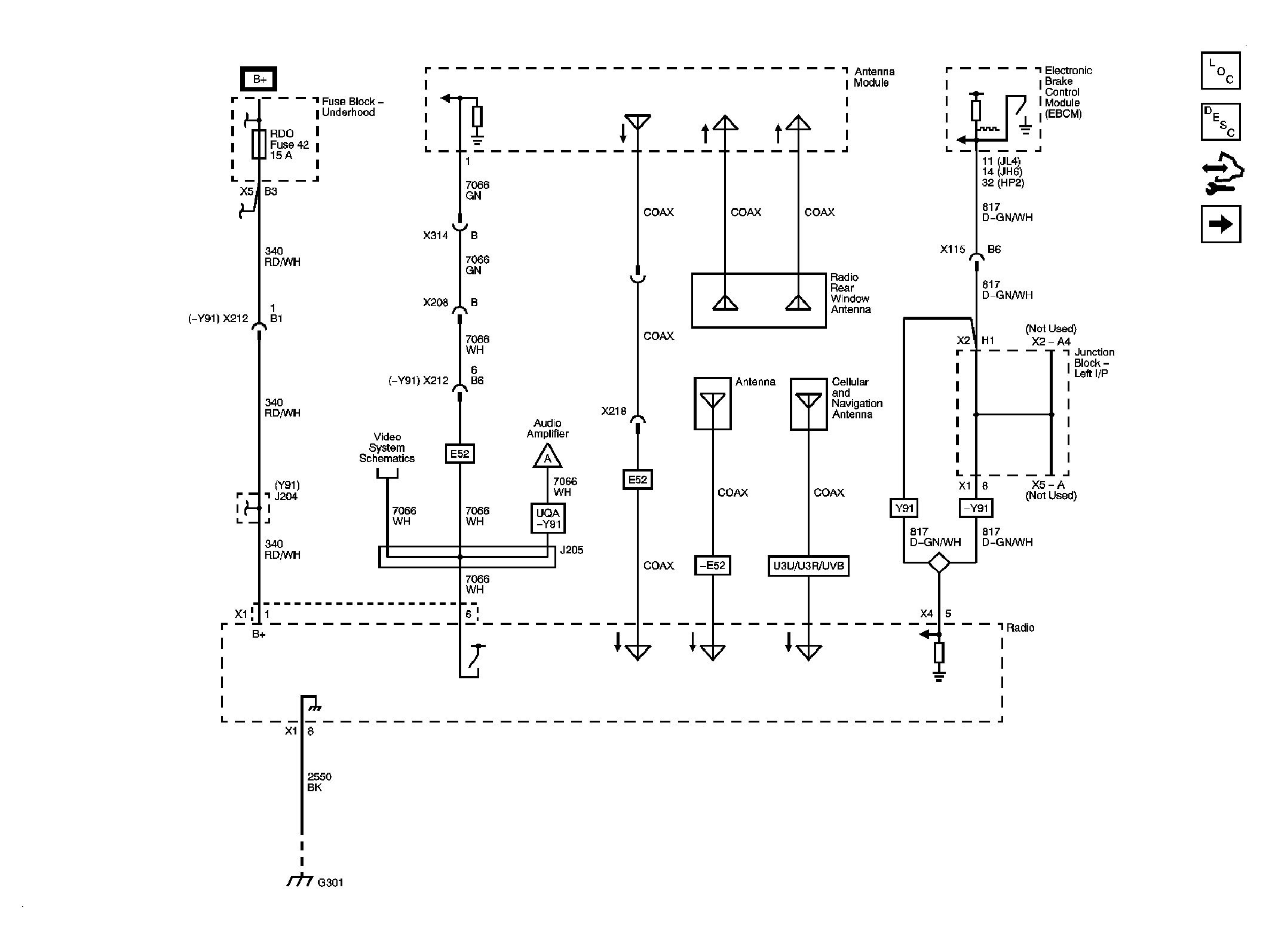
Fig 1: Radio Power, Ground, Serial Data, and Antenna Signals
GM1907246Courtesy of GENERAL MOTORS CORP.
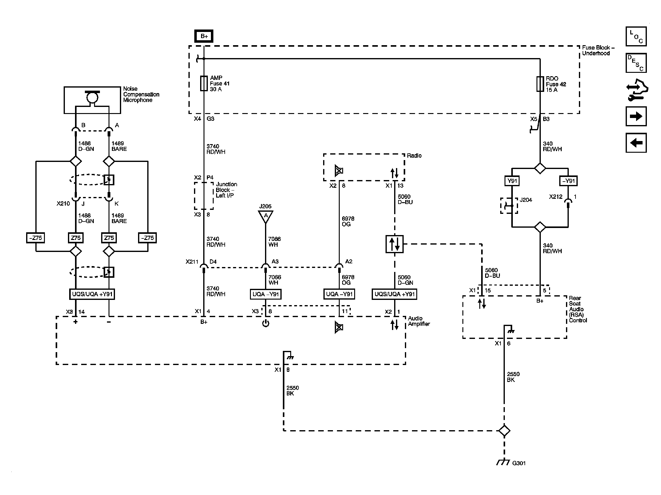
Fig 2: Amplifier (UQA or UQS) and Rear Seat Audio (UK6) Power, Ground, and Serial Data
GM1907248Courtesy of GENERAL MOTORS CORP.
Fig 3: Amplifier Inputs - UQA/UQS
GM1907250Courtesy of GENERAL MOTORS CORP.
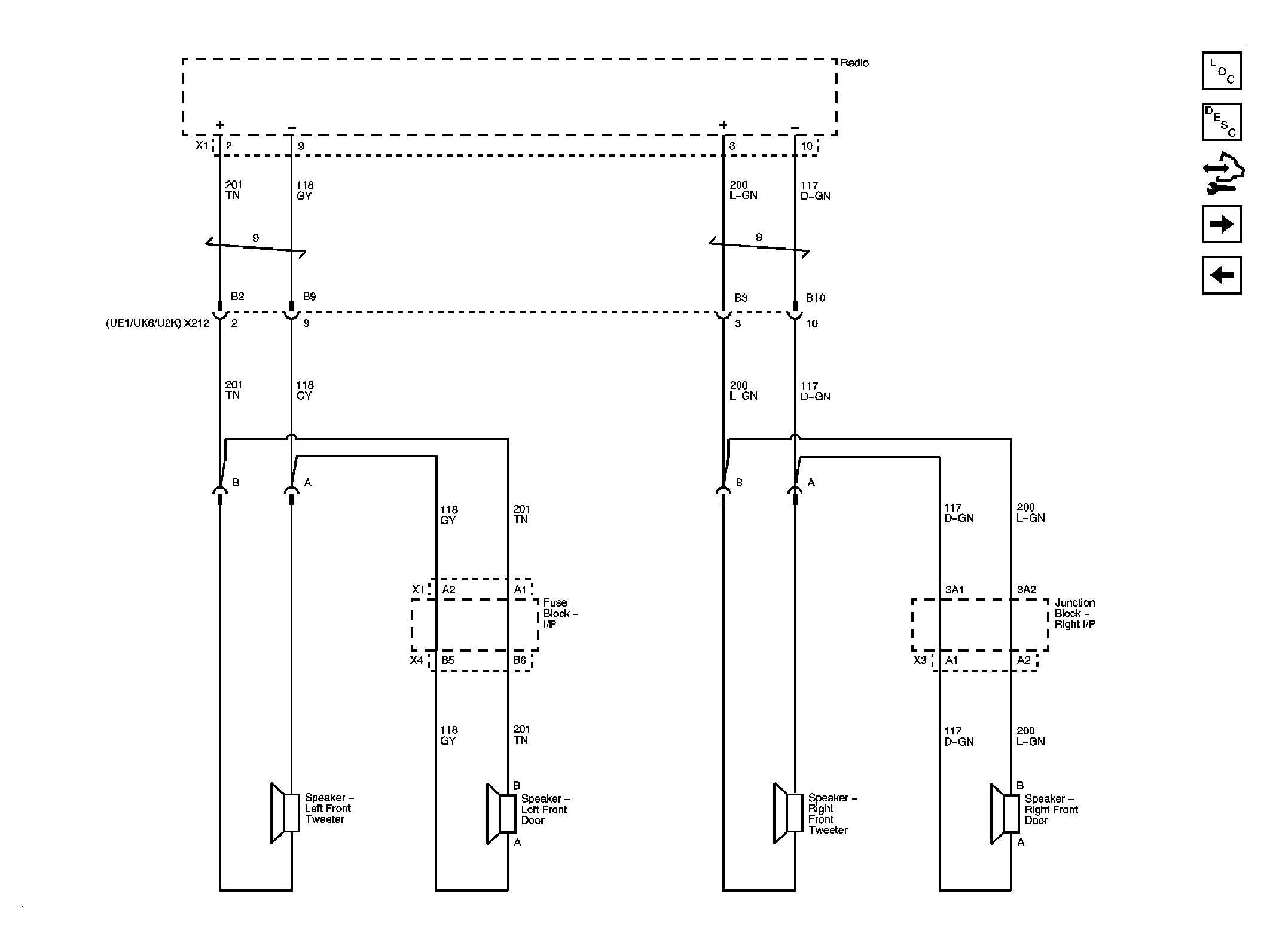
Fig 4: Front Speakers - UQ3
GM1907252Courtesy of GENERAL MOTORS CORP.
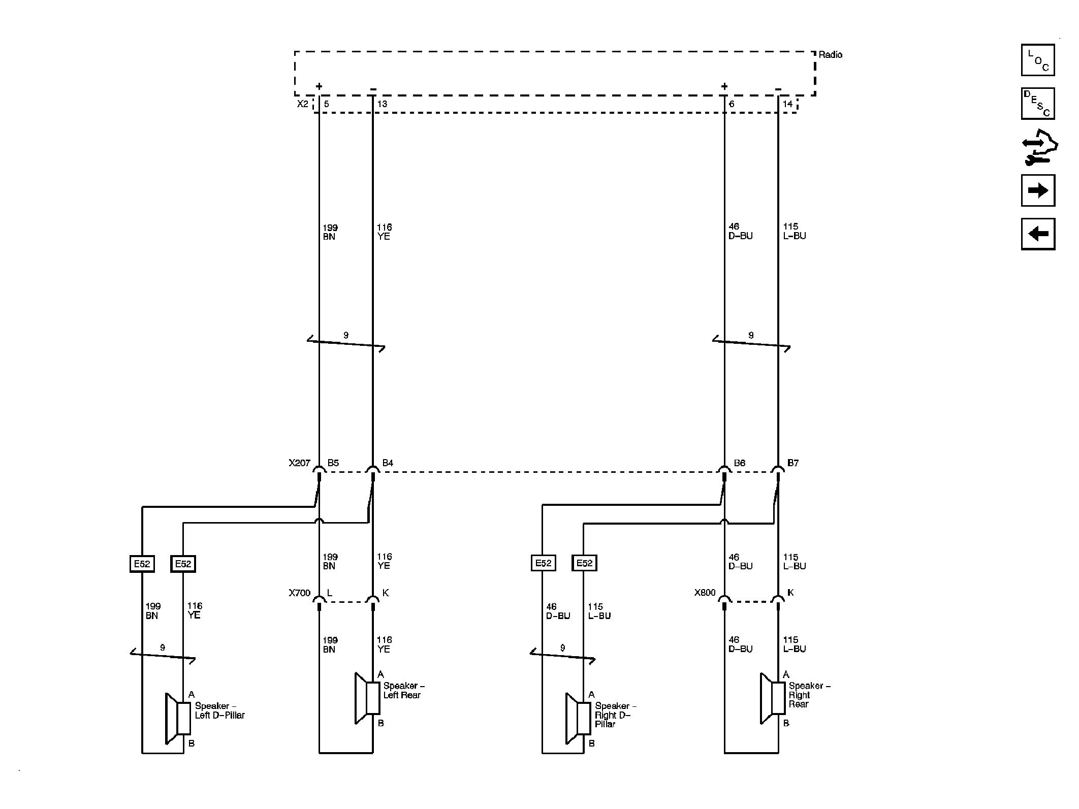
Fig 5: Rear Speakers - UQ3 Except UK6
GM1907256Courtesy of GENERAL MOTORS CORP.
Fig 6: Rear Speakers - UQ3 with UK6
GM1907258Courtesy of GENERAL MOTORS CORP.
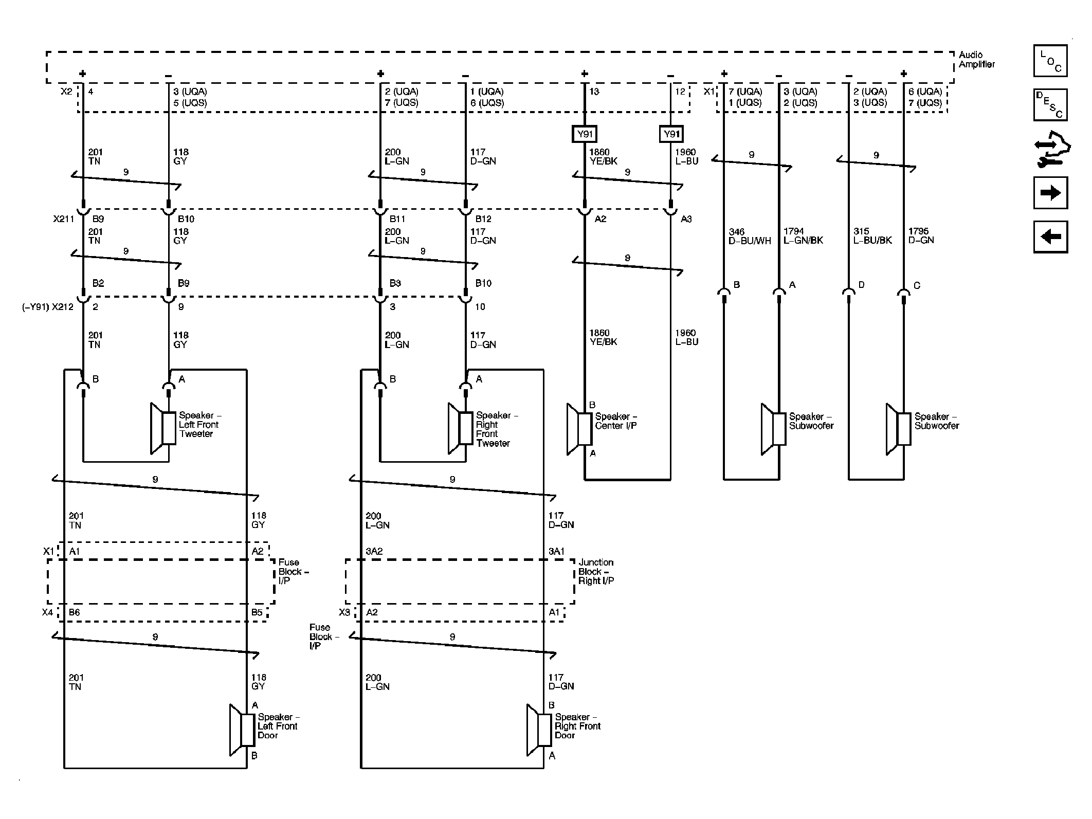
Fig 7: Front Speakers - UQA/UQS
GM1907261Courtesy of GENERAL MOTORS CORP.
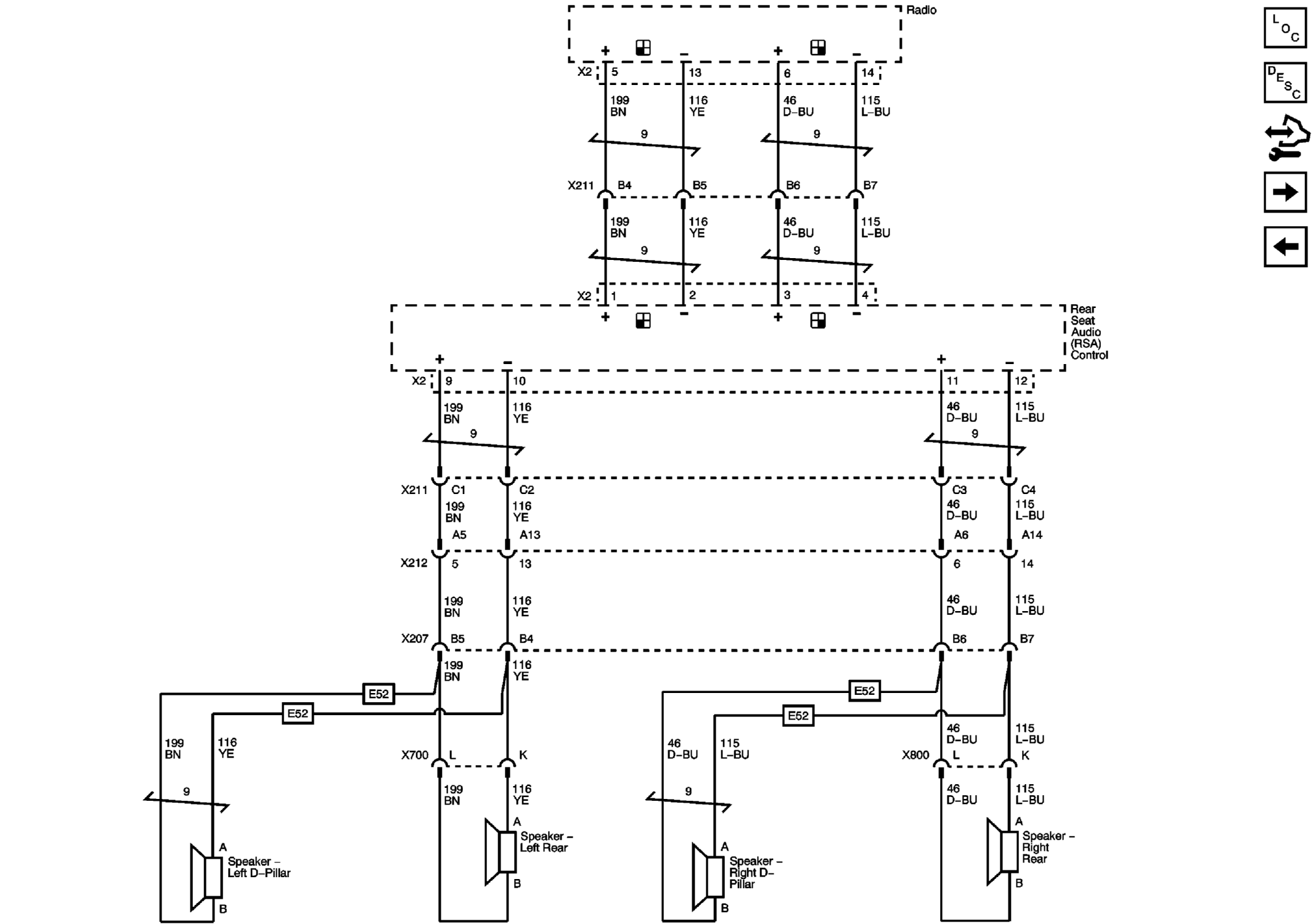
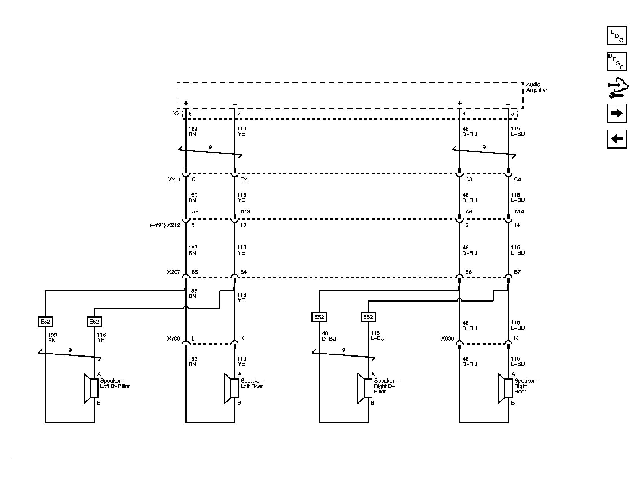
Fig 8: Rear Speakers - UQA
GM1907264Courtesy of GENERAL MOTORS CORP.
Fig 9: Rear Speakers - UQS
GM1907266Courtesy of GENERAL MOTORS CORP.
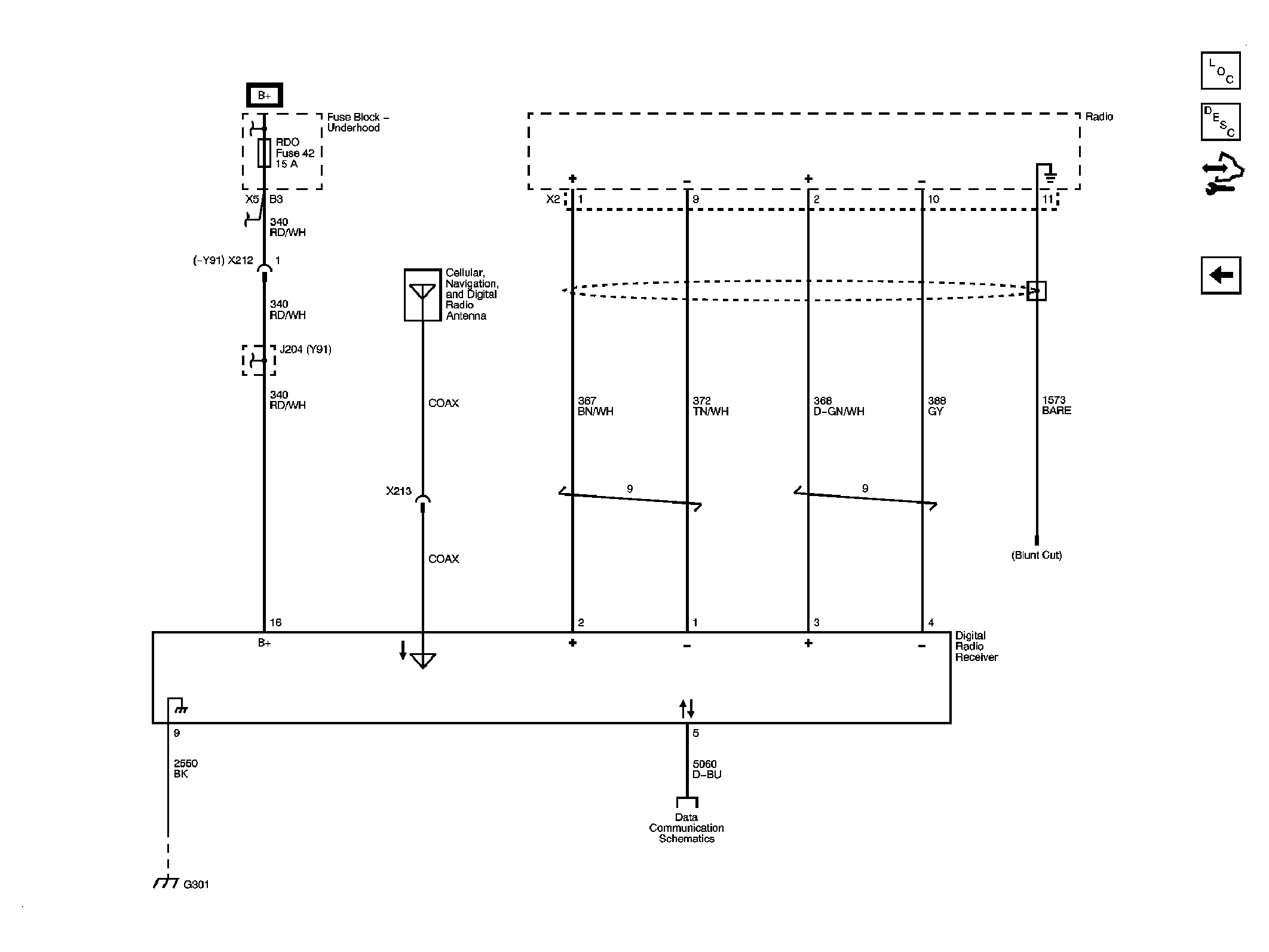
Fig 10: Digital Radio Receiver - U2K
GM1907269Courtesy of GENERAL MOTORS CORP.