LEMON Manuals: Even more car manuals for everyone: 1960-2025
Home >> GMC >> 2013 >> Yukon Base, RWD >> Repair and Diagnosis >> Engine Performance >> System >> Data Communication System >> Schematic Wiring Diagrams >> Data Communication Wiring Schematics >> Serial Data Gateway Module (HP2)
April 5, 2026: LEMON Manuals is launched! Read the announcement.

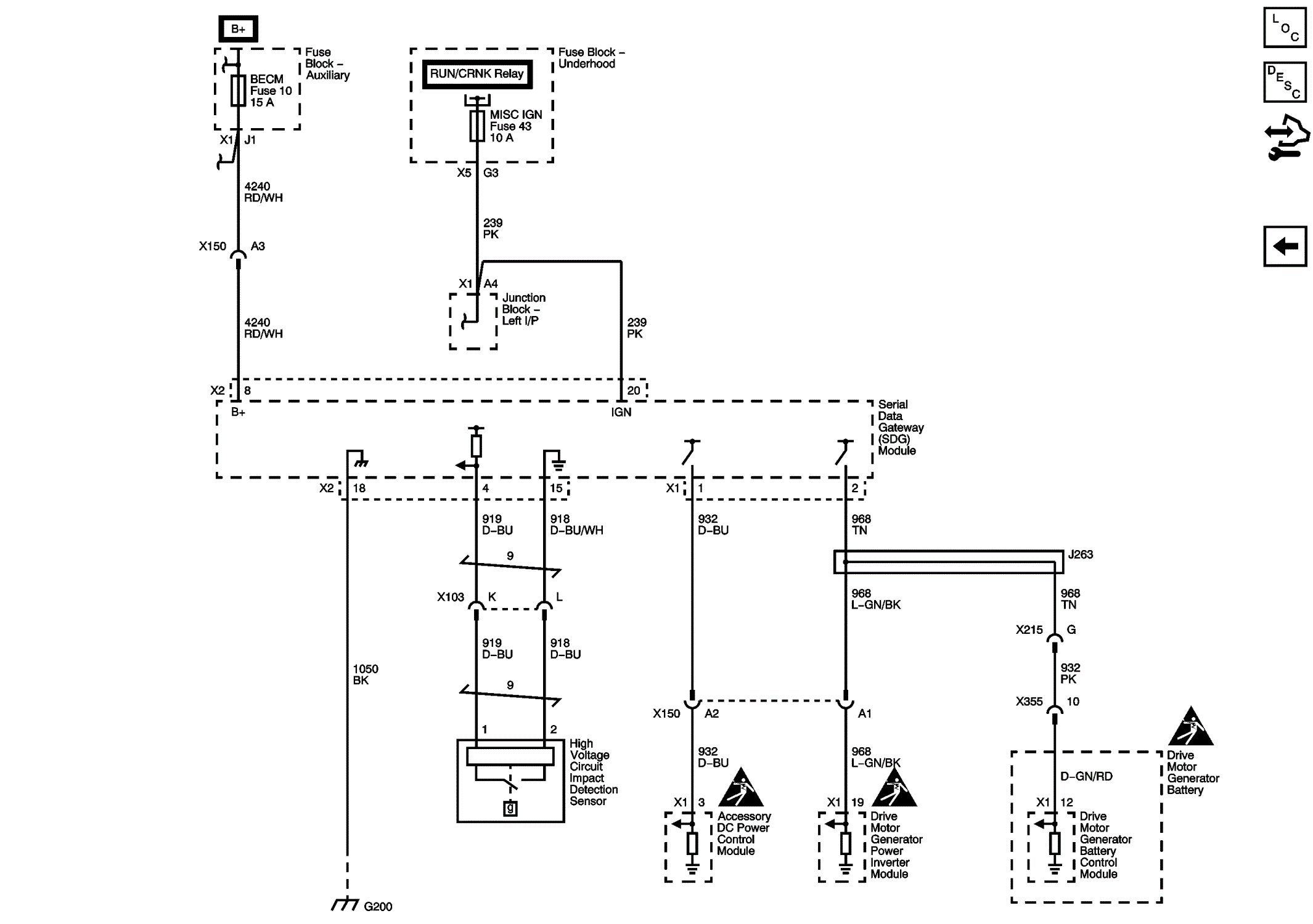
Serial Data Gateway Module (HP2)

Fig 1: Serial Data Gateway Module (HP2)
GM2761646Courtesy of GENERAL MOTORS COMPANY