LEMON Manuals: Even more car manuals for everyone: 1960-2025
Home >> GMC >> 2014 >> Terrain SLE, 4D Utility >> Repair and Diagnosis >> External Pages >> Different car >> Section 13 (Cellular Systems, Entertainment Systems & Navigation Systems) >> Schematic and Routing Diagrams >> Radio/Navigation System Schematics
April 5, 2026: LEMON Manuals is launched! Read the announcement.

Radio/Navigation System Schematics

WARNING: This page is about a different car, the 2010 GMC Terrain and 2010 Chevrolet Equinox. However, it is still accessible from the selected car via links, so may be relevant.
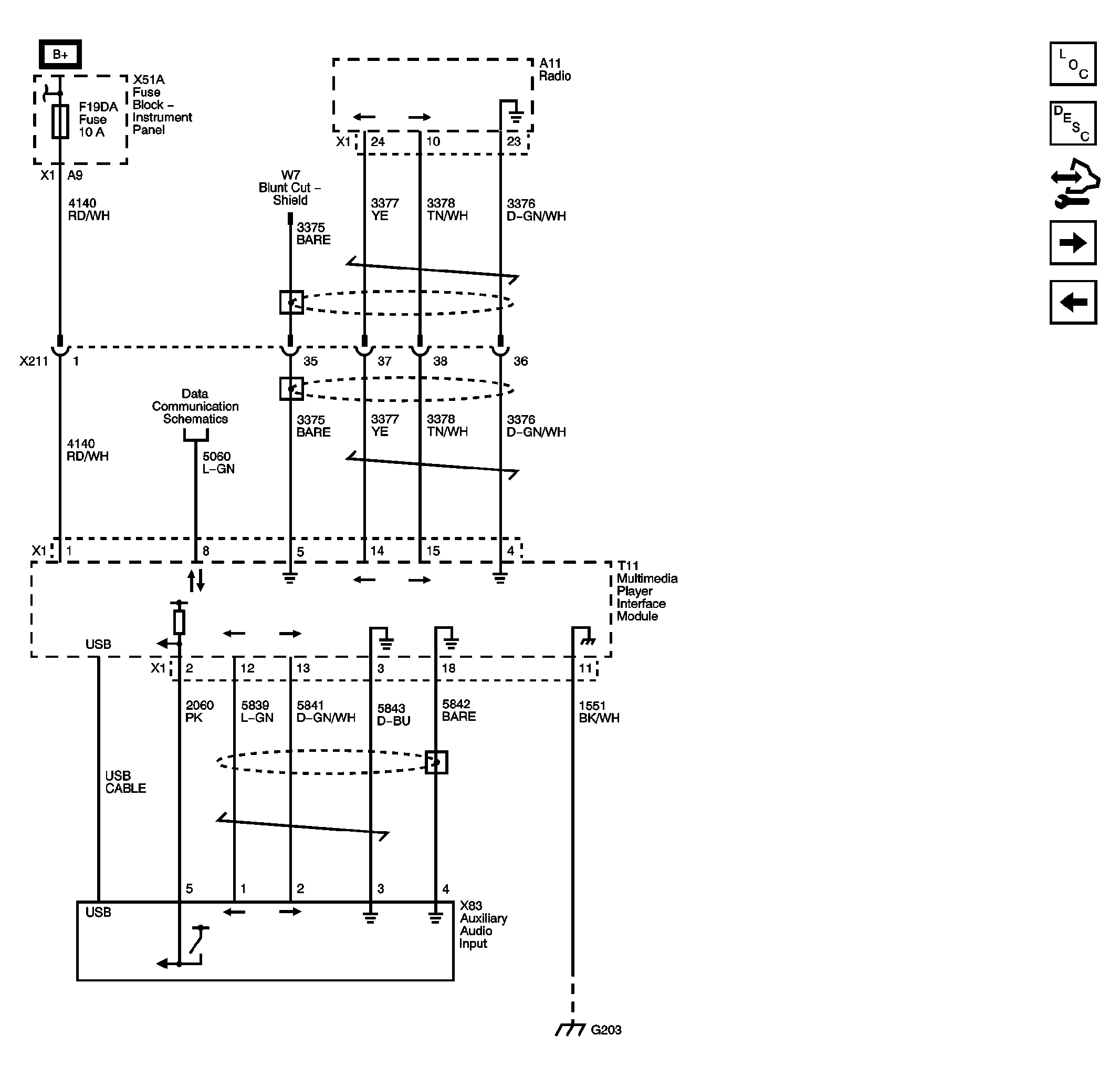
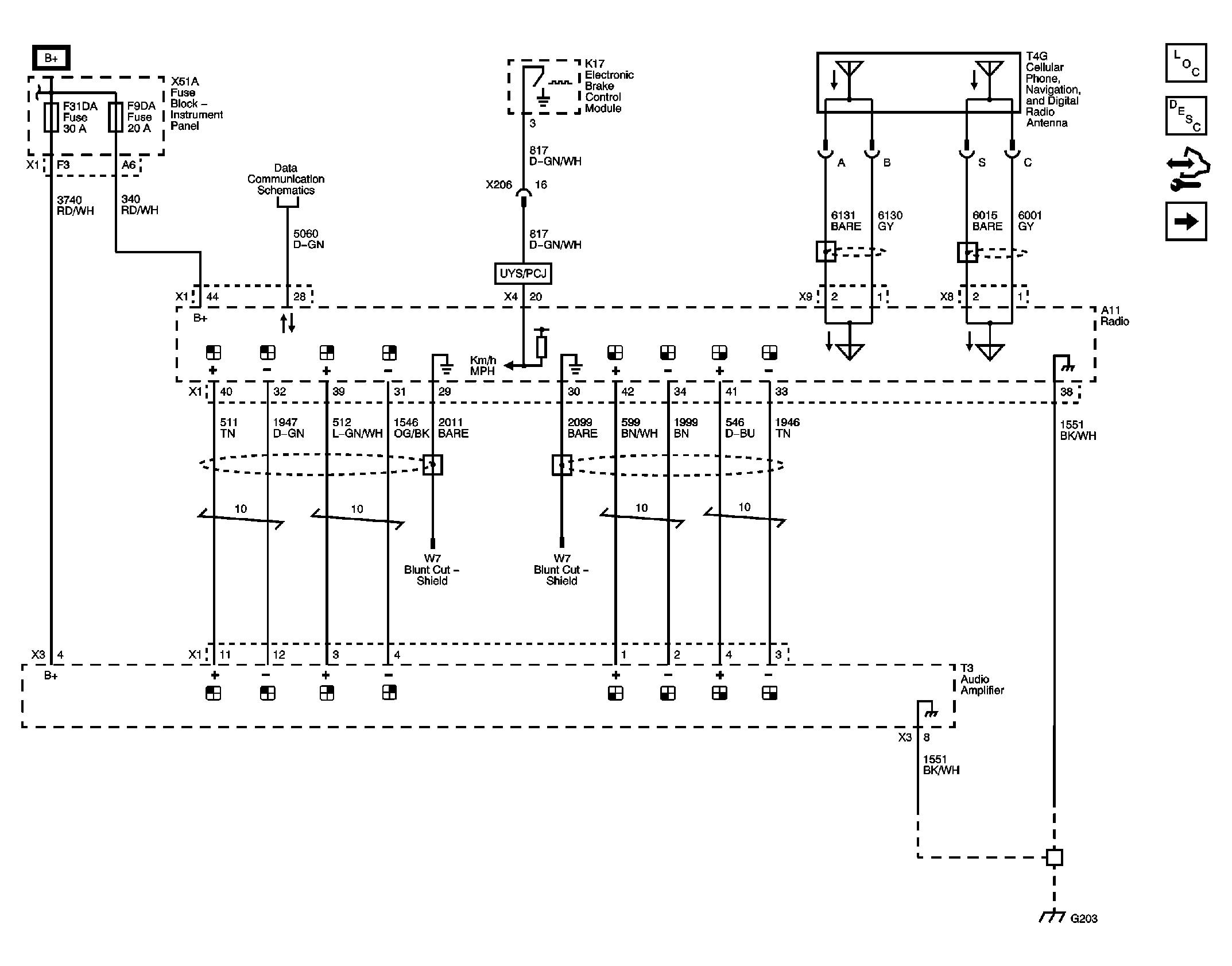
Fig 1: Power, Ground, and Antennas
GM2237673Courtesy of GENERAL MOTORS CORP.
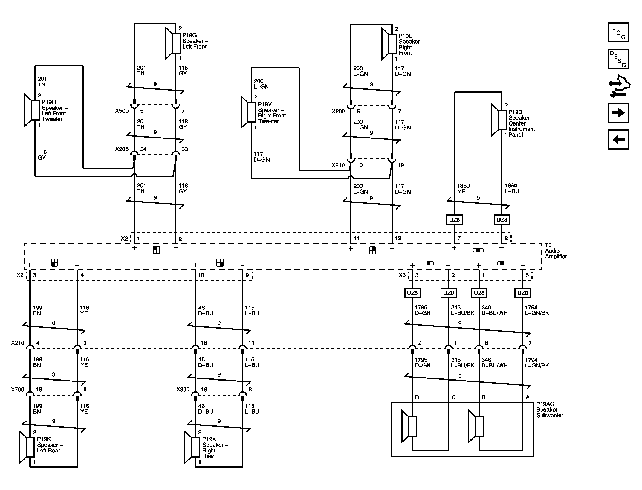
Fig 2: Amplifier and Speakers
GM2237671Courtesy of GENERAL MOTORS CORP.
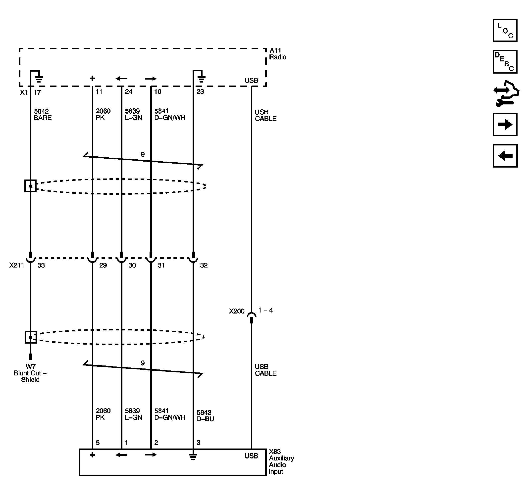
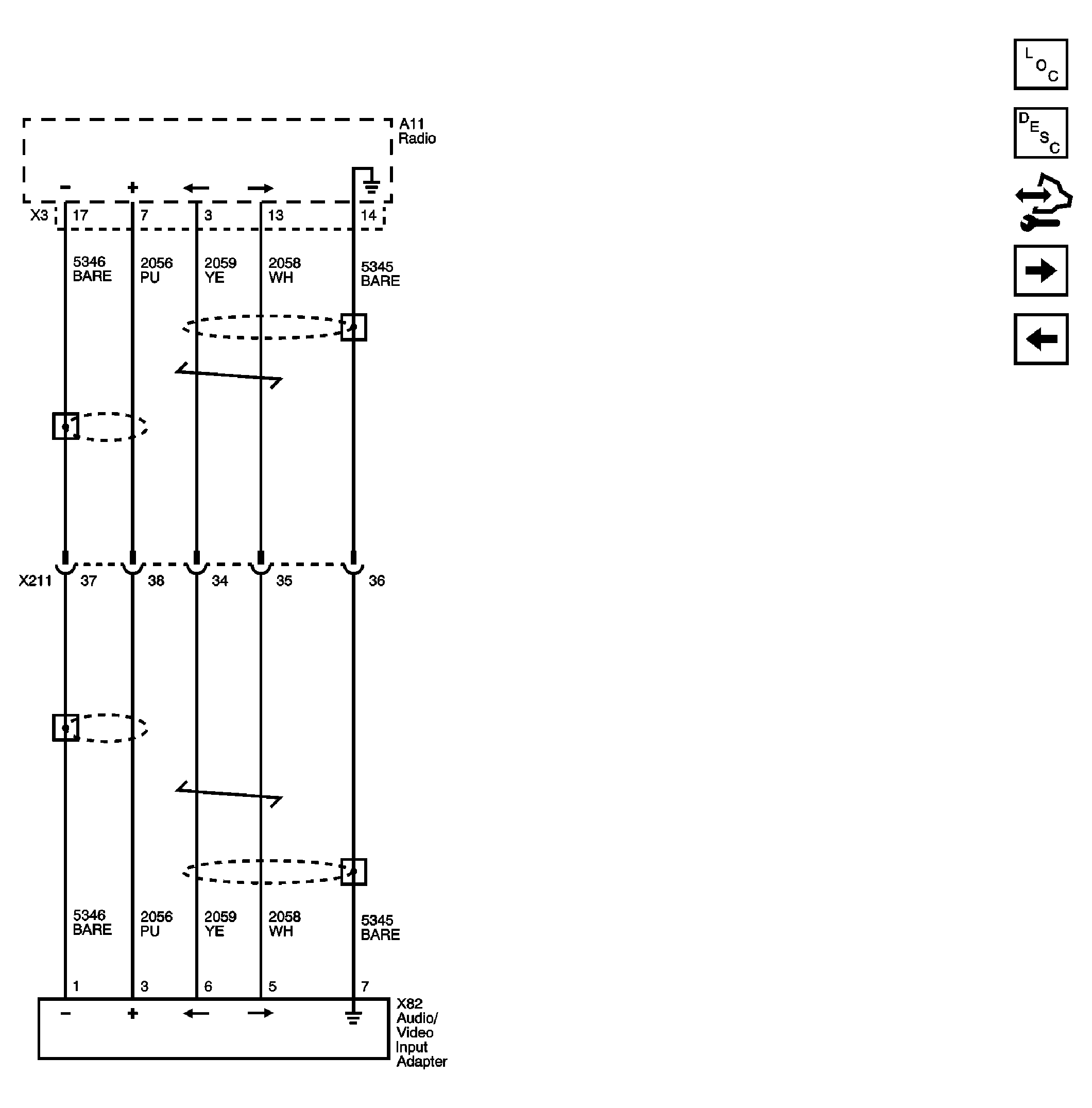
Fig 3: Multimedia Player Interface and Audio Jacks (KTA)
GM2237675Courtesy of GENERAL MOTORS CORP.
Fig 4: Audio Jacks (without KTA)
GM2237674Courtesy of GENERAL MOTORS CORP.
Fig 5: Video and Audio Jacks (UWG)
GM2237676Courtesy of GENERAL MOTORS CORP.
Fig 6: Radio Display (UYS or PCJ)
GM2312766Courtesy of GENERAL MOTORS CORP.
Fig 7: Radio Display (without UYS or PCJ)
GM2312767Courtesy of GENERAL MOTORS CORP.
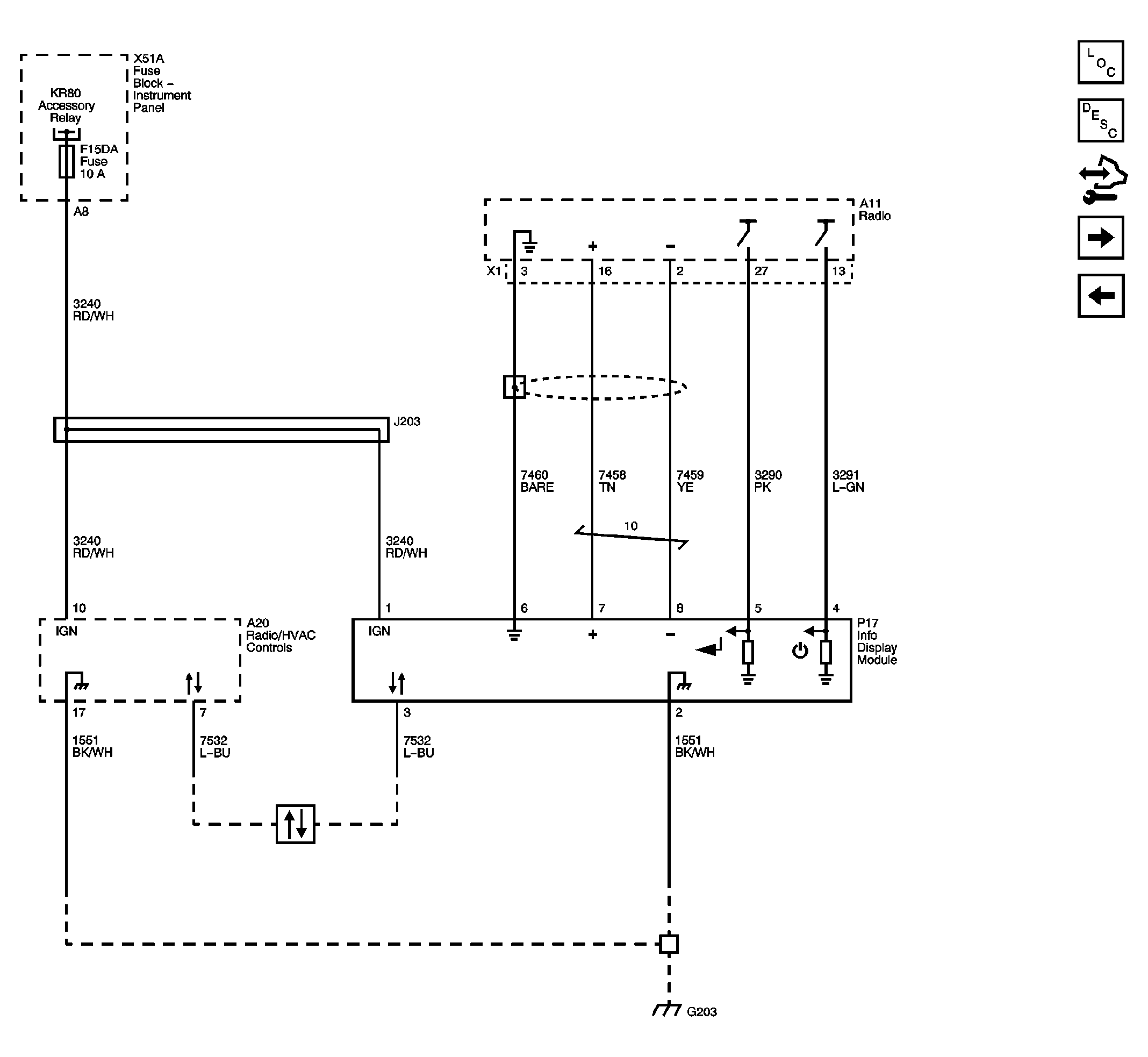
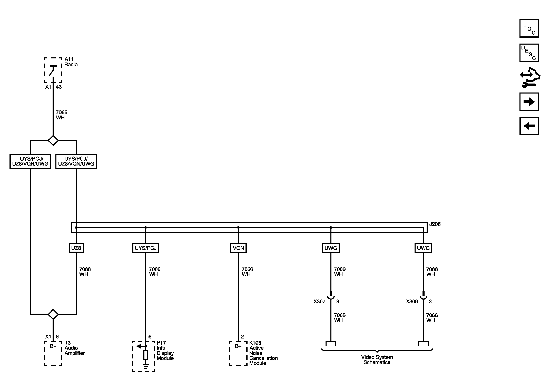
Fig 8: Remote Device Enable
GM2312768Courtesy of GENERAL MOTORS CORP.
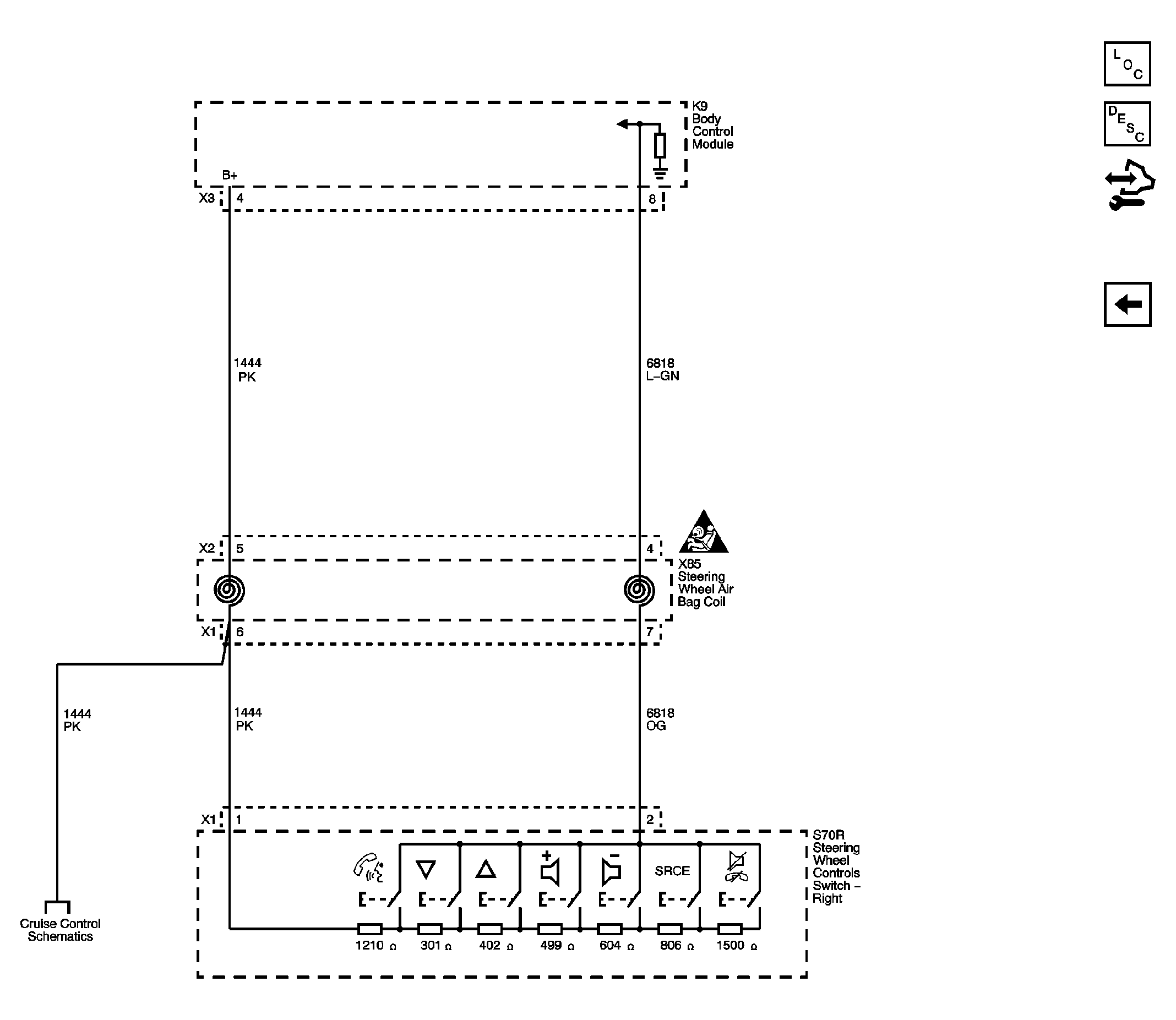
Fig 9: Redundant Steering Wheel Controls (UK3)
GM2237677Courtesy of GENERAL MOTORS CORP.