LEMON Manuals: Even more car manuals for everyone: 1960-2025
Home >> GMC >> 2014 >> Yukon SLT, 4WD >> Repair and Diagnosis >> Accessories & Equipment >> Collision/Avoidance >> Object Detection System >> Schematic Wiring Diagrams >> Object Detection Wiring Schematics >> Module Power, Ground, Rear Object Sensing (UD7)
April 5, 2026: LEMON Manuals is launched! Read the announcement.

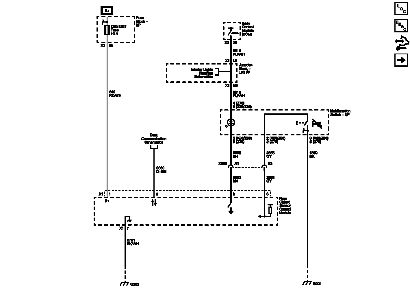
Module Power, Ground, Rear Object Sensing (UD7)

Fig 1: Module Power, Ground, Rear Object Sensing Wiring Schematic (UD7)
GM2761896Courtesy of GENERAL MOTORS COMPANY