LEMON Manuals: Even more car manuals for everyone: 1960-2025
Home >> GMC >> 2016 >> Terrain SL, Gas >> Repair and Diagnosis >> Accessories & Equipment >> Collision/Avoidance >> Object Detection System And Pedestrian Protection System >> Schematic Wiring Diagrams >> Object Detection Wiring Schematics >> Rearview Camera (UVC)
April 5, 2026: LEMON Manuals is launched! Read the announcement.

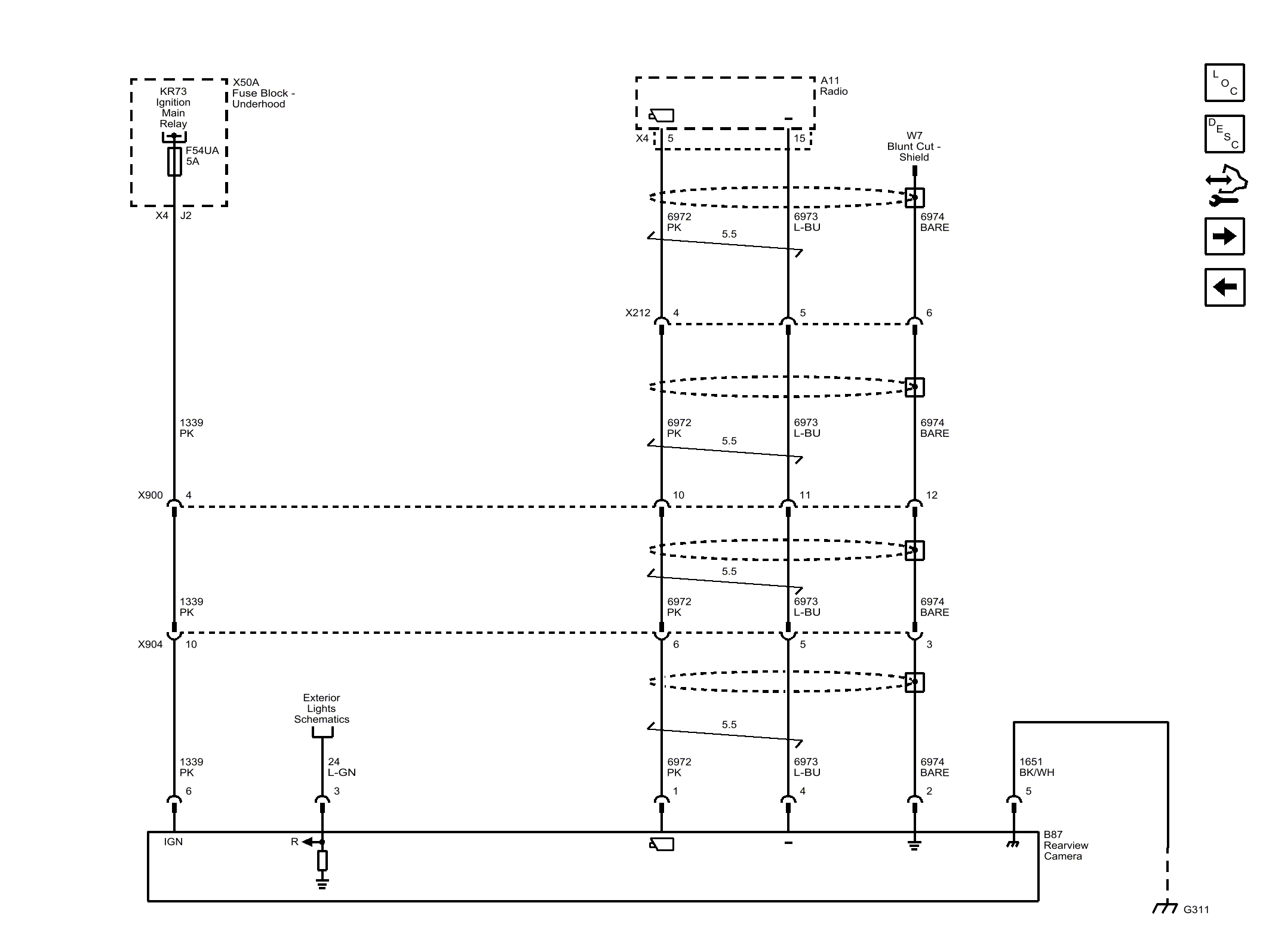
Rearview Camera (UVC)

Fig 1: Rearview Camera (UVC)
GM4069872Courtesy of GENERAL MOTORS COMPANY