LEMON Manuals: Even more car manuals for everyone: 1960-2025
Home >> GMC >> 2017 >> Acadia Denali, FWD >> Repair and Diagnosis >> External Pages >> Different car >> Section 239 (Object Detection System) >> Schematic Wiring Diagrams >> Object Detection Wiring Schematics >> Rearview Camera (UVC)
April 5, 2026: LEMON Manuals is launched! Read the announcement.

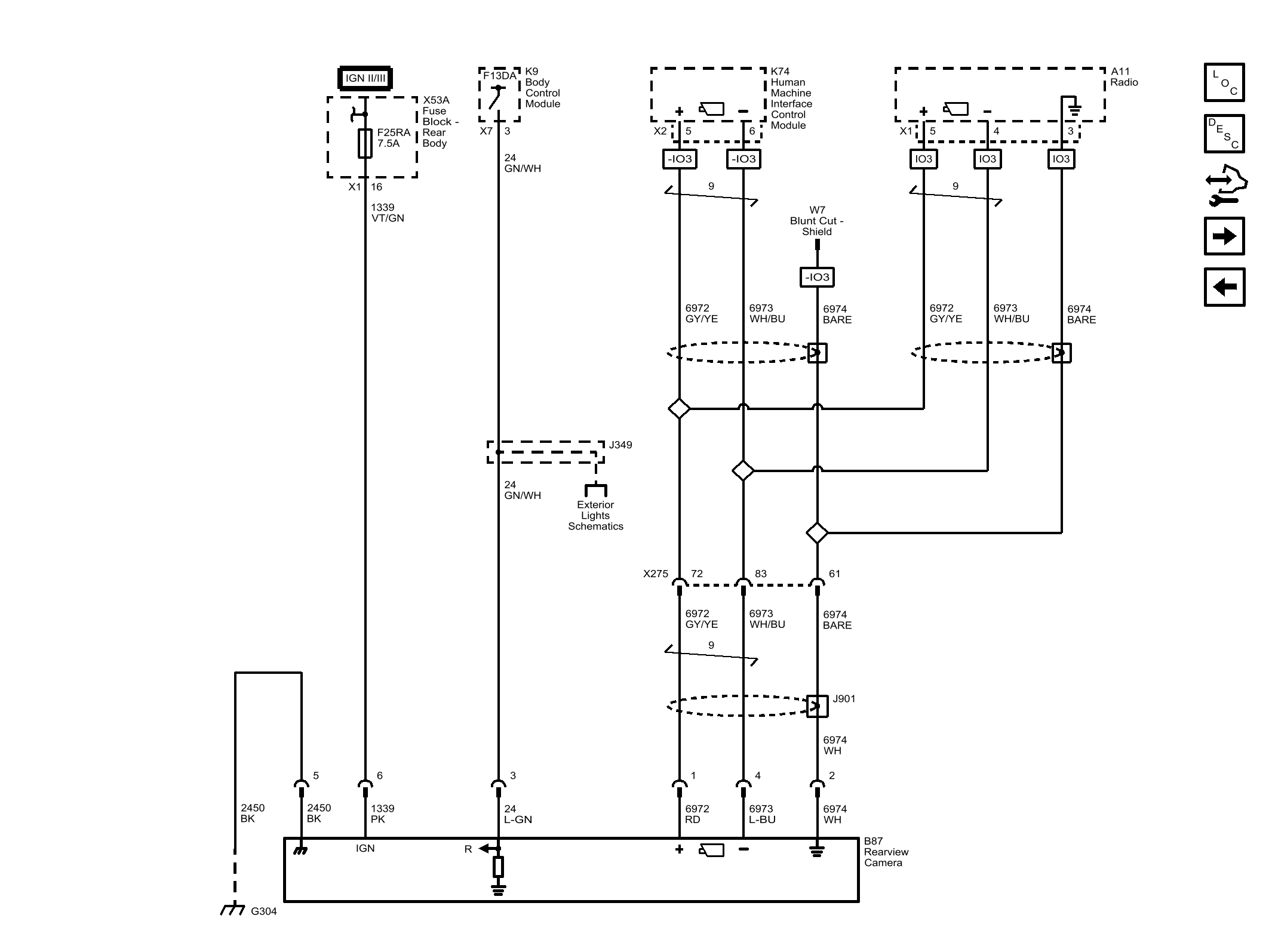
Rearview Camera (UVC)

WARNING: This page is about a different car, the 2017 Cadillac ATS. However, it is still accessible from the selected car via links, so may be relevant.
Fig 1: Rearview Camera (UVC)
GM4492327Courtesy of GENERAL MOTORS COMPANY