LEMON Manuals: Even more car manuals for everyone: 1960-2025
Home >> GMC >> 2017 >> Acadia Denali, FWD >> Repair and Diagnosis >> External Pages >> Different car >> Section 242 (Keyless Entry System And Remote Functions) >> Schematic Wiring Diagrams >> Remote Function Wiring Schematics >> Keyless Entry - Passive and Keyless Start
April 5, 2026: LEMON Manuals is launched! Read the announcement.

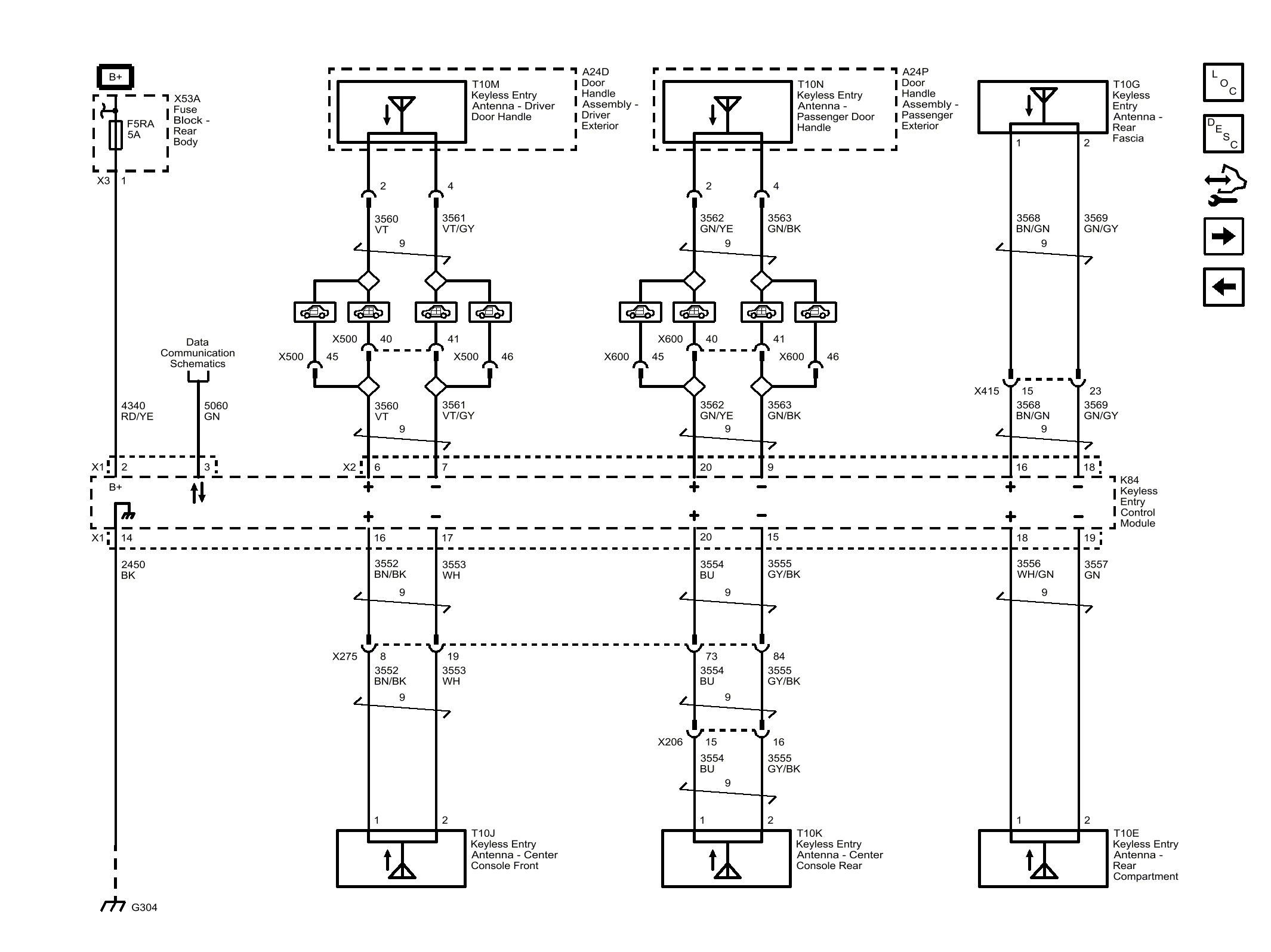
Keyless Entry - Passive and Keyless Start

WARNING: This page is about a different car, the 2017 Cadillac ATS. However, it is still accessible from the selected car via links, so may be relevant.
Fig 1: Keyless Entry - Passive and Keyless Start
GM4492357Courtesy of GENERAL MOTORS COMPANY