LEMON Manuals: Even more car manuals for everyone: 1960-2025
Home >> GMC >> 2018 >> Acadia Denali, FWD >> Repair and Diagnosis >> External Pages >> Different car >> Section 329 (Object Detection System And Pedestrian Protection System) >> Schematic Wiring Diagrams >> Object Detection Wiring Schematics >> Collision Avoidance - Module Power, Ground, and Serial Data (UGN)
April 5, 2026: LEMON Manuals is launched! Read the announcement.

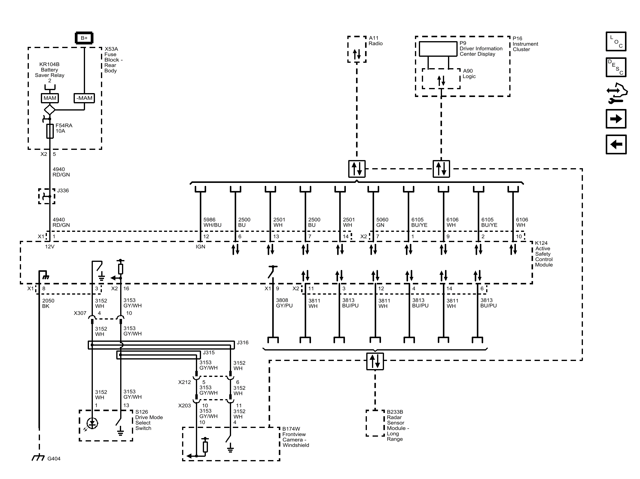
Collision Avoidance - Module Power, Ground, and Serial Data (UGN)

WARNING: This page is about a different car, the 2017 GMC Acadia. However, it is still accessible from the selected car via links, so may be relevant.
Fig 1: Collision Avoidance - Module Power, Ground, and Serial Data (UGN)
GM4373415Courtesy of GENERAL MOTORS COMPANY