LEMON Manuals: Even more car manuals for everyone: 1960-2025
Home >> GMC >> 2019 >> Terrain SL >> Repair and Diagnosis >> External Pages >> Different car >> Section 217 (Remote Functions) >> Schematic Wiring Diagrams >> Remote Function Wiring Schematics >> Keyless Entry - Passive and Keyless Start
April 5, 2026: LEMON Manuals is launched! Read the announcement.

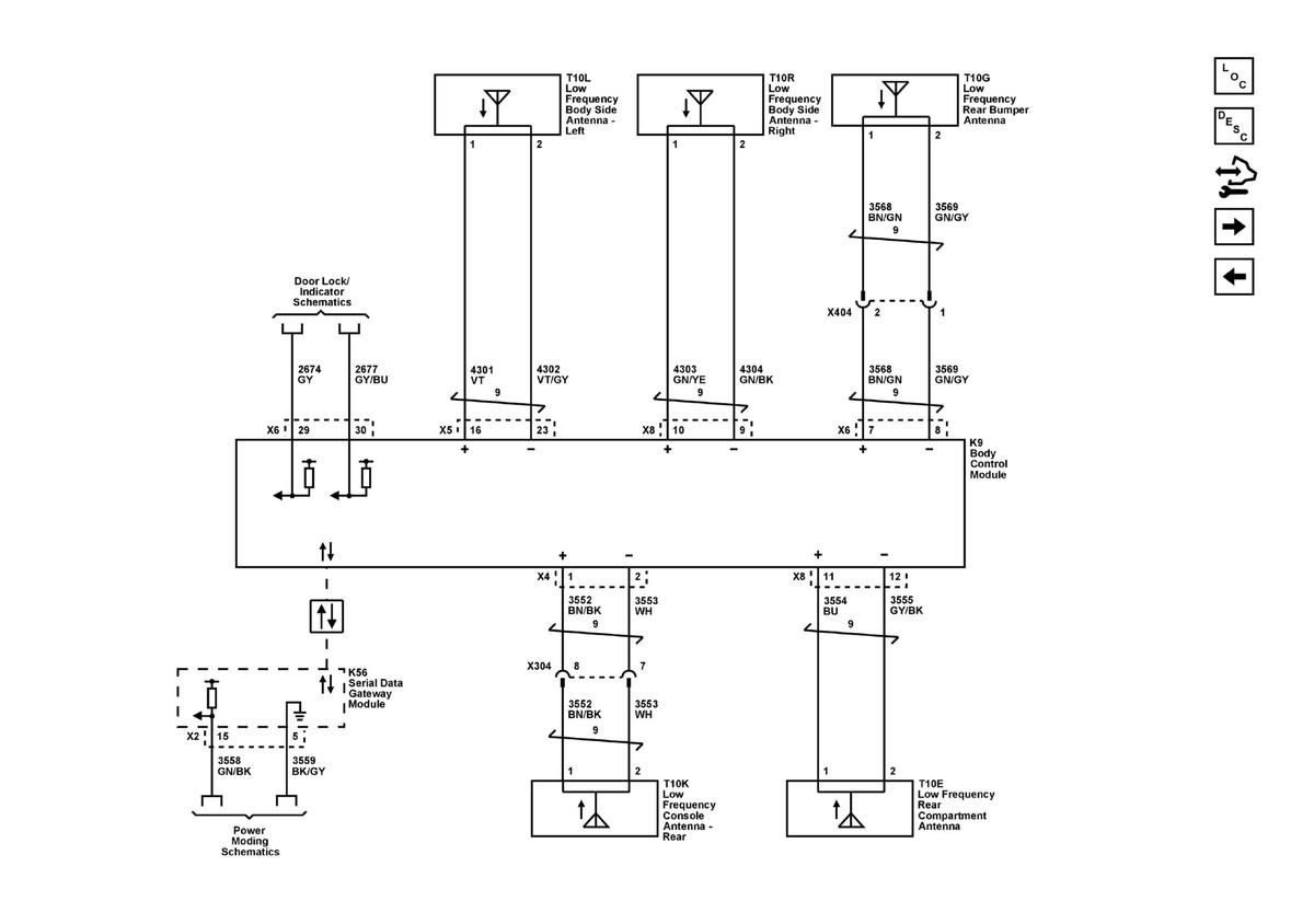
Keyless Entry - Passive and Keyless Start

WARNING: This page is about a different car, the 2021 Cadillac CT4. However, it is still accessible from the selected car via links, so may be relevant.
GM5522741Courtesy of GENERAL MOTORS COMPANY