LEMON Manuals: Even more car manuals for everyone: 1960-2025
Home >> Genesis >> 2017 >> G90 5.0 Ultimate, AWD >> Repair and Diagnosis >> Body & Frame >> Windows >> Power Windows >> Power window Motor >> Components and Components Location >> Components
April 5, 2026: LEMON Manuals is launched! Read the announcement.

Components and Components Location: Components

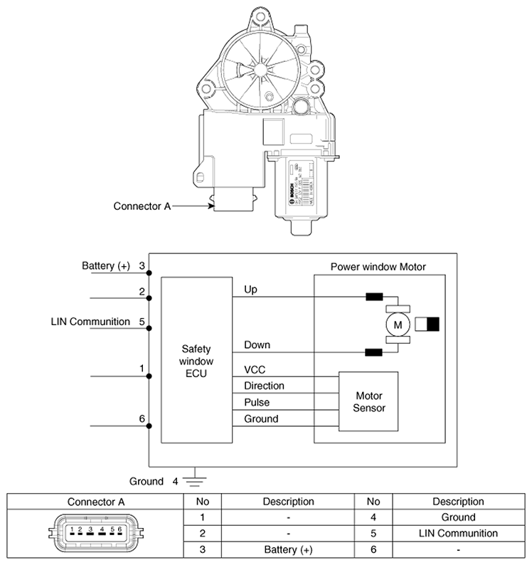
Fig 1: Locating Power Window Motor Connector
G11406310Courtesy of HYUNDAI MOTOR AMERICA